Optimaler Pufferspeicher + FRIWA für WP - Seite 78
|
|
||
|
Steinigt mich bitte nicht, wenn meine frage auf den 77 seiten schon wo beantwortet wäre... ich hab auch alles schon mal überflogen. Welchen speicher in welcher Größe wäre 2025 empfehlenswert für: Zweifamilienhaus mit 4 Erwachsenen und 2 Kindern. Zapftemperatur soll ca. 45°C betragen, weniger werden die Damen nicht hinnehmen. Duschverhalten: Komfortbrauser (ohne vollständiges Abdrehen beim Haarewaschen), keine Regenduschen. Gelegentliche (sparsame) Wannenfüllung für die Kids. Die Duschen geben max 7 L/min her, so duscht aber niemand. Eher 4 L/min denk ich. WP wird wahrscheinlich eine Stiebel-Eltron WPE-I 7.1 Plus (mit R290) an Grundwasser -> ~ 8,5 kW bei 50°C VL VL [Vorlauf] Friwa wird eventuell eine Stiebel-Eltron FS-M (dürfte baugleich der PAW FriwaMidi sein). Bin darauf aber nicht versteift. Würde ich vorallem davon abhängig machen, was der HB dann am billigsten anbieten kann. Die WP WP [Wärmepumpe] ist sehr knapp bemessen (am Rande der Vernunft) und sollte zumindest im Winter nur 1x nachts WW WW [Warmwasser] machen. Wie lange dauert das eigentlich in etwa bei 500l auf 50°C? |
||
|
||
|
Dann würde ich an deiner Stelle eher zum Greenwater tendieren. 200/300 bevorratet gut und sehr gut zu betreiben, siehe Forum. Ansonsten 4-500 ltr sollten es dann seindu brauchst bei Friwa immer etwas übertemperatur |
||
|
||
|
Viel Übertemperatur wird die Stiebel-Eltron FS-M nicht brauchen. Die schafft 32l/min bei 50/45. Die Fristar3WP ist zum Vergleich bei 55/45 mit 30l/min angegeben. |
||
|
||
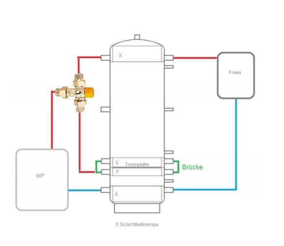
In Anlehung an die Installation von @Till70 mit dem TWL Speicher mit Schichtleitkrempen, ist mir folgende Idee gekommen:
![]() Eventuell kann man natürlich, wie oft vorgeschlagen, den FriWa-VL ganz oben anschließen. Bei dem TWL-Speicher finde ich das aber nicht sinnvoll. Die obere Schichtleitkrempe ist nur nach oben offen, d.h. das Wasser wird ohnehin fast ganz oben gezapft. Außerdem leitet die Schichtleitkrempe den WP WP [Wärmepumpe]-Vorlauf relativ direkt zum warmen FriWa-Zapfpunkt gegenüber weiter -> selbst bei beinahe leerem Speicher sollte man dann beim Duschen nicht merken, falls die WP WP [Wärmepumpe] gerade den Puffer heizt. Was haltet ihr davon? Ich hoffe es gibt noch bald ein paar positive Wortspenden, denn ich muss bald bestellen und umsetzen. LG |
||
|
||
|
Ich erhalte wohl bald die Wolf CHA-7. Kann die Zieltemp? Ich weiß es noch nicht, sonst habe ich dasselbe Problem. Den gesamten Speicher in mehreren Runden zu laden scheint mir auch nicht sinnvoll. Direkt auf Zieltemp macht ihn stets so schnell wie möglich wieder duschbereit! Aber ich hoffe, Du denkst zu kompliziert! Wenn man auf Ziel kommen will und die Wärmepumpe das nicht schafft, dann muss der Rücklauf zur Wärmepumpe immer oberhalb der Schwelle sein, ab der die WP WP [Wärmepumpe] es schafft! Nennt sich wohl Rücklaufanhebung, Standardbegriff. Dazu nimmt man das normalle kalte Wasser und mischt es mit heißem Wasser so hoch, dass die Schwelle überschritten wird. Je mehr kaltes unten verwendet wird, desto mehr steigt die Temp unten und desto weniger heiß wird beigemischt. Kalt von unten, heiß von oben. Dafür verwendet man keine "Weiche" wie Caleffi, sondern einfachen Mischer und ich nähme keinen elektr. geregelten, sondern thermisch. |
||
|
||
|
Was gibts da zur Auswahl? Ich möchte nichts elektronischs, wenns sowas auch thermostatisch gibt, umso besser. Das Prinzip der Rücklaufanhebung kenne ich... |
||
|
||
|
Es gibt Leute, die haben kompliziertere Situationen, z.B Zirkulation, Solarthermie, Ofen mit Wassertasche, und so weiter und die sind gerne flexibler und nehmen sich dann z.B eine elektronisch steuerbare Lösung. Deine Situation kenne ich nicht genau. |
||
|
||
|
Meine Situation: Ölheizung raus, Grundwasserwärmepumpe rein. Puffer nur für FriWa, ohne Zirkulation oder andere Wärmeerzeuger |
||
|
||
|
Ich plane für eine Wärmepumpe für ein kleines EFH mit 100m2 beheizter Wohnfläche. Nach Renovation wird das Haus ca 4 kW Heizleistung benötigen. Grossteil (70m2) wird mit Heizkörpern beheizt, rest FBH FBH [Fußbodenheizung]. Nach meiner Rechnung komme ich auf 0.7m3/h Volumenstrom und brauche also sicher einen Puffer. PV von 23kWp kommt im Zuge der Renovation auch. Der jetzige Kaminofen wird dann überdimensioniert sein. Zur Diskussion ist ein Wasserführender Ofen mit wenig Luftheizleistung, z.b. Piko H2O. Mein vorgestelltes Hydraulikschema:
Mit einer hohen VL VL [Vorlauf]-RL Spreizung Zielladefunktion bei der WW WW [Warmwasser] Zubereitung müsste das mit dem von @Pedaaa vorgestellten Schema gut klappen. Ich habe gelesen dass die Lambda ca 20K Spreizung kann. Das würde also gehen. Kennt ihr andere passende LWWP LWWP [Luft-Wasser-Würmepumpe] mit grosser Spreizung und Zielladefunktion? Bzw. wo finden sich diese Informationen? Bei der Ovum findet sich nichts. |
||
|
||
|
Evtl. auch bei Nibe. |
||
|
||
|
Den puffer schreibt lambda laut schema bei heizkörpern leider vor. Müsstest einen Heizungsbauer finden, ders ohne baut. Für die FBH FBH [Fußbodenheizung] brauchst keinen puffer, der VL VL [Vorlauf] ist ja aufgrund der heizkörper hoch, da kann man die FBH FBH [Fußbodenheizung] auch mit mischer beschicken. |
||
|
||
|
Versuche mit den Heizkörpern auf Systemtemperatur der FBH FBH [Fußbodenheizung] zu kommen.dann Puffer weg lassen, max diesen mit Überströmer und Rücklafpuffer seriell. Ja die Hersteller geben ds vor, deshalb vorab richtig planen, spart dann auch noch Geld und bringt effizienz. Auch einen Ofen mit Puffer, den über Entlademischer am Puffer vorbei führen. Und keine Kombipuffer verwenden |
||
|
||
|
Danke für die Vorschläge, ich weiss ohne Puffer ist effizienter. 😄 Die Hütte hat NAT -13 (ca 3500 HGT) und die wurden auch mehrmals die letzten Jahre erreicht, etwa 10 Tage/Jahr bei -10. Dazukommt ein erhöhter Wärmebedarf bei den Mitbewohnern. Durchgerechnet habe ich, dass wir mit 41/36/22 bei NAT in den Heizkörpern gut hinkommen sollten. Bei der Spreizung sind dass dann ca 0.4m3/h. Vieviel da die Pumpe während des Abtauens ohne Störgeräusche durchpressen kann, weiss ich nicht und kommt wohl auf die Verrohrung an. Erhofft hatte ich mir den Effizienzverlust des Kombispeichers etwas auszugleichen durch: 1. Sommer/Zwischensaison: PV Strom zur WW WW [Warmwasser] Aufbereitung und verschieben der Heizwasseraufbereitung in den Tag. 2. Winter: Gelegentlich zuheizen mit Holz. So halt die schlechte Effizienz bei niedrigen Temperaturen ausgleichen. Nun ja, ich bin noch in der Planungsphase und schon offen für Alternativen 😊 |
||
|
||
|
Gib das mal in die Suche ein, da wirst fündig. Abtauenergie Stelllt dir der Puffer dann auch übers Überstömventil bereit. Deine Systemtemperaturen sind ja schon okay, evtl mit größeren Heizkörpern auch noch etwas verbesserungsfähig
|
||
|
||
|
Wie ist das Ansprechverhalten bei der Fristar 3WP und Oventrop X45WP bei geringer Zapfleistung? Mein Insti hatte mit einen anderen Hersteller oft Probleme, wenn z.b. nur ein Waschbecken aufgedreht ist. Daher empfiehlt er Richtung Hygienespeicher, rein für Warmwasser (Heizkreis Direktkreis). Das Kalkthema habe ich mit Systemtemperaturen max. 50°C gleich beendet gehabt. Sehe halt bei der FRIWA den Vorteil, dass bis zum Schluss die maximale Schüttleistung verfügbar ist. Hygienespeicher oder Schichtenspeicher würde von Forstner kommen, hat sich die Schichtung schonmal wer hier angeschaut?FRIWA von TA oder Oventrop weil Forumserfahrung. LG |
||
|
||
|
Keine Beschwerden bei der x45, sie kühlt den Speicher stark runter also das Wasser entsprechend hoch. |
||
|
||
|
Die Fristar3WP funkt auch sehr gut. Auch bei kleinen Wassermengen funktioniert das dank dem integriertem, schnellen Rücklaufventil super. Das ging mit der alten Fristar2WP tatsächlich noch nicht wirklich gut. Seit Umbau auf 3WP -> Top Friwa-Speicher ist dem Hygienespeicher mit Sicherheit überlegen. Nachteil ist nur, dass es Elektronik und Strom braucht. Und dass der Plattenwärmetauscher vielleicht auch eher noch kaputt gehen kann, als die Rohrwendel im Speicher. - andererseits ist der auch wieder leicht zu tauschen
|
||
|
||
|
Wo hier eine Menge Leute mit Friwa mitlesen. In unten verlinktem Thread wird folgendes berichtet: "Bis am Ausgang der Friwa am morgen das ausgehende Wasser 38/39Grad erreicht hat, dauert es rund 25 Sekunden." https://www.energiesparhaus.at/forum-fristar3wp-vorgluehen-lassen/83630 Könnt ihr das bestätigen? Finde das schon recht lange, da es ja dann (natürlich ohne Zirkulation) nochmal länger dauert, bis das warme Wasser am Hahn ankommt. |
||
|
||
|
kann ich so nicht ganz bestätigen. Bei unserm Küchen-Waschbecken, welches quasi 1m vom Speicher entfernt steht, dauert es beim ersten mal am Tag aufdrehen, gemessen 4 sek. bis es warm wird. und ca. 10s bis wirklich die volle Temp. erreicht ist. Die nächsten Male natürlich schneller. Bei unserer Dusche im OG, die am weitestens entfernt ist und auch große Mengen an Wasser durch die Ringleitung kommen müssen, kanns aber auch schon mal an die 30 sek. dauern, bis wirklich warm. Aber das ist der Wasser-Verrohrung geschuldet und nicht der Friwa. Im nächsten Haus würd ich die Dusche vielleicht direkt anbinden ohne Ringleitung. Dann ginge das schneller. Hygienethema wärs sicher auch keines, weil ständig genutzt. Die WW WW [Warmwasser]-Ringleitung im OG war also eher "overkill" Andererseits... wirklich "stören" tuts uns auch nicht. |
||
|
||
|
Hast du bei deiner das "neue" FSV Ventil verbaut? Zum Thema Hygienespeicher. Bei Forstner gibts nur die Angabe bei min. 55°C Teilbeladen und Vollbeladen und 45°C Zapftemperatur. Bei einer 10 Minuten langen Zapfung schafft der 560er Speicher im Schnitt 18l/min und wenn er Vollbeladen ist 25l/min. Im Vergleich schafft die Fristar 3WP 30l/min, die X45WP 46l/min und das bis der Speicher bis oben Kalt ist. Für max. 1 Minute gibt Forstner 24-31l/min an, dabei läd aber ein Wärmeerzeuger mit 15kW den Speicher, um genau zu bleiben. Die Rohrwendel hat 46 Liter Volumen, dannach nimmt also die Leistung ab. Also garnicht mal so gut, wenn man sich die nackten Zahlen ansieht. Auf der anderen Seite sind Ansprechverhalten und Schichtung im Speicher Softstats, die bei einer FRIWA schwer zum vergleichen sind. Würde schon gerne bei max. 45°C Systemtemperatur bleiben, wegen Kalkausfall und Effizienz. |
||
|
||
|
Warum dann nicht einfach einen Warmwasserspeicher?! Schnelles Ansprechverhalten, keine zusätzliche Energie, hohe Schüttleistung. Wobei Schützleistung auch mit 18ltr/min im normalen EFH ausreichen sollte, Hygiene sollte hier im Forum und bei Neubau auch kein Problem sein. Kostetechnisch auch günstiger. |
Beitrag schreiben / Werbung ausblenden?
Einloggen
Kostenlos registrieren [Mehr Infos]

