HRDS+ KWL Entfeuchtung/Kühlung - Einbau, Optimierung, Parametrierung - Seite 2
|
|
||
|
Bitte mich auch aufklären |
||
|
||
|
Danke für die Erläuterung! Die Beratung + Planung ist ja gerade das, was wir schätzen. Ich habe das so im Kopf abgespeichert, dass es mehrere Größen/Stärken der Module gibt. In unserem Angebot von euch steht das HRDS+ 30 H R K. Dann gibt es wohl noch das 50er. Wenn ich das richtig in Erinnerung habe, ist das 50er wohl prinzipiell besser, habe mich mit der Dimensionierung noch nicht im Detail beschäftigt, da wir mit unserer Planung noch nicht 100% fertig sind. Dann würde ich eh nochmal auf euch zukommen. |
||
|
||
|
Der Unterschied zwischen 30 und 50 ist nur die Entfeuchtungsleistung bzw. der Umluftvolumenstrom. Die Entscheidung welche Größe ist im Regelfall nur von der Hausgröße, dem örtlichen Klima, den internen Feuchtelasten und der möglichen Dimension des Luftverteilsystems abhängig. Wenn das Lüftungsgerät tagsüber mit 100 m³/h läuft und das Entfeuchtungsgerät zusätzlich 250 m³/h Umluft fördert, dann muss man insgesamt 350 m³/h durch das Zuluftverteilsystem schicken ohne das dass akustisch stört. Dazu muss man das Lüftungssystem schon etwas größer auslegen, als es üblicher Standard ist. Die Entfeuchtungsleistung vom 30er reicht für ein normal großes EFH mit 4 Personen locker aus. |
||
|
||
|
bei einem Nutzer hab ich gesehen, dass zumindest schonmal die Schalldämpfer/Filter Box isoliert wurde. Das ging recht problemlos. Ich werd mal fragen, ob ich Fotos posten darf. Mit den Combi-Boxen wird es aber zumindest mit dem Trockenbaudeckel ein Thema... 1. Ein "eingeschränktes" Kühlen über dem Taupunktlimit wäre aber auch möglich, z.B. mit erhöhtem Wasserdurchsatz. Dann liegt die Luftauslasstemp. beim Entfeuchten ca. auf Wassertemp. Niveau oder leicht darunter. -> z.B. 20C Wasservorlauf mit erhöhtem Durchsatz ergibt ~18-20C Luftauslasstemp. (im Entfeuchtungsmodus) gepaart mit erhöhtem Luftdurchsatz ist damit auch einiges zu Erreichen 2. Oder es kann auch ein alternativer 0-10V Stellmotor auf das interne Wasserventil montiert werden, dann kann man die Luftauslasstemp. extern genau steuern. (haben nun schon ein paar User so verbaut, und wird hier auch noch genauer vorgestellt) Damit kann dann z.B. schon sehr knapp an den Taupunkt heran geregelt werden. z.B. ca. 15C Zuluft. 3. die "volle Kühlleistung" ist aber nur mit Isolierung der Rohre und kalter Zuluft nutzbar.
|
||
|
||
|
Danke für die Erklärung der Möglichkeiten @Murphy08 ! Aus meiner Sicht werde ich dann auf die Isolierung verzichten und mir den Stellmotor integrieren. Ich denke knapp über dem Taupunkt zu fahren sollte auch ausreichen. Wenn man das Haus im Sommer auf 23-24 Grad hat und mit Entfeuchtung bei 55% r.F. liegt, dann kann man ja dennoch mit z.B. 16 Grad fahren - was wahrscheinlich eh schon zu kühl wirkt. |
||
|
||
|
Oft gibts ja dann noch einen Mix aus passiver Kühlung und dem HRDS+. Gemeinsam sollte die Kühlleistung sicher für einen üblichen Neubau reichen. Hab die HRDS+ auch schon in der Garage stehen und komm jetzt dann hoffentlich mal zum Einbau.. Werde auch das 0-10V Ventil verbauen und dann die Ausgangstemperatur entsprechend dem aktuelle Taupunkt, Kühlbedarf und Luftfeuchte regeln. |
||
|
||
|
Wir sind gerade in den letzten Zügen der Planung unseres EFH (170m², durchschnittliche Raumhöhe 2,6m, Holzmassiv mit HWB 32). Dafür haben wir gerade einen gut dimensionierten RGK RGK [Ringgrabenkollektor] mit 9000kWh Kapazität vergraben, beheizt werden soll mit der neuen Stiebel WPE-I 07.1 Plus und passiver Kühlung über FBH FBH [Fußbodenheizung]. KWL machen wir dann gleich ebenfalls von Stiebel, nämlich die LWZ-W 450 E. Wir bereiten das Haus ausserdem schon für die maximale Eskalationsstufe in Form einer Split-Klima vor, nur um sicher zu sein. Nun würde mir halt als Vorstufe eine eventuell praktische, zusätzliche Kühlung über die KWL KWL [Kontrollierte Wohnraumlüftung] symphatisch sein, vielleicht brauchen wir dann gar keine Klimaanlage. Das wird man halt erst merken, wenn man drin wohnt. Könnt ihr mir sagen, worauf wir im Technikraum jetzt schon achten sollen, falls wir dann im ersten Schritt mal so ein Entfeuchtungs/Kühlungsmodul nachträglich einbauen wollen? Also in Hinsicht auf Platzverhältnisse, nötige Anschlüsse etc. Nicht, daß es dann wieder ein Drama mit dem Installateur wird, falls wir das Kastl einbauen lassen möchten... Danke! |
||
|
||
|
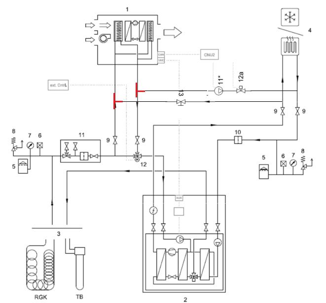
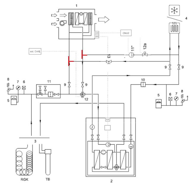
Hallo, am Besten einfach mal ein wenig in der HRDS Installations-Anleitung stöbern, hier, zum Download: https://www.hejluft.at/downloads Unter Punkt 3.3 sind die Abmessungen und empfohlenen Wartungsfreiräume zu sehen. Was man generell dazu sagen sollte: nur mit FBH FBH [Fußbodenheizung] alleine ist Kühlung schon möglich, aber die Leistungsfähigkeit ist doch etwas limitiert. Da muss dann schon sehr gut auf Dämmung, Verschattung usw. geachtet werden. Wenn über die Lüftung bzw. per HRDS+ ausreichend Kühlunterstützung geliefert werden soll, muss das schon gut eingeplant werden. Sprich: Umluftverrohrung, ausreichende Rohrdurchmesser Zuluft, isolierte Zuluftleitungen. Dann ist auch wirklich eine spürbare Kühlleistung über die KWL KWL [Kontrollierte Wohnraumlüftung] möglich und kann die fehlende Leistung einer FBH FBH [Fußbodenheizung] sicher auch gut wegbügeln. Aber wenn das erst Last-Minute entschieden wird, ist das mit Sicherheit ein Drama mit dem Installateur 🤯 Mit Standard-Lüftungsverrohrung bitte keine Wunder erwarten. Das Entfeuchten funktioniert dann schon auch sehr gut. Aber echte Kühlungs-Wunderleistungen gibt es so nicht. Da sollte in erster Linie auf möglichst viele Kühlflächen beim Bau geachtet werden. Decke ist natürlich ideal. Aber auch Wand-Kühlflächen wirken gut. (und sind meist auch rel. günstig herzustellen) hier sind die Grund-Ideen der Kühlungs-Varianten ohne Splitklima zu sehen: https://www.hejluft.at/k%C3%BChlungs-varianten
|
||
|
||
|
Bei den Lüftungsanlagen mit Flexrohr ist ja normalerweise nach dem Lüftungsgerät sowohl bei Zuluft wie auch Abluft ein Schalldämpfer zwischen Gerät und Verteiler. Kann das HRDS+ Gerät auch zwischen Verteiler und Schalldämpfer, oder sollte der Schalldämpfer zwischen Verteiler und HRDS+ Gerät? Ich würde nämlich eigentlich die Zuluft sehr großzügig planen, so dass ich bei 200m^3/h etwa 18 Zuluftrohre legen würde. Damit wäre ich ohne Umluft immer unter 15m^3/h pro Rohr und ich vermute da kann man dann bei Normalbetrieb noch 100m^3/h Umluft hinzunehmen ohne störende Geräusche. Dafür wäre der 3x125mm Ausgang ideal (an jeden 125 Ausgang dann ein 6x-Verteiler), den großen Schalldämpfer bekomme ich danach aber nicht mehr hin. Müsste der Schalldämpfer danach kommen, müsste ich den 160er Ausgang nehmen, dann den Schalldämpfer, und dann das 160er auf 3x 125mm Rohre und damit auf die 6x-Verteiler. |
||
|
||
|
Nach dem Entfeuchtungsgerät sollte schon nochmal ein Schalldämpfer. Das Gerät selbst macht ja zusätzliche Geräusche durch den Lüfter und Kompressor. @Mikkael hat es bei seiner Flexrohr-Anordnung z.B. ohne gemacht. Es war dann eigentlich sogar leiser als ich gedacht hatte, aber trotzdem würd ich es nicht ohne Schalldämpfer empfehlen. Wenn sich danach nichts ausgeht, kann man auch den originalen Schalldämpfer-Adapter mit dem Luftauslassplenum "kombinieren", dann geht kein Platz verloren. Es erhöht allerdings den Durckverlust ein wenig. Hier die Infos dazu vom andern Thread reinkopiert: Orignal-Anordnung: Schalldämpfer, dann Luftauslassplenum: ![]() ![]() Schalldämper: ![]() Luftauslass-Plenum: ![]() Der Schalldämpfer-Adapter kann mit dem Plenum-Anschluss-Deckel kombiniert werden und damit ein kürzeres Schalldämpfer/Kombi-Plenum gebaut werden. Das ist zwar nicht so ab Werk vorgesehen, passt aber trotzdem: ![]() ![]() ![]() Um den Deckel montieren zu können muss dann mit Gewindestiften und Muttern gearbeitet werden, weil dann die Blindmuttern am entsprechenden Anschluss fehlen. (siehe Bild oben, wo der Deckel hingehalten wird) Oder am Besten wäre es selbst Blindnietmuttern zu setzen, wenn man sich die Finger bei der Montage nicht brechen will: ![]() |
||
|
||
|
Vielleicht eine wilde Anfrage, aber wenn ich für die Sole der Erdwärmebohrung nur reines Wasser/ Trinkwasser benutzen darf, spricht dann etwas dagegen mit zwei Dreivegeventilen eine Kombination aus "Hydraulikvanriante 1" und "Hydraulikvariante 6" zu bauen, so dass ich im Sommer die Sole effizient zum Entfeuchten nutzen kann, und im Winter mit dem Wintermodus die Luft aufwärmen? Im Endeffekt mischt man so immer etwas Wasser aus dem Tiefenkollektor mit dem Heizungswasser, doch soweit ich verstanden habe ist beides recht kalkfreies Trinkwasser, damit es in beiden Fällen keinen Niederschlag oder Korrosion gibt. Das würde zumindest etwas über die erhöhten Kosten (Man braucht dann mehr Bohrmeter um sicher frostfrei zu sein) der Bohrung hinwegtrösten :D ![]() |
||
|
||
|
Dann solltest du eher versuchen nur mit einem Kreis vom Heizsystem den HRDS an zu fahren. Fährst dann eh im Kühlmodus ca 18° und beim heizen naja halt auch im Mittel nur 25°. Bezweifle dass du damit großartig heizen wirst. Die beiden Systeme Sole und Heizung zu verbinden ist mMn keine gute Idee, auch wenn das Medium gleich ist. Zu viele Ventile und programmieren für Automatik. Zudem sind das 2 verschiden Kreisläufe und sollten es auch bleiben. Bi gespannt ob ich hierbei richtig liege. Meine Gedanken dazu |
||
|
||
|
danke @Akani für die schnelle Antwort, aber ich sehe das auch so. Das macht es unnötig kompliziert und bringt wenig. Beim HRDS+ ist die Wassertemp. für die Entfeuchtungsleistung nicht relevant, daher gleich Variante 1 machen, wenn Heizungs-Unterstützung im Winter gewünscht ist. Die Heizleistung ist dabei durch die üblicherweise geringen VL VL [Vorlauf]-Temperaturen doch eher begrenzt. Das sollte man eher als nettes Gimmick ansehen, dass den Komfort leicht erhöht. Viel Heizleistung bringt es wie gesagt aber nicht. Der "Nachteil" von Variante 1 ist nur, dass man die Umwälzpumpe und die Wärmepumpe fürs Entfeuchten zum Laufen/Kühlen bringen muss, sonst heizt das Gerät den Flächenkreis auf und wird nach einer Weile mit Hochdruckalarm abschalten. |
||
|
||
|
Danke für die erklärung👍 |
||
|
||
|
Wollte heute das HRDS verbauen (über Leitwolf) bestellt und musste feststellen, dass überhaupt keine Befestigungsmöglichkeiten mitgeliefert wurde. Nur so Gumminippel. Ist das normal? Dieses Gummideckenlager bekommt man natürlich in den Baumärkten bei uns nicht. Mit was wird das Gerät alternativ an die Decke befestigt? Das geht leider aus der Anleitung nicht wirklich hervor finde ich. |
||
|
||
|
mhh.. bin mir nicht sicher, was du hier meinst? Kannst ein Foto posten? Haben die Haltelaschen gefehlt? hier ist immer der Letztstand der Anleitung abgelegt: https://www.hejluft.at/downloads Flexible Gummiabhänger sind sehr gut. Im Baumarkt ist sowas aber eher schwer zu finden, stimmt. Aber einfache Gewindestangen mit Gummi-Unterlegscheiben reichen auch für eine Entkopplung. Es gibt zig Arten und Varianten, wie das ausgeführt sein kann. Nur eine ganz starre Montage sollte man schon vermeiden, sonst übertragen sich Geräusche und Vibrationen aufs Gebäude. |
||
|
||
|
Hab leider kein Foto gemacht, bin erst morgen wieder dort. Es sind jedenfalls so Gummi Teile die zur Entkopplung dienen, mir fehlt jedoch jegliches sonstiges Montagematerial. Keine Gewindestangen, Deckenanker oder sonstiges. Dachte eigentlich es kommt Montagematerial mit dem Gerät mit.. 😄 |
||
|
||
|
Man benötigt Stockschrauben in entsprechender Länge (wie für die Schellen zur Montage der Luftleitungen), Dübel, Muttern, Scheiben und die Gummientkoppler. Vom Gerätehersteller wird kein Befestigungsmaterial mitgeliefert. |
||
|
||
Leider ist auch nicht ganz klar wo die Gummipuffer hingehören, bzw. wie sie eingebaut werden. ist das so gedacht? |
||
|
||
|
So ist es richtig mit den Gummis. Gerät hängt ja von der Decke und unten kommt dann Unterlegscheibe mit Mutter. Dann steht das Gerät auf der Entkopplung. |
||
|
||
|
Der Gummi Puffer muss umgedreht werden, damit sich die Auflagefläche für die Scheibe unten befindet. Im Bild steht das Gerät am Kopf |
Beitrag schreiben / Werbung ausblenden?
Einloggen
Kostenlos registrieren [Mehr Infos]










