Stringplanung ohne Induktionsschleife - Seite 4
|
|
||
|
Vielen Dank! Morgen wird montiert, dann sehen wir mehr! GAK, geerdete Alurohre vom Dach runter, WR, Verteiler - unten ist alles bereit 🤩 |
||
|
||
Möchste am Wochenende meine PV installieren und bin Zwecks Planung jetzt auf diesen Thread gestoßen. Hab daraufhin mal kurz meinen Plan skizziert und wär über Verbesserungsvorschläge sehr dankbar. ![]() Die gelb durchsichtigen Panele sind Erweiterungsmöglichkeiten und werden aktuell noch nicht montiert. |
||
|
||
|
Damit ichs auch mal verstehe..... als Beispiel meine Ost/West Ausrichtung (nur West eingezeichnet): hier wäre eine Schleife übers ganze Dach: hier keine: |
||
|
||
|
das ist irgendwas aber kein Modulhopping ^^ Druck dir die Skizze aus uns zeichne den leitungsweg nach... Die Fläche welche ausgespannt wird, ist die Angfriffsfläche bei indirektem Blitzschlag |
||
|
||
|
@massiv50er - wie wäre denn dein Vorschlag für das 4x5 große Feld? Auch @sir0x hat ja immer ein Modul übersprungen, dreht um und kehrt so retour. |
||
|
||
|
Keine Sorge das ist module hopping ... aber die Module müssen reihenweise gespiegelt verlegt werden, damit sich das mit den Kabeln ausgeht. Bei Modul 9 ist ein Fehler, sonsts passt's. Über die Längsseite vom Modul geht sich das mit den normalen Anschlussleitungen nicht aus. |
||
|
||
|
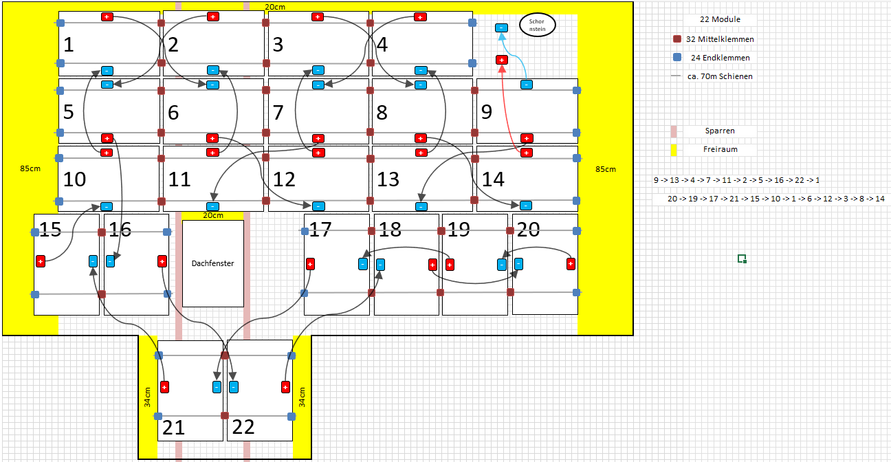
Hallo zusammen, ich verfolge u.a. das Forum schon eine ganze Weile und bin gerade dabei, meine Ost-West Anlage zu planen. Die Westseite ist schon relativ weit fortgeschritten, was den Stringplan angeht. Habe dafür viele Tipps aus diesem Forum versucht zu berücksichtigen. GGf. kann ja einer von Euch nochmal schauen, ob das so ok ist oder man etwas ändern sollte. |
||
|
||
|
schaut Induktionsschleifen mäßig gasnz okt aus... |
||
|
||
|
Passt gut. |
||
|
||
|
Guten Morgen zusammen, vielen Dank für die Rückmeldungen 😊🤙 |
||
|
||
|
Von mir noch die Rückmeldung weil sehr viel auf der kurzen Seite geklemmt wird - schau was dein Modul zulässt. Viele modernen GlasGlas Module lassen auf der kurzen Seite nur noch sehr wenig Schnee und Windlast zu. Und mit deinem Ziegelraster kommen die Klemmpunkte dann teilweise auch echt doof zum liegen.... Auch beim Dachfenster dass du den Sparren erwischt. Sonst brauchst du halt eine Sparrenbrücke. nehme an die hast eine Auslegung der UK Statik wenn du schon bei der Verstringung so gewissenhaft unterwegs bist?! |
||
|
||
|
Erstmal ein großes Hallo in die Experten und solche, die es versuchen zu werden, Runde 😌 - großes Lob an Alle die hier Hilfe leisten. Porjekt: zwei Strings mit je 13 Modulen (Suntech STP440S-C54/Nshtb+), alle in Richtung Süd mit 20 grad Aufständerung ausgerichtet. Ziel die Verkabelung möglichst effizient und ohne Schleifenbildung zu verlegen!!! (die Solarpanelle in der Mitte, liegen komplett flach). So, nun direkt zu meinem Anliegen. Nachdem mir mein Lieferant der PV Module ein Vorschlag zur Stringbildung bzw. Verschaltug der Module vorgelegt hat, bei dem eine Rückleiter zum Einsatz kommen soll um das Induktionsproblem zu senken, habe ich mich mit dem Thema seit Anfang der Woche befasst und hier in eurem Forum fündig geworden. Ich habe versucht das Erlernte mal selber umzusetzen, bin mir aber nicht sicher ob ich das Richtig umsetze. Können die Experten einen Blick draufwerfen ob das Ergebnis richtig ist - für eine schnelle Antwort schon mal ein Dank im Voraus. ![]() gestrichelte Linie, soll den Weg zurück darstellen. Die Kontakte am Modul sind genau wie eingezeichnet. Hoffe ich kann das so verlegen. Wäre eine Verlängerung zwischen den Modulen problematisch, wenn es mal mit dem Originalkabel zwischen Modul zu Modul zu knapp wird? Danke und bin gespannt.😬 |
||
|
||
|
Die Verdrahtung ist sehr gut, aber ich fürchte die Anschlusskabel gehen sich über die lange Seite eher nicht aus, wenn du überall stückeln musst, ist das gar nicht ideal, das werden dann ja doppelt so viele Steckverbindungen. Das sollte man vorher klären, sonst wird es wohl auch eine Verdrahtungslösung über die kurze Seite geben. |
||
|
||
Geh beim ersten Modul mit + rein und folge dann in Schlangenlinien bis zum letzten Modul. Die Rückleitung legst du parallel dazu und schließt diese dann am letzten Modul an. ![]() |
||
|
||
|
Ja, werde versuche es im Testaufbau zu klären. |
||
|
||
|
Soll dieser Voschlag mit einem Rückleiter (extra Kabel )? vom Modul 11 zurück realisiert werden? Wenn ja, diese Variante wollte ich ja vermeiden. |
||
|
||
|
Dann würde ich aber die Kabellängen der Module abklären. Laut Datenblatt sind die 24(-) und 16(+), da müsstest du für deinen Plan bei jeden Modul eine Verlängerung vorsehen. Meine Erfahrung ist das mit der "X" Verkabelung später jede Fehlersuche und Wartung sehr mühsam ist. Die Kabel gehen sich gerade so aus und es ist sehr mühsam ein einzelnes Modul umzubauen. Je nach Aufbau deiner UK ist das ggf nicht so tragisch, bei 20 Grad kommst du ggf ja schon von unten ran. |
||
|
||
|
Die ist immer mit der Thermographie einfacher, weil Serienschaltung ist Serienschaltung. Aber es stimmt sicher, dass man beim 'module hopping' mehr aufpassen muss. Mir ist es selbst beim Aufbau mal passiert, dass ich einen Teilstring kurzgeschlossen habe. |
||
|
||
|
Hallo, ich habe meine Anlage schon aufs Dach gebaut, jedoch habe ich die Induktionsschleifen nicht bedacht. Das muss ich laut Elektriker noch ändern. Spricht irgendwas gegen Variante 1 ausser die lange Leitung? Variante 2 wäre vermutlich besser aber auch aufwendiger ( Kabel verlängern..., jedes 2 Modul umdrehen). ![]() Danke |
||
|
||
|
Ja, dass die Modulleitungen möglicherweise zu lang sind und die Überlänge zwischen den Modulen irgendwie sicher befestigt werden muss. Aber wenn schon alles drauf ist, hast du das vermutlich schon erledigt. Die lange Leitung ist nicht so tragisch, da fließt nicht soo viel Strom drüber. |
||
|
||
|
Die Leitungen kann ich mit Clips am Rand der Module befestigen so dass sie nicht auf dem Dach aufliegen. |
Beitrag schreiben / Werbung ausblenden?
Einloggen
Kostenlos registrieren [Mehr Infos]









