RGK Entscheidungshilfe SoleWasser WP - Seite 2
|
|
||
|
All zu viele andere alternativen habe ich ja sowieso nicht, da ich 1x400 Da40 verelgt habe. Nächste Woche kommt ein Installateur der Heliotherm verbaut und einer der IDM verbaut. Bin schon gespannt was die beiden anbieten. Wisst ihr, ob von NIBE heuer noch etwas kommt? @wuschi, hast du auch passives Kühöen bei dir umgesetzt? GLG Daniel |
||
|
||
|
Nein, weil ich habe heizkörper. Mach ich wahrscheinlich im zuge vom umbau nächstes/übernächstes jahr. Hab das thema sole-pumpe bei der knv 1156 nicht so intensiv verfolgt, aber ich glaube man kann die auch mit stärkerer pumpe bestellen |
||
|
||
|
kommt meiner info nach mit dem nächsten update. da werden bei der Premium und der Plus serie jetzt 2 reglerfamilien verheiratet. bisher gab es die eigenentwicklung in D und die Thermia entwicklung in S. künftig wird S das sole kompetenzzentrum. das harmonisieren&integrieren der schwedischen tochter benötigt noch etwas geduld. ich bin aber überzeugt daß das ergebnis sehr gut wird weil ich einige der leute die dort werken kenne und meine jetons auf sie setzen würde... |
||
|
||
|
Hallo! Vorab jedenfalls mal danke für eure Planung des RGK RGK [Ringgrabenkollektor]! D.h die 7.1 würdest du für unser Projekt als gutes Konzept sehen? Oder meinst du, dass die nächste Generation erst ein super Gesamtpaket sein wird?? Mit dem von mir ermittelten Volumenstrom müsste auch ein Betrieb ohne Pufferspeicher gut möglich sein, oder? Dankeschön! GLG Daniel |
||
|
||
|
Ich bin sicher, das bezieht sich auf softwareupdate. Ich habe auch keine Zweifel, dass solche kommen, aber die auslieferungssoftware war ein schlechter witz. Sowas darf nicht in den Verkauf kommen. Level HTL Projektarbeit vor der ersten Durchsicht des betreuungslehreres... Bei mit gibts allerdings auch noch andere Probleme, wobei man noch nicht drauf gekommen ist, was da los ist. Ich habe auch andere nutzer aus fem forum kontaktiert und niemand hat diese Probleme, die ich anfangs auch auf die software geschoben habe. Ich bin also extrem genervt von dem ding und vielleicht nicht repräsentativ. Aber ich hoffe stiebel findet den fehler, denn an sich ist es vorallem auch zubdem preis, ein stimmiges gesamtpaket. Um auch mal was positives zu schreiben:
Mit deinem volumenstrom müsstest du auskommen und wahrscheinlich schaffst du auch noch mehr. Bei mir waren EG und OG vorher zwei kreise mit eigener pumpe. Ich habe mit Ultraschll-Durchflussmessung gemessen und im EG ca 400 L/h und im OG 700 L/h gehabt. Mit der WP WP [Wärmepumpe] werden die beiden kreise jetzt über die interne pumpe beschickt und einfach über t-stück aufgeteilt bzw. wieder zusammengefasst. Nach einigen wochen Betrieb habe ich noch einen tacosetter in einen kreis einbauen lassen um es besser abzugleichen. Jetzt fahre ich im EG ca 1000 L/h und OG 480 L/h -> 4K spreizung bei vollgas mit max. 41 °C vorlauf an Radiatoren |
||
|
||
|
Grüß euch! Vielen Dank für die ausführlichen Berichte! Diese und nächste Woche kommen insgesamt 3 Installateure um sich die bauliche Situation anzusehen (1x Stiebel Eltron, 1x IDM, 1x Heliotherm). Soweit das im Forum erlaubt ist, würde ich dann ohne Firmeninfos die Angebote hier teilen. Denke, dass die Infos am Angebot auch sicher für andere interessant sein könnten. Und ich freue mich natürlich über euer Feedback zu den Angeboten! GLG Daniel |
||
|
||
|
In deinem Sinne ist das sogar erwünscht. 🤣 (Anonymisiert natürlich.) |
||
|
||
|
ich sehe sie als führendes preis/leistungspaket. die premium-serie ist (noch) voraus. R454 wäre für mich kein negativer aspekt. solewärmepumpen haben sehr kompakte kältekreise und keinen temperaturstress. ich kenne da keine leckagen. wenn man heute (noch) eine R454 maschine kauft wird man sie bis an ihr lebenszyklusende betreiben können. die R290 maschinene sind die zukunft. die integration auf reglerebene hat sich sicher auch durch die branchenkrise verzögert. vorletztes jahr hatte D einen markteinbruch wg förderumstellung, A im letzten jahr. in D wurden viele stellen abgebaut bzw kurzgearbeitet und entwicklungsprogramme pausiert. A hat da ein bissl drunter gelitten. dein volumenstrom ist perfekt. 10K ist das mindestkriterium für wp an heizkörpern, 7K ein sweetspot und dort bist du... 👍 das wird ja dann ein richtiger technologievergleich, 3 unterschiedliche ansätze zur R290 integration. freu mich schon auf den bericht und hab schon so einen verdacht wer ihn hydraulisch verlieren wird... wenn du mit heizkörpern direkt heizen willst mußt du dem installateur den freien durchfluß nachweisen. das geht indem du die heizkörpergriffe demontierst (damit sie bsplw die kinder nicht beim spielen zudrehen können); ansonsten muß man ein überströmventil als bypaß setzen daß im theoretischen notfall (= alle kreise zugedreht) aufmacht... |
||
|
||
|
Kannst du das bitte genauer ausführen? Warum is 7K der sweetspot? Wäre 7K einer kleinerem Spreizungen vorzuziehen, wenn ja worum? Ich habe, wie gesagt bei Vollgas ca. 4K. Vorallem weil ich zwei Kreise mit einer UWP beschicke und ein Kreis viel mehr Wäre benötigt und dabei nur DN20 Ringleitung hat, während der andere Kreis DN25 hat und weniger Wärme benötigt. Habe die UWP auf 80% und mittels Taccosetter den DN25-Kreis auf 8 L/min gedrosselt. Die Spreizungen der einzelnen Kreise kenne ich gar nicht. Eventuell den einen Kreis noch stärker drosseln? Wie viel Durchfluss sollte eine Zweirohr-Kreis mit 10 Heizkörpern denn etwa haben? |
||
|
||
|
hydrauliken sind sehr individuell, aber immer eine wechselwirkung zwischen aufwand (pumpenleistung) und nutzen (spreizung). nachdem wir volumenströme kaum messen können schaut man immer auf die spreizung als kehrwert. schaut man theoretisch nur auf die wärmepumpe kommt es darauf an ob einstoffkältemittel oder gemisch, prinzipiell gilt minimale spreizungen. rechnet man die umwälzpumpe (exponentieller kubischer anstieg elektrische aufnahme für volumenstrom) dazu verschiebt sich das optimum weg von der nullspreizung. maximaler faustwert für wärmepumpen ist 10K damit man noch im komfortfenster der maschine liegt. vor 15 jahren war das noch der normprüfpunkt W35/25 bzw W50/40. wenn deine hydraulik bei vollgas 4K spreizung hergibt, dann würde ich das optimum bsplw bei 6K suchen. was hast du denn bei 80% für eine gesamtspreizung ab wp? |
||
|
||
|
Die 4K sind an der WP WP [Wärmepumpe], für die beiden Kreise kenne ich die Spreizungen nicht. Da sind noch die alten Bimetallthermometer bis 120°C verbaut und teilweise klemmen die auch. Also sinnlos da eine Spreizungen abzulesen. Ich zweifle aber auch ob man im Bereich von ca 5K Differenz Bimetallthermometer sinnvoll ablesen kann, auch wenn dienur bis 60°C gehen... |
||
|
||
|
dann hast du eine tolle hydraulik und dank knapper wp keine kuhschwanzheizung mit deinen heizkörpern... 🐄 man könnte richtung 6K feinpolieren, wenn du nach vl regelst wirst du dann ev die heizkurve um einen klick raufschieben müssen... |
||
|
||
|
Grüß euch! Freut mich, dass wieder ein bisschen Leben in den Forumsbeitrag hier gekommen ist! Danke für das Feedback! Warum meinst du, dass die Premium Version noch etwas die Nase vorne hat? Wofür würdest du dich derzeit entscheiden? die 7.1 mit R290 oder die HK8 mit R454? Heute war der IDM Installateur da um sich vor Ort ein Bild zu machen. Jedenfalls bietet er nur in Kombination mit pufer 600l und Frischwasser Station. Von einem normalen 300l Warmwasser ohne zusätzlichen Puffer sieht er ab. ZUSÄTZLICH eine E Patrone, damit wir den überschüssigen PV-Strom im Wärme tauschen können. Zusätzlich möchte er mir unbedingt eine Enthärtungaanlage mit anbieten. Insgesamt wirkte es ein wenig, also möchte man unbedingt "die volle Förderung ausnutzen". Wenn auch er sich bereits sicher ist, dass das auch ohne Enthärtungaanlage ganz sicher der Fall sein wird. Mir persönlich wäre ja auch einfach lieber, wenn im Zweifel die Förderung nicht ganz ausgeschöpft wird, weil das System einfach, kompakt mit wenigen Komponenten funktioniert. Das das natürlich nicht im Sinne des Installateurs ist, ist mir auch klar, trotzdem schade das hier so wenig auf die wünsche des potentiellen Kunden eingegangen wird. So oderso bin ich dann Mal auf das Angebot gespannt. Vergangene Woche war außerdem ein anderer Installateur (hauptsächlich Vaillant) hier, welcher Puffer und Warmwasser Speicher verbauen würde. Auch hier wiederum keine Möglichkeit, um um den Pufferspeicher herumzukommen. Das Angebot lege ich anonymisiert bei, jedenfalls interssant, dass die Summe nahe der maximalen fördersumme ist. Angemerkt sei noch, dass hier noch die Elektrikerkosten hinzukommen würden. Liebe Grüße Daniel |
||
|
||
|
Dann vergiss die zwei gleich. Such dir einen "herr der ringe" und oder lege dem Installateur das schema ohne puffer vor. Findest du vorallem bei stiebel ganz einfach hier: https://www.stiebel-eltron.de/toolbox/hydraulik/ Du kannst auch eine Beratung bei stiebel buchen und die vermitteln dir wen in der Gegend der das dann auch nach ihrem (=deinen) Vorgaben baut. Wenn dein wunsch ohne puffer ist und stiebel das bei der Beratung absegnet, gibt es füt niemanden einen grund das zu verweigern. "Das will ich, was soll das kosten?" Wenn er die Arbeitszeit nicht braucht, bauts halt ein anderer. Übrigens kann dir das jeder konzessionsinhaber einbauen, die Inbetriebnahme macht stiebel selbst. Bei mir hats eine kleine sanitärbude aus der nachbarortschaft eingebaut, alles nach meinen vorgaben... |
||
|
||
|
wenn der pufferspeicher NUR fürs warmwasser genutzt wird eine sehr gute lösung. wenn der auch für den heizkreis verwurschtet wird weniger... dann ist er im kesselzeitalter stecken geblieben. einen heizstab neben der wärmepumpe einbauen, stromheizung neben stromveredelungsmaschine...das ist 🤪🤬😤 der bedarf begrenzt den nutzen, was will er denn? den speicher auf 1000° aufheizen? du kannst mit pv kopplung (zeitprogramm) jeden tag im sommerhalbjahr dein warmwasser autark & gratis machen? wie groß ist dann nochmals das einsparpotential gegenüber gratis? was sollst du denn mit dem vielen heißen wasser im sommer machen? verkaufen? einspeisen? eine künstlichen geysir anlegen? nein, nein ich reg mich eh nicht auf...😤 habt ihr das auf technischer ebene besprochen? mindestvolumenstrom sicherstellen? Stiebel ist da sehr offen, ich habe im letzten jahr einen alten bauernhof mit RGK RGK [Ringgrabenkollektor] umgesetzt, da sind wir mit der überdimensionierten (es kommt irgendwann noch ein haus dazu...) 33kw maschine direkt auf heizkörper gefahren. mit Stiebel hydraulikschema. sie hatten dazu selber ausgerechnet daß ihnen der pufferspeicher keine halbe stunde laufzeitverlängerung bringt... wenns Stiebel werden soll kann ich dich da auch unterstützen daß du nicht nur bei der quelle eine gute hydraulik bekommst. wir haben da schon mehere schemen zur direkten heizkreisbeladung bzw mit reihenspeicher erarbeitet. ein auszug aus dem planungshandbuch... ![]() |
||
|
||
|
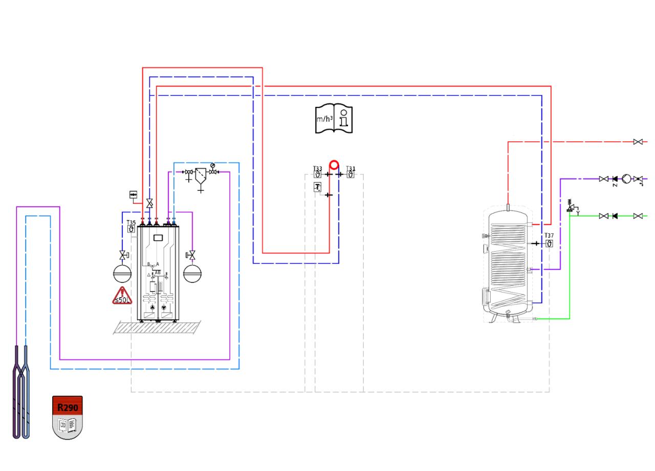
Hallo poelzldan, hier gibt es dazu Erfahrungen und Preise: RGK Entscheidungshilfe SoleWasser WP |
||
|
||
|
Grüß euch! Montag kommt der Stiebel Eltron Installateur, ich werde dann gleich wie von euch empfohlen auch das Hydraulik Schema herzeigen, welches auf die Homepage einsehbar ist. Meines Erachtens sollte dieses Schema ja klappen? Bei den anderen werde ich nochmal nachfragen, was gegen eine solche Lösung sprechen würde oder ob sie gewillt sind das so umzusetzen. Die Heizkörper Ventile demontieren wäre grundsätzlich kein problem, da wir im Grunde nur im Schlafzimmer beim schlafen abdrehen, der Rest ist immer voll offen, damit wir mit 45 Grad VL VL [Vorlauf] auskommen. Als Warmwasserspeicher dachte ich an den Warmwasserspeicher SBB 302 WP WP [Wärmepumpe] vom Stiebel, der hat 4,8m2 Wärmeübertrager Fläche. In der 300l Klasse wäre mir nichts besser aufgefallen, oder? Ich habe heute nochmal eine Volumenstrom Berechnung gemacht bei dem milden Temperaturen als Vergleich. 10:00 36,7 °C 33,0 °C 16:00 34,3 °C 30,9 °C Außentemperatur 7 → 10 °C Heizleistung ≈ 2,8 kW ΔT ≈ 3,6 K Volumenstrom ≈ 0,69 m³/h GLG Daniel |
||
|
||
|
Das Schema, genau. Typ33 Heizkörper sind sicher eine gute Idee. Es gibt auch Anschlussventile mit besonders kleinem Widerstand. Wäre eine Überlegung wert, wenn die Heizkörper getauscht werden. Generell würde ich empfehlen die Ventile alle zu tauschen, auch wenn die Typ22 bleiben - bei mir sind einige undicht gewesen und jetzt schon wieder eines... https://climatecontrol.imiplc.com/de-at/produkt/mit-besonders-geringem-widerstand Der WW WW [Warmwasser]-Speicher ist sicher top. Wegen deiner Deckenhöhe muss du schaun, wie sich das ausgeht. Ich glaube da wird nach oben doe Schutzanode ausgebaut, die theoretisch irgendwann getauscht werden muss. (Macht das wirklich jemand?) "Thermosyphon" am WW WW [Warmwasser]-Abgang nicht vergessen! Wenns so weit ist lieber 2 mal zu oft erinnern, dass der Installateur das machen soll. Die große Tauscherfläche ist nicht unbedingt notwendig. Das "Unschöne" beim SBB ist, dass der Tauscher bis ganz oben geht und daher den oberen Teil des Speichers abkühlt, solange der Vorlauf beim Laden nicht höher ist als die Temperatur oben im Speicher. Ich habe diesem Speicher und kann das auch beobachten, aber da geht der Tauscher nicht so weit hoch, daher hat es auf die letzten 50 Liter oder so keine Einfluss. Ist aber eventuell ein recht theoretisches Problem... https://www.heizprofishop.at/Thermic-Energy-Waermepumpenspeicher-300L Bei der R290-Stiebel musst du mit einem Lüftungsrohr nach draußen und 1m Abstand zu Fenstern einhalten (oder Fenster geschlossen halten). Hast du das ams Schirm? |
||
|
||
|
Grüß euch, Das hab ich am Schirm, es gibt ohnehin von der alten Gastherme eine Lüftungsöffnung nach aussen! Die Stiebel Eltron Installateur war gerade da, insgesamt bis dato das beste Gespräch. Pufferfreie Lösung laut Ihm durchaus möglich. Konkret hat er mir diese drei Möglichkeiten angeboten:
Die letzten beiden bekomme ich als Angebot. Auch die Lösung könnte ich mir vorstellen. Immer Sommer wäre die Abkühlung im Keller sicher kein Nachteil, auch die Trocknung der Luft würde dem alten Haus sicherlich nicht schaden. Fraglich ist für mich wie sehr der Keller im Winter (unbeheizt und keine Dämmung in Richtung EG wegen niedriger Decken) dann noch kühler wird. (Diesen Winter rund 10 Grad im Keller). Genau anschauen müsste ich mir noch einen Effizienzvergleich, wobei natürlich im Winter die Luft im Keller wärmer sein wird als die Sole aus dem RGK RGK [Ringgrabenkollektor]. Fagloch für mich auch, ob die lange standzeit für die Solemaschine im Sommer überhaupt gut ist? Wie seht ihr das? Würdet ihr eine normalen Warmwasserspeicher oder die SoleWP+Brauchwasserwp bevorzugen? Preislich meinte er, dass sich beides nicht all zu viel schenkt, wobei der der normale Warmwasserspeicher zumindest laut dem www rund 1000,- billiger ist. GLG Daniel |
||
|
||
|
Gerade da wäre ich vorsichtig. Meine Schwiegereltern haben eine BWWP und kühlen damit die Wände vom Technikraum so weit aus, dass sie außen (im wärmeren Bereich) Schimmel haben. Wird immer wieder erwähnt, dass der WP WP [Wärmepumpe] ein bisschen Bewegung einmal am Tag eher nützt als schadet. So wie bei einem Auto, das ja auch nicht monatelang stehen soll. Und noch ein Grund 🙂 |
||
|
||
|
Die warme Luft heizt du ja auch mit Energie aus dem RGK RGK [Ringgrabenkollektor] auf, du hast dann einfach nur zwei WP WP [Wärmepumpe] hintereinandergeschaltet. |
||
|
||
|
Die abkühlung durch BWWP ist nicht zu unterschätzen. Meine eltern haben auch eine. Ideal wäre eine seperate kleine BWWP mit sole. Das ist eine echte marktlücke für WP WP [Wärmepumpe]-umrüstung im altbau mit Heizkörpern. Die stehtzeit beim WW WW [Warmwasser] merken die damen im haus sofort und eine stunde kann man danach schon rechnen bis der soll-vl wieder erreicht wird. |
Beitrag schreiben / Werbung ausblenden?
Einloggen
Kostenlos registrieren [Mehr Infos]





