Sommer/Entfeuchtung per KWL - Sammlung DIY-Ideen & fertige Produkte - Seite 15
|
|
||
|
sehr spannend, freu mich schon auf weitere infos... |
||
|
||
|
Bei mir wird in absehbarer zeit die WP WP [Wärmepumpe] eingebaut. Beim weiteren Umbau in ca. 2 jahren möchte ich dann eine KWL KWL [Kontrollierte Wohnraumlüftung] nachrüsten und finde die möglichkeit zu entfeuchten sehr ansprechend. Da die WP WP [Wärmepumpe] am Grundwasser hängt, sollte auch reichlich delta T vorhanden sein um wirkungsvoll zu emtfeuchten. Ich möchte auf der soleseite (zwischenkreis) schon mal alles vorbereiten um dann eine Lüftungsgerät anzuschließen. Also einfach t-stücke mit absperrung in VL VL [Vorlauf] und RL RL [Rücklauf] einbauen lassen, richtig? Da die geräte deckenmontiert sind, werde ich auf die beliebte sole-vase verzichten und gleich klassisch mit MAG bauen lassen |
||
|
||
|
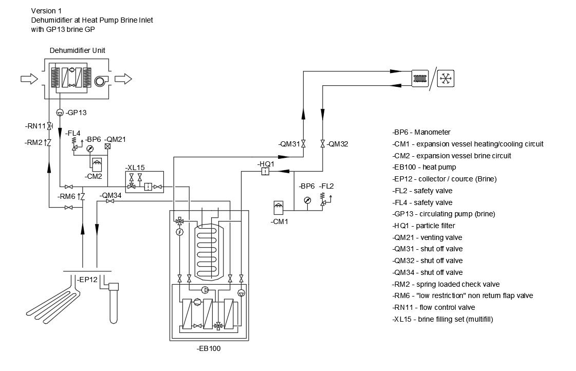
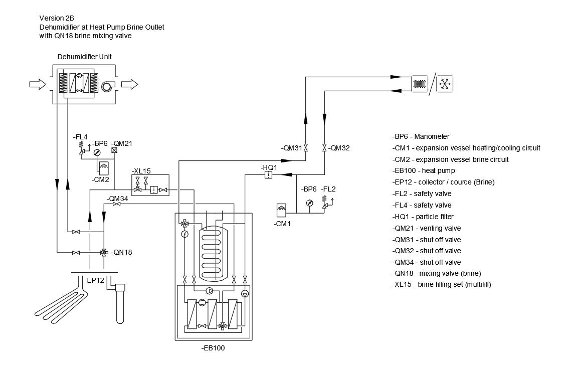
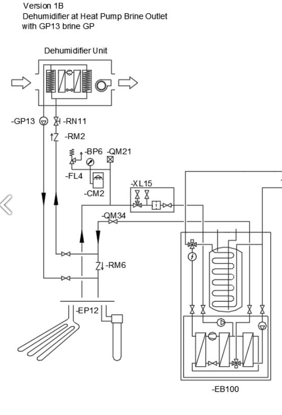
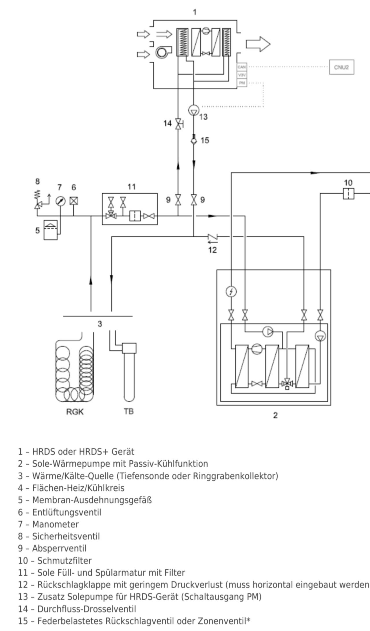
nein, so geht es nicht, dann würdest du das Entfeuchtungsmodul parallel zur Kältequelle setzen. Es muss stattdessen in Serie geschalten sein. Wenn die Quelle kalt genug ist, dann kann das VOR der WP WP [Wärmepumpe] passieren: Hier wird ein Teil der Sole erstmal durch den Entfeuchter geleitet und dort erwärmt und fließt dann durch die WP WP [Wärmepumpe]. Das kann bei DWF und HRDS Geräten sinnvoll sein, weil die bringen bessere Leistung mit kälterer Sole-Temp. Durch das Aufwärmen der Sole bleibt aber etwas weniger Kühlleistung für die Flächenkühlung übrig. Diese Variante ist somit eher nur für Tiefenbohrungen, Grundwasser oder kalte, großzügige Quellen zu empfehlen. Hydraulik Version 1: Eingebunden wie ein Nibe FLM Modul. Also mit einer zusätzlichen kleinen Solepumpe und einem Rückschlagventil: (Info: diese Variante ist mittlerweile auch schon von KNV freigegen worden) So kann die Entfeuchtung komplett unabhängig angesteuert werden. Einfach bei Entfeuchtungs-Bedarf die Zusatzpumpe einschalten. Hydraulik Version 1b: Wenn die Kühlleistung Vorrang haben muss, kann das Entfeuchtungsmodul stattdessen auf der Sole-Auslass-Seite platziert werden. Das bietet sich auch bei HRDS+ Geräten an, weil hier die Sole-Temperatur für den Entfeuchtungsvorgang quasi egal ist. Hydraulik Version 2: Weil Zusatz-Solepumpe und Rückschlagventil auch Geld kosten und das System komplizierter machen, gibt es auch eine Variante ohne Zusatzpumpe, nur mit einem stetigem 0-10V Mischerventil. Dies ist allerdings keine unkritische Lösung. Hier muss der Mischer extern geregelt werden. Und zwar muss dieser beim Entfeuchtungs-Vorgang auf eine vordefinierte min. Stellung öffnen, um den min. Durchsatz durch den Entfeuchter zu gewährleisten. Der Mischer darf aber nicht voll öffnen, um nicht den Sole-Durchsatz durch die WP WP [Wärmepumpe] zu sehr zu drosseln. Es müssten bei der Inbetriebnahme diese min. und max. Mischerstellungen festgelegt werden. Dazwischen darf man sich bewegen und so die Entfeuchtungs bzw. Kühlleistung regeln. UND: die Wärmepumpe muss die Möglichkeit bieten, die interne Sole-Pumpe auf Knopfdruck erzwingen/aktivieren zu können. (z.B. Aux-Eingang oder Modbus) Also kurz um: im Grunde die "simplere" Lösung seitens Hardware, allerdings nur für Leute zu empfehlen, die auch wissen was sie tun! Hydraulik Version 2b: gleiche Variante, nur auf der Sole-Auslass-Seite platziert: Hydraulik Version 3: Alternativ zur Sole-Seite, kann das Entfeuchtungsmodul auch auf der Heiz/Kühlkreis Seite platziert sein. Für LWP LWP [Luftwärmepumpe] geht es natürlich nur mit dieser Variante. Das hat den Vorteil, dass das Entfeuchtungsmodul im Winter auch zur Heizungsunterstützung eingesetzt werden kann. (warmes Heizwasser wird durch die Register geleitet und erwärmt die KWL KWL [Kontrollierte Wohnraumlüftung]-Zuluft) Nachteil: während WW WW [Warmwasser]-Bereitung ist hier kein Entfeuchten möglich, (weil kein kühler Wasserdurchsatz durchs Modul gegeben ist)
|
||
|
||
|
Wenn die Solepumpe der WP WP [Wärmepumpe] nicht extern angesteuert werden kann, dann ist verständlicherweise die zusätzliche Pumpe notwenig. Aber kann hier die Abzweigung serial eingebunden werden? Was ist wenn die Wärmepume nicht läuft? ![]() |
||
|
||
|
ja, das funktioniert so. Wenn die WP WP [Wärmepumpe] aus ist und die externe Pumpe eingeschalten wird, gibt es trotzdem Sole-Durchfluss durch die WP WP [Wärmepumpe]. Die interne WP WP [Wärmepumpe] Solepumpe ist dann einfach nur ein leichter Druckverlust im Gesamt-Solekreis. Dem Gesamt-Durchfluss tut das aber nicht weh, den muss dann halt die Zusatzpumpe alleine stemmen. Laufen beide Pumpen gleichzeitig, ist das eine Reihenschaltung der Pumpen und der Durchsatz entsprechend erhöht. Die WP WP [Wärmepumpe] stört das nicht, wenn intern (ungenutzter) Soledurchsatz vorhanden ist. Ist aber ein guter Punkt bzw eine gute Frage, danke! BTW: Auch sind wir gerade dabei, all die Hydraulikvarianten nochmal genauer zu beleuchten und mit Installateuren zu besprechen. Es soll die Variantenvielfalt etwas reduziert werden und dann ins Installationshandbuch kommen. Eine Varianten-Idee ist dabei: WENN eh schon eine externe Zusatzpumpe verbaut wird, kann das Entfeuchtungsmodul auch parallel zur WP WP [Wärmepumpe] im Solekreis installiert werden: ![]() das hatten wir ursprünglich gar nicht am Schirm, weil die Hydrauliken an die Einbindung vom Nibe-FLM Modul angelehnt waren, und da keine Parallelschaltung vorkommt. Aber das wäre trotzdem eine gute Variante. Vorteil: Entfeuchter sowie Flächenkühlung werden immer gleichermaßen mit kühler Sole versorgt Nachteil: die Zusatz-Solepumpe muss auf niedriger Stufe laufen, oder muss leicht eingedrosselt werden, sonst könnte diese etwas vom WP WP [Wärmepumpe]-Soledurchsatz "abgraben" und diesen verhungern lassen. Also wenn möglich, eine geringe Drehzahlstufe wählen, oder eben ein Drosselventil setzen. Bei der Reihenschaltung, ists hingegen halt min. leichter, weil da sowas nicht beachtet werden muss. Einfach irgendeine Pumpe rein und gut, klappt. Ansonsten ist die parallele Variante aber eigentlich ziemlich gut, oder? Was meint ihr? Wäre auch über Forums-Meinungen dazu froh. Dann könnten wir z.B. bei der Version mit Zusatzpumpe, die Reihen-Schaltungen auf Sole-Ein/Aus im Handbuch weg-rationalisieren. |
||
|
||
|
Die heutigen modernen Heizungspumpen können sowohl Konstantdruck, als auch Konstantvolumenstrom regeln. Wichtig wäre daher den erforderlichen Volumenstrom durch eine Konstantvolumenstromregelung zu realisieren und nicht durch Konstantdruck, wie bei Heizungsystemen mit Stellventilen üblich. |
||
|
||
|
Hallo, ich kann zur Diskussion nichts beitragen, finde aber die Entwicklungen spannend und fühle mich nun bzgl. unangenehm feuchte Luft nun vorgewarnt. Bei mir entsteht gerade noch das 2. von 3 Geschossen, also noch könnte ich reagieren, deshalb ein paar Basic-Fragen. Ich plane eine BKA BKA [Betonkernaktivierung] zum Kühlen ein sowie einen hoffentlich ausreichend überdimensionierten RGK RGK [Ringgrabenkollektor] in 1,90m Tiefe.
|
||
|
||
|
ja, ist schon ein Thema. Ein Enthalpietauscher hilft die Befeuchtung im Hochsommer einzubremsen. Entfeuchten selbst kann er aber nicht. In der Übergangszeit ist es mit Enthalpie üblicherweise auch feuchter im Haus als mit Std. Tauscher. Gibt viele Erfahrungsberichte, Tests und Messwerte dazu im Forum verteilt. Dazu gibt es verschiedene Anschlussadapter: Um auf 160mm zu kommen, müsste noch eine handelsübliche Reduzierung gesetzt werden. (z.B. Lindab RCFU) Es gibt auch Schalldämpfer, die dazwischen gebaut werden können. Das benötigt dann aber schon einiges an Platz: Der Schalldämpfer-Einsatz kann aber auch mit dem Plenum-Anschluss-Deckel kombiniert werden und damit ein kürzeres Schalldämpfer/Kombi-Plenum gebaut werden. Das ist zwar nicht so ab Werk vorgesehen, passt aber trotzdem: Es muss dann nur am Gehäuse-Anschluss mit Gewindestiften und Muttern gearbeitet werden, weil dann die Blindmuttern am entsprechenden Anschluss fehlen. Oder selbst Blindnieten setzen: grundsätzlich möglich. Strömungstechnisch über die Geschosse aber sicher nicht ideal. Könnte nicht evtl. eine Leitung zumindest bis in den Vorraum gezogen werden? Da gibt es oft das Treppenhaus, was ein guter zentraler Punkt für die Umluft-Absaugung wäre. Wir haben das auch so bei uns eingeplant: so ist dann auch noch Platz für einen großen Luftfilterkasten, (dann muss der interne Filter nicht genutzt werden) und einen Schalldämpfer Alternativ gibt es auch die Varianten ohne Umluft. Oder die günstigeren DWF-Geräte. ja, das Entfeuchtungsmodul wird dauerhaft durchströmt. Druckverlust ist bis zu den Nenndurchsätzen relativ klein und vertretbar und bedeuten Regel nur so ca. 2-4W mehr an Leistungsbedarf vom Lüftungsgerät. Der Druckverlust ist in den Datenblättern angegeben. wir haben bei uns auch V2, das geht allerdings nur mit externer Regelung des Mischventils. Bei der Nibe kann die Sole-Pumpe per Aux-In Schalteingang oder per Modbus erzwungen werden. Bei der Stiebel wissen wir es noch nicht so genau. Hier warten wir noch auf Rückmeldungen/Bestätigungen ob es geht. Wo sind die Stiebel-User hier??? Könnt ihr die Sole-Pumpe erwingen? bitte um Rückmeldung/Hilfe Wenn das Entfeuchtungsmodul im Sole-Kreis integriert wird, kann es im Winter nicht zum Mitheizen verwendet werden. Weil dann fließt ja kein warmes Heizwasser durch die Register. Aber es kann dann, wenn gewünscht, kalte Sole durchgeleitet werden. Wir haben das selbst auch mit Sole umgesetzt, und nutzen dies im Winter zur Zuluftkühlung, wenn die Räume mal von der Sonne überhitzt wurden. (ist ein angenehmes Gimmick, aber auch hierfür ist eine externe Regelung/Logik notwendig) Es soll nur ein Teil des Volumenstroms abgezeigt werden, und durch den Entfeuchter geleitet werden. Wenn auf der Heizkreisseite eingebunden, kann das Wasser auch dauerhaft durchgeleitet werden. Dann unterstützt die Lüftung im Sommer beim Kühlen, und im Winter beim Heizen. Kann aber auch bedarfsgerecht, z.B. nur beim Entfeuchten durchströmt werden. Wenn hingegen auf der Sole-Seite eingebunden, MUSS der Durchsatz aber absperrbar sein. Sonst würde die Zuluft im Winter dauerhaft gekühlt werden.
|
||
|
||
|
Danke für die ausführliche Beantwortung der Fragen @Murphy08! Verstehe ich es richtig, dass der Wärmetauscher bei nicht Betrieb des Gerätes nicht umgangen wird? Also einen Sommerbypass gibt es nicht und damit wird auch im Sommer die Zuluft erwärmt sofern das Gerät nicht gerade kühlt? |
||
|
||
|
im Sommer ist das Wasser im Heiz/kühlkreis durch die (z.b. passive) Kühlung ja kühl. Sagen wir so ~19-21C.
damit wird die Zuluft dann gekühlt und nicht geheizt. Allerdings nur wenn man das so will. Ob Durchfluss im Entfeuchterkreis vorhanden ist oder nicht, kann eingestellt werden. Es kann dazu eine eigene Pumpe und/oder ein Zonenventil angesteuert werden. Damit kann man selbst einstellen/kontrollieren ob die Lüftung mitkühlen soll oder nicht. (oder im Winter mitheizen soll, wenn auf der Heizkreisseite integriert)
|
||
|
||
|
Macht die HRDS+ bei nicht gedämmten Luftleitungen Sinn? Oder eher zur Standard HRDS greifen? Gibts Möglichkeiten die Lufttemperatur im Ausgang zu überwachen/regeln? |
||
|
||
|
HRDS+ ist dem HRDS technisch IMMER vorzuziehen. Die Kühlfunktion muss ja nicht unbedingt genutzt werden. Der einzige technische Vorteil am HRDS ist, dass dieses auch ohne Wasserkreis betrieben werden könnte, und dass es billiger ist. HRDS+ hat hingegen wesentlich höhere Entfeuchtungsleistung, und erbringt diese durch die Inverter-Regelung immer konstant, fast komplett unabhängig vom Luftdurchsatz oder der Wassertemperatur. Wir überlegen ehrlich gesagt sogar schon, das HRDS aus dem Portfolio zu nehmen. Es macht die Auswahl eigentlich fast schon unnötig kompliziert und unübersichtlich. Wer es simpel und günstiger will, kann da eher noch zu den DWF-Geräten greifen. Die bieten gute Entfeuchtungsleistung und halbwegs simple Installation nur in der Zuluft. Wer mehr Effizenz will, div. Einstellmöglichkeiten und Umluft-Option -> HRDS+ Das wäre evtl. einfacher?! Aber fürs Erste lassen wir mal alle Optionen und schauen, wie es letztendlich vom Markt angenommen wird. Guter Punkt, und die Frage bekommen wir mittlerweile sehr oft per Email. NEIN, eine direkte Auslasstemperaturregelung gibt es nicht... zumindest nicht ab Werk* Beim HRDS+: Die Luftauslasstemperatur kann nicht „direkt“ geregelt werden. Der Kompressor regelt intern auf 6°C Verdampfer-Temperatur. Das heißt der Inverter passt die Frequenz immer genau nach Bedarf an, egal welche Luft-Eintrittstemperatur, oder welcher Luftdurchsatz vorherrscht: die Temperatur am Verdampfer wird immer ca. 6°C haben, um stets eine ideale Entfeuchtungsleistung sicherzustellen. Das ist auch der große Vorteil gegenüber anderen halbgaren Lösungen wie z.B. Ze**der Comf*** Nach dem Verdampfer wird dann entweder gleich direkt die kalte Luft ausgeblasen (=Kühlen), oder vorher erst noch per Nachheizregister erwärmt (=Entfeuchten): Ab Werk ist aber nur ein internes ON/OFF Wasserventil verbaut. Also entweder Nachheizen oder nicht, keine Zwischenstellung. Im Kühlmodus wird die Luft-Auslasstemperatur je nach Luft-Einlasstemp/feuchte und Luftdurchsatz dann bei ca. 9-13°C liegen. Im Entfeuchtungsmodus liegt die Luftauslasstemperatur je nach Wasser- und Lufteinlassbedingungen bei ca. 19-26°C Die Kühlfunktion des HRDS+ Gerätes ist somit aber mit Vorsicht zu betreiben: Hier kann die Zulufttemperatur eben so kühl werden, dass nicht isolierte Lüftungsrohre außen kondensieren könnten. Wenn keine isolierten Rohre vorhanden sind, sollte diese Funktion also wirklich nur mit Vorsicht genutzt werden bzw. am Besten garnicht. (die Kühl-Funktion kann mit ein paar Parameter-Einstellungsänderungen aber auch ganz blockiert werden, damit diese nicht unabsichtlich aktiviert werden kann) *es gibt auch eine Möglichkeit den ON/OFF- Ventil-Aufsatz gegen einen passenden 0-10V Stellmotor zu tauschen, dann kann die Auslasstemp. nach Wunsch geregelt werden. Aber das geht dann in die DIY-Welt.... Für die Masse gilt erstmal noch: Wenn keine Isolierten Leitungen vorhanden sind, dann sollte nur die Entfeuchtungsfunktion genutzt werden. Kühlen erstmal nicht bzw. nur mit Vorsichtig.
|
||
|
||
|
Wir heizen mit Pellets/Stückgut, daher ist kein nutzbarer Wasserkreislauf vorhanden. Gibt es dann überhaupt eine Möglichkeit die Zuluft zu entfeuchten? Stromverbrauch wäre kein Problem, da PV und Speicher vorhanden sind. |
||
|
||
|
Da wir auch eine KWL KWL [Kontrollierte Wohnraumlüftung] mit Vorbereitung für eine Entfeuchtung planen hänge ich mir hier mal dran. Das mit der Kondensation am Rohr ist mir soweit klar, auch dass zur Isloierung wahrscheinlich Armaflex (Geschlossenporig) verwendet wird. Bei unserem Bauvorhaben werden alle (bis auf eine kurze direkt im Technikraum) Zuluftleitungen im Fußbodenaufbau geführt. Würde das als Isolierung reichen, bzw sollte ich die Stellen wo das Rohr den Estrich durchdringe abdiichten mit zb Sikaflex oder Dichtmanschetten? |
||
|
||
|
Wenn in deinen Rohren eine Taupunktunterschreitung statt findet, muss mit Armaflex luftdicht verklebt werden. Schüttung reicht hier keines falls aus |
||
|
||
|
Welcher Stellmotor passt denn da drauf? Ich würde schon gerne kühlen auch damit. Steuern werd ich über loxone. Lg |
||
|
||
|
Wie dick muss denn da das Armaflex sein? |
||
|
||
|
Kann ich dir nicht genau sagen ich würde weils gängig ist 19mm verkleben. Denke mit 13mm würde es sicher auch gehn. Vielleicht kann wer anders genaueres dazu sagen. Ich würde wie oben geschrieben so machen |
||
|
||
|
ja, würde zustimmen. 19mm sollte auf alle Fälle reichen. Sooo extrem kalt wird die Luft ja auch nicht. Wir haben als Extremfall bei relativ kühlen Lufteintritt, und min. möglichem Luftdurchsatz bisher min. 7,5°C Luftaustritt direkt nach dem Gerät gemessen. Bei "normalen" Bedingungen wird der Luftaustritt also eher selten viel kühler als 10°C sein. Nach den ersten paar Metern sollten dann 13mm auch schon leicht reichen. Schreib ich dir einstweilen per Mail. Wir sind damit noch in der Testphase, wenn das alles passt, können wir in ein paar Wochen z.B. gerne eine DIY-Anleitung für die Nerds und Technik-Freaks hier reinstellen, dann ginge es auch ohne Isolierung. Bitte die Kühlfunktion aber nicht überbewerten. Wenn eine wirkliche "spürbare" Kühlung über die KWL KWL [Kontrollierte Wohnraumlüftung] erfolgen soll, dann geht das nur mit viel Luftdurchsatz (Umluftverrohrung + gut dimensionierte Rohre), und am Besten auch noch isoliert. Dann bekommt man wirklich eine Art kleine zentrale Klimaanlage. Ansonsten ist das Gerät wirklich primär fürs Entfeuchten gedacht. Die Kühlfunktion ist so eher das "coole" Zusatzfeature. |
||
|
||
|
Ich habe die notwendige Dämmstärke zur Kondensationsvermeidung für den Sommer Fall schon einmal ausgerechnet. Diese liegt bei 6-7 mm. Also 10mm wären sicher ausreichend. |
||
|
||
|
perfekt, danke! Rechnen ist da besser als schätzen 😅 👌 |
Beitrag schreiben / Werbung ausblenden?
Einloggen
Kostenlos registrieren [Mehr Infos]















