Der Victron Sammelthread - alles zu den blauen Kisten - Seite 46
|
|
||
|
Wenn du keinen EM24 verbaut hast (habe ich auf deinen Bildern nicht gesehen), dann hat das ESS eh keine Ahnung was da am ACin verbraucht wird. Es wird also auch nichts unternehmen um diese irgendwie aus dem Speicher zu versorgen. Falls du einen EM24 hast, am Besten diese Verbraucher vor den EM24 hängen. |
||
|
||
So heute mal ordentlicher montiert. Eine aus meine Sicht gute Alternative um weniger Geld ....
|
||
|
||
|
Eine Frage zu dem Zustand am Foto: Warum werden 5kW ins Netz eingespeist wenn der Akku nicht voll ist? Kenne deine Anlage nicht - vielleicht Externe Steuerung? |
||
|
||
|
Weil die Anlage gerade im "MPPT Modus" fährt. Sprich die Multiplus laden nicht, sondern nur die MPPTs MPPTs [Maximum Power Point Tracker]. Genug Sonne heute da, wird vermutlich heute zu 90% voll. Forecast fürs Wochenende ist auch ganz gut, also kein Bedarf mehr zu laden. |
||
|
||
|
Wie bindest du den wetterbericht ein? Für mich ists derzeit auch noch besser, wenn ich nix selber verbrauch 🙈 |
||
|
||
|
Also steuerst du das über eine externe Steuerung über Modbus oder sowas? Weil Wetterprognosen geht ja über Victron direkt nicht soweit ich weiß. |
||
|
||
|
Node Red verwende ich, das schaffe ich gerade noch so 😀 |
||
|
||
|
Geht das Node Red direkt über ein Modul oder nur Modbus Tcp? Welchen Wetterdienst nimmst da und wie wertest das aus.? |
||
|
||
|
Für Node Red gibt es im Prinzip zwei Möglichkeiten: 1) extern auf einem Raspi laufen lassen 2) Venus OS Large auf dem Cerbo installieren (da ist es schon dabei) Ich habe mich für Variante 1 entschieden. Die Kommunikation erfolgt dann über MQTT oder ModbusTCP. Wenn man will kann man dann Wetterdaten inkludieren, zb openweathermap oder solcast. Du musst für die Berechnung des zu erreichenden SoC Werte wie UV Index oder Bewölkung nehmen. Die Genauigkeit der Vorhersagen ist so lala. Meist reicht mir ein Blick aus dem Fenster ;) |
||
|
||
|
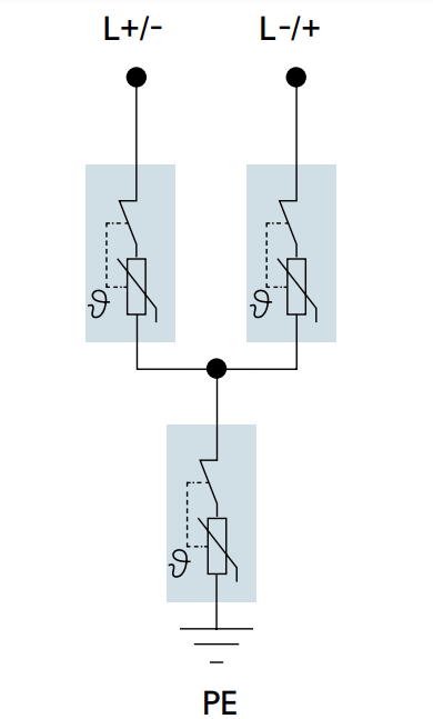
Eine Frage zum Thema Überspannungsableiter bei Victron Hängt man die an jeden String parallel an die - Seite ? Oder reicht einmal pro MPPT MPPT [Maximum Power Point Tracker] parallel an die - Seite ? Oder hängt man die besser sowohl auf der - als auch auf der + Seite parallel an jeden String ? Oder parallel an - und + je MPPT MPPT [Maximum Power Point Tracker] ? Mittlerweile hab ich von vier "Spezialisten" alle vier Varianten gehört 🤪 |
||
|
||
|
1x SPD SPD [Überspannungsschutzgerät, surge protective device] pro Tracker (bzw. mehr, wenn zu lange Leitungen) |
||
|
||
So is bei mir: 3 Mal 5 Serielle-Platten parallel auf Sammelklemmen und hier dann + & - auf den ÜSPABL Also kurz gesagt wie Peedaa: 1x pro MPPT MPPT [Maximum Power Point Tracker] |
||
|
||
|
Also bringen die Dinger auf der + Seite gar nix ? Oder ist das so ein typisches "bringt ned viel aber schaden tuts halt auch ned" ? |
||
|
||
|
Stand der Technik ist die Y Schaltung |
||
|
||
|
Jap Y weil Failsafe bei Durschschlag ist derzeit Standard |
||
|
||
|
Danke, das sieht echt fancy aus ... kann man das bitte in Dummy-Sprache übersetzen ? Warum sind da zwei Überspannungsableiter ? Und warum sind die zwischen + und - ? 🤡 |
||
|
||
|
Der Professor wird es uns sicher noch genauer erklären, in der Zwischenzeit versuche ich es einmal :) Es können im Prinzip drei Potential auftreten 1) Zwischen + und - 2) PE und - 3) PE und + Mit obiger Schaltung hast du zwischen all diesen Potentialen immer 2 Varistoren. Failsafe(r) |
||
|
||
|
Ähh... warum eigentlich? Kommt auf die Definition von failsafe an Zwei parallel würde ich jetzt als "doppelte Sicherheit" bezeichnen: mindestens einer davon wird hoffentlich ansprechen |
||
|
||
|
In Reihe, die Spannung wird begrenzt. |
||
|
||
|
Und wenn einer kaputt geht, dann gibts noch einen 2. In serie der wieder schliessen kann(also nicht leitend wird). Aber das ist Standard bei allen Herstellern. Egal ob Obo, Phoenix, Dehn usw |
||
|
||
Ich hab grad einen ziemlichen Knoten im Hirn... Bitte um Hilfe bei der Denkfehleranalyse Ein Überspannungsableiter ist üblicherweise ein Varistor, also ein Bauteil welches im Normalbetrieb einen sehr hohen Widerstand hat, also "nichtleitend" ist. Bei Überschreiten einer Schwellspannung wird er sehr schnell sehr niederohmig, stellt also praktisch einen Kurzschluss dar, und leitet damit die Überspannung ab. Soweit richtig? Oder Funktionieren PV-SPD's irgendwie anders? |
Beitrag schreiben oder Werbung ausblenden?
Einloggen
Kostenlos registrieren [Mehr Infos]



