Nibe S2125-16 Parallelpuffer zur Vermeidung von Taktungen - Seite 2
|
|
||
|
Den WW WW [Warmwasser] Zuschlag kannst gleich wieder wegrechnen. EDIT: Interessant: Wenn nämlich der mittlere U-Wert des Hauses U ≤ 0,5 ist, wovon ich bei einem 1994er Haus fast ausgehe, dann ist die angegebene Heizlastberechnung nach DIN 12831 für die Heizlastberechnung gar nicht zulässig - zumindest in Österreich. Eine raumweise Heizlastberechnung ist ok zum Auslegen der FBH FBH [Fußbodenheizung], aber bei neueren Bauten ungeeignet für die Heizlastberechnung des Gebäudes. |
||
|
||
|
Warum kann ich den WW WW [Warmwasser] Aufschlag wieder wegrechnen? Ok, habe dann mal nur die Heizlast des Gebäudes ins Leistungsdiagramm gezeichnet. Würde dann so aussehen. Was haltet ihr davon? Wäre dann wohl die -12 er sinnvoll oder?Aus meiner Sicht nur ein wenig Bivalenz ab -8° bis NAT -9,1° mit Heizstab und ab 7,5° bis 15° HG wird die WP WP [Wärmepumpe] dann takten. |
||
|
||
|
Weil die WP WP [Wärmepumpe] Auswahl leistungsbezogen ist. Wenn du warmwasserverbrauch mit einrechnen, dann nur im Kwh Verbrauch. Die Maschine kann ja nur Heizen oder Warmwasser, produziert es aber nie zusammen. Nicht Leistung mit Wärmemenge verwechseln Mit den 6Kw wird der Bivalenzpunkt noch weiter sinken, der Punkt wo das Takten beginnt aber auch. Evtl mal nach einer anderen Maschine umgeschaut. Die Minimalleistung der Nibe ist schon fast zu hoch |
||
|
||
|
Warmwasser spielt insofern eine Rolle, als dass die Pumpe in den Warmwasserbereitungsphasen das Haus nicht heizt. Deswegen muss sie danach den Wärmeverlust wieder aufholen und braucht dafür etwas Leistungsreserve. Für mich sieht die Dimensionierung für Dein Haus mit der S2125-12 schon ganz gut aus. Eine -8 könnte am unteren Ende in Probleme kommen, z.B. wegen der Enteisungsproblematik. Besonders in nasskalten Wetterlagen finden alle 90min Enteisungen statt. Und danach braucht die Pumpe Leistung, um den Wärmeverlust schnell wieder aufholen zu können. Zur Enteisungsproblematik, gerade bei der S2125, findest Du hier im Forum auch einen Thread. Ich habe ebenfalls eine S2125-12 in Betrieb, bei einem Heizlastbedarf von etwa 8kW bei NAT. Also eigentlich wäre die -12 für uns überdimensioniert. Aber da sie in etwa die gleiche minimale Heizleistung hat wie die -8, hat das keine Auswirkungen auf die Taktrate bei hohen Außentemperaturen. Und die Leistungsreserve bei nasskaltem Wetter ist bei uns wirklich hilfreich. Mit den Optimierungen hier aus dem Forum kommen wir nun auf etwa 800 Takte in Jahr. Das ist für eine LWWP LWWP [Luft-Wasser-Würmepumpe] meiner Meinung nach ok. Generell ist es aber auf jeden Fall sinnvoll, auch die Leistungsdaten von anderen Geräten zu vergleichen.
|
||
|
||
|
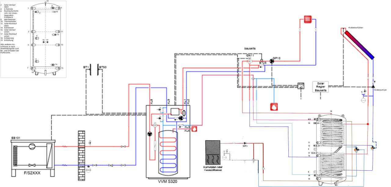
Prima, dann denke ich, dass die -12er die beste Wahl sein dürfte. Oder gibt es hier jemanden, der das grundsätzlich anders sieht? Auch mit den Leistungsreserven bei nasskalten Wintern sollten die Enteisungsprobleme nicht so stark ausfallen, wie @noma schon schreibt. Da ich ja wie eingangs schon geschrieben habe einen 5kW Kamin-WT und eine 10kW Solarthermie ins Heizsystem unterbringen muss, hat mir der Installateur einen Pufferspeicher in die Hydraulik gebaut. Mit dem Entlademischer würde der Puffer nur involviert, wenn die Temp. im Puffer durch Kamin und /oder Solar warm genug ist. Ansonsten wird die WP WP [Wärmepumpe] immer direkt nur den HKR speisen. Gut finde ich an dieser Hydraulik auch, dass das WW WW [Warmwasser] im besten Fall durch den Puffer bereits vorgewärmt wird. Hier mal der finale Hydraulikplan: Eine Frage hätte ich hierzu noch: Da ich ja nur Radiatoren im Haus habe, müsste die WP WP [Wärmepumpe] für die Enteisung mit dem Volumen des Heizkreises auskommen. Wäre es auch möglich, dass die Steuerung der NIBE den Entlademischer öffnet, um ggf. hier noch Energie aus dem Puffer für die Enteisung zu beziehen? |
||
|
||
|
Frage an alle Leute die eine Wärmepumpe mit Heizkörpersystem betreiben und was auch bei diesem Projekt hier vielleicht ein Thema ist. Habt ihr keine Probleme mit Fließgeräuschen, wenn die WP WP [Wärmepumpe] direkt in die Heizkörpersysteme fährt? Ich kenne 3 alte Gebäude (inkl. meinem) mit Heizkörpern und alle werden hörbar, selbst wenn ich nur die kleine Grundfos Alpha Heizkreispumpe auf Max. schalte. Und in dieser Stellung ist man noch entfernt von dem, was eine LWP LWP [Luftwärmepumpe] in der Regel so schaufelt - da rede ich noch gar nicht vom Abtau-Volumenstrom. Oder braucht so eine NIBE WP WP [Wärmepumpe] im Regelbetrieb keinen so hohen Volumenstrom? |
||
|
||
|
Wir haben Heizkörper und ich höre überhaupt kein Fließgeräusch. Das war bei der Gastherme noch anders, aber seit die WP WP [Wärmepumpe] da ist, ist totale Stille in den Radiatoren oder den Leitungen. WP ist die S2125-12 mit Innengerät VMS320, von da geht es direkt in die Heizkörper ohne zusätzlichen Puffer oder Mischer. |
||
|
||
![]() weil du am typischen wintertag nur die halbe auslegungsleistung brauchst. ausgelastet ist die wp nur jenseits der bivalenz. diese wird für unser klima auf -5°C plus/minus 2K angesetzt. selbst dann greift sie nicht jeden winter und wenn nur wenige stunden... |
||
|
||
|
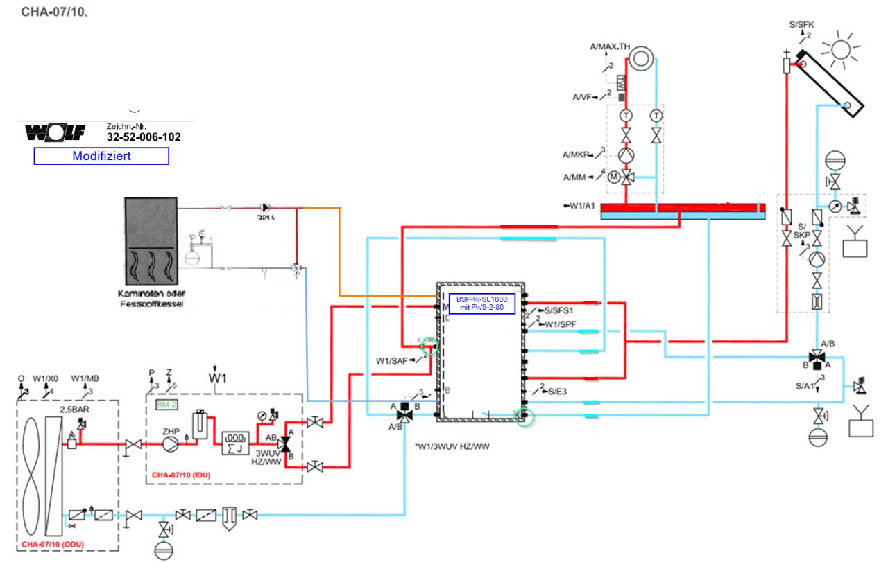
Hallo zusammen, wie berichtet habe ich von einem professionellen Energieberater eine Heizlastberechnung von meinem Haus machen lassen. Danach ergibt sich wie bekannt eine Heizlast von 8,7kW Obwohl ich die Berechnung meinem HB vorgelegt habe, bestand er nach wie vor auf die 16-er von NIBE. Deshalb haben sich unsere Wege hier getrennt.... Nun habe ich mir 3 zertifizierte WOLF-Fachbetriebe ins Haus geholt. Hier wird mir von 2 Betrieben aufgrund der Heizlast die CHA07 empfohlen und der andere Betrieb setzt eher auf die CHA10. Was meint ihr, ist die CHA07 ausreichend? Was mir sehr gut an dem WOLF-Konzept gefällt, ist der Schichtenspeicher BSP-W-SL1000 mit FRIWA von denen. Hier das entsprechende Hydraulikschema. Zu beachten ist auch, dass der Heizkreis per T-Stück an den Speicher hängt, so dass wenn der Volumenstrom im HKR ausreichend ist, der Speicher nicht geladen wird. ![]() |
||
|
||
|
Lass das mot dem Puffer und dem gemischten Heizkreis. FBH sowie auch Heizkörper immer direktkreis. Maximal ein Reihenpuffer im RL RL [Rücklauf]. Egal was die dir mit Puffer u d dann den schlimmsten Kombipuffer. Eilt alles abdecken und ist hydraulisch die teuerste Art sein Geld zu verbrennen weil er gena alles verschlimmbessert. Der integrierte Ww Anteil verliert zudem Wärme an die Heizung, und es wird ständig Warmwasser nachgeladen. Hohe Temperaturen muss die WP WP [Wärmepumpe] dann ständig fahren. Effizienz dahin. Das heißt such dir bitte nochmals andere Heizungsbauer die Ahnung von Wärmepumpen haben und nicht die schlechteste Hydraulik der Hersteller verwenden weil sie zu faul sind zu planen |
||
|
||
|
Der Entlademischer wurde hier schon mehrmals genannt, falls du Solar einbinden willst. Alles andere ist ineffizienter. |
Beitrag schreiben / Werbung ausblenden?
Einloggen
Kostenlos registrieren [Mehr Infos]





