Nibe S2125-16 Parallelpuffer zur Vermeidung von Taktungen
|
|
||
|
Sehe ich dass richtig, Hochtemperatur aus dem Kaminofen mit Wassertasche und Solarthermie auf dem Dach ? FBH oder Heizkörper ? Welche Vorlauftemperatur bei NAT (Tiefstwinter) ? Haus gut gedämmt oder unsanierter Altbau ? Generell passt Hochtemperatur (Fosil und Solar) und Niedertemperatur (WP) nicht gut zusammen. Und mit Parallelpuffern ist die Begeisterung bei der WP WP [Wärmepumpe] Fraktion niedrig, da zum einen wenig Energie gepuffert wird (lieber im Estrich bei FBH FBH [Fußbodenheizung], viel mehr Energiespeicher) und weitere Mischer/Pumpengruppen Geld bei Anschaffung und Energie bei Verwendung bedeuten und sogar niedriger JAZ JAZ [Jahresarbeitszahl]. Wie wurde eigentlich die Heizlast bestimmt ? |
||
|
||
|
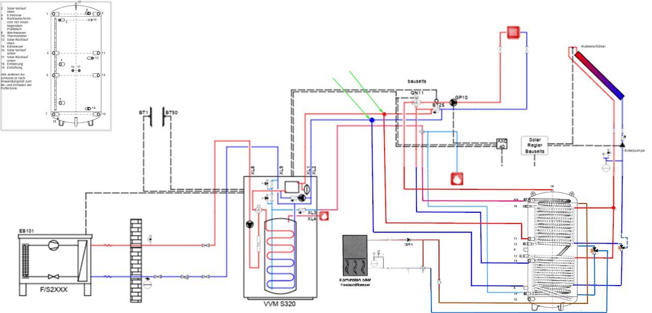
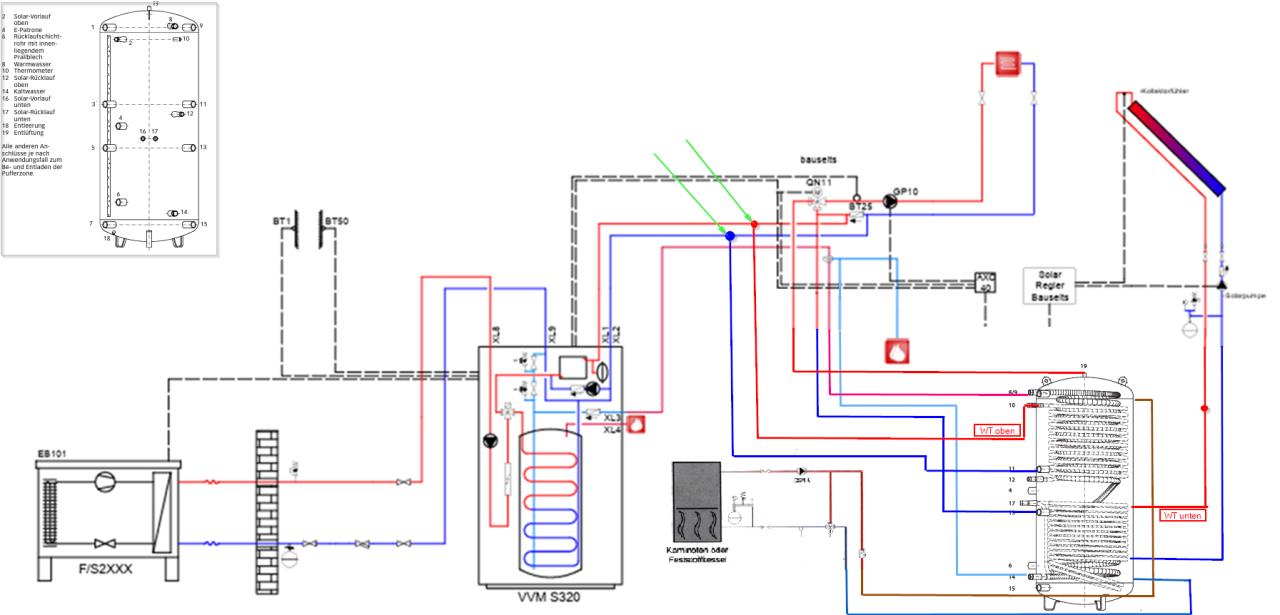
Ja, Kaminofen mit Wärmetauscher und 10kW Solarthermie. Beides hatte ich vorher schon. Ich habe nur Heizkörper. Diesen Winter bei -5°C kam ich mit einer VL VL [Vorlauf] von 45 aus. Haus ist aus 1994. Letzen Sommer wurden in die Dachschrägen und Dachboden Dämmstoff eingeblasen. Hat sich diesen Winter schon deutlich bemerkbar gemacht. Bei dem Schema soll es so funktionieren, dass grundsätzlich nur direkt in den HKR eingespeist wird. Nur wenn durch Solar oder Kamin im Puffer oben die Temp. hoch genug ist, wird über den Mischer QN11 warmes Wasser aus dem Puffer gezogen. Die Stichanbindungen ( grüne Pfeile ) sollen nur überschüssiges Volumen der WP WP [Wärmepumpe] in der Ü-Zeit in den Puffer abfließen lassen, damit übermäßige Taktung vermieden werden kann. Ich habe aber Bedenken, dass mir dieser Volumenstrom ggf. die Schichtung im Puffer zerstört. Wäre es ggf. sinnvoller die Solarthermie nur in den unteren WT einzubringen und den Volumenüberschuss der WP WP [Wärmepumpe] in den oberen WT? Die Heizlast wurde über den bisherigen Ölverbrauch bestimmt. 2700 Liter im Jahre 1997. In dem Jahr hatte ich noch keinen Kamin ( WT = 5kW ) und keine Solarthermie 10kW. Wie gesagt, die Einblasdämmung vom letzten Jahr hat einiges gebracht. Ich vermute ca. 10% Einsparung. |
||
|
||
|
Nur ein kleiner Hinweis, bei Verbrennung wie Öl muß ein gewisser Prozentsatz wegen des nicht 100%igen Wirkungsgrades der Verbrennung abgezogen werden, der entsprechend durch den Schornstein verschwunden ist. Als Nichtprofi würd ich vermuten dass die WP WP [Wärmepumpe] zu groß ist, generell geht man bei WP WP [Wärmepumpe] Dimensionierung knapper vor. Und Dein Projekt mit den Hochtemperaturproduzenten ST und Kamin brauchst einen wirklichen Profi, keine Ahnung ob Dein Insti einer ist. Generell wird das Dimensionierungsthema und die Betriebsweise einer WP WP [Wärmepumpe] hier gefühlt in jedem 2. Thread diskutiert. Ich empfehle hier über die Osterfeiertage andere Threads zu studieren. |
||
|
|
||
|
||
|
Die 16er hat den Verdichter der 20er drinnen. Nichtnur die Minimalleistung ist hoch, sondern auch der benötigte Volumenstrom. Wieviele Heizkörperkreise hast du? Ist eine ERR ERR [Einzelraumregelung] vorhanden oder würde die entfernt werden? Kennst du schon den Thread? https://www.energiesparhaus.at/forum-tauschaktion-knv-s2125-12-auf-s2125-16/81962 Zur Hydraulik: Der Hygienepuffer sollte alleine für das Warmwasser zuständig sein. Wenn du oft mit dem Kamin einheizt, könntest du auch einen Entlademischer umsetzen. Die Wärmepumpe sollte den Heizkreis Direkt bedienen, dafür ist aber auch eine gute Minimalleistung wichtig. Wäre ein RGK RGK [Ringgrabenkollektor] möglich? |
||
|
||
|
Das scheint ein kompexes Thema zu sein, ich kann mich nur darin anschließen, dass ich es selbst gerne verstehen würde als Laie. Heizlast laut Energieausweis? Laut Heizlastberechnung? Selber gerechnet? Bei mir waren das alles völlig ungleiche Ergebnisse. Da kann ich nicht bestätigen, und ich habe den Puffer auch ausschließlich im "Hochtemperatur-Betrieb" als Entlademischer, das funktioniert einwandfrei (S2125-12 mit VVM500, letztere eigentlich wegen Möglichkeit zur Integration für externe "Hochtemperatur"-Wärmeerzeuger gekauft, was bei mir dann aber nicht funktioniert hat bis extern der Entlademischer mit getrennter Regelung geplant wurde.) |
||
|
||
|
Hallo Sfeele, hier gibt es dazu Erfahrungen und Preise: Nibe S2125-16 Parallelpuffer zur Vermeidung von Taktungen |
||
|
||
|
Vielleicht wäre auch das Speichersystem WPS von SAILER für meine Bedürfnisse besser geeignet. Das wäre unabhängig von der eingesetzten WP WP [Wärmepumpe] und beitet mir alle Möglichkeiten der Einbindung externer Hochtemperaturquellen. Auch eine passende FriWA bieten sie hierzu an. Hat vielleicht einer Erfahrungen damit gesammelt? Das SPF Institut in Rapperswil (CH) hat dem Schichtspeicher gute Noten vergeben. |
||
|
||
|
Schreib uns doch mal deine Verbrauchswerte der letzten paar Jahre. Alte Heizung war mit Sicherheit ein Öl oder Gaskessel, Brennwert? Wie groß ist der jetzt ausgelegt? Für deine Hydraulik empfehle ich dir nur den Entlademischer, diesen mal in der Suche eingeben. Deine zukünftige WP WP [Wärmepumpe] sollte vernünftig ausgelegt werden, hierzu bitte die Angaben von oben wen kein Energieausweis vorhanden ist. Die Auslegung seitens Nibe würde ich gerne sehen, war bei uns auch etliche Male so dass die Maschinen aus Angstsicherheit Zuschläge zu groß dimensioniert sind |
||
|
||
|
Was zur Hölle 🧐 Der nächste dimensioniert mit der NAT aus der Eiszeit. Wie war der Verbrauch in diesem Winter? EA vorhanden? |
||
|
||
Ich habe deswegen den Verbrauch aus 1997 angegeben, weil da noch kein Kaminofen und keine ST vorhanden war. Da ich diesen und andere Winter unterschiedlich viel mit Holz zugeheizt habe, ist der Verbrauch unterschiedlich und aus meiner Sicht nicht gut verwertbar. 1997 wurde ausschließlich mit einem 25kW Brötje Ölbrenner BJ 1994 geheizt. EA ist leider nicht vorhanden. Weder NIBE noch mein Installateur haben mir bislang eine Heizlastberechung zukommen lassen. Die Berechnung der Heizlast 11,6kW habe ich aus der BWP entnommen. Ich habe mir mal die von @Akani angegebene Thematik Entlademischer hier im Forum angesehen. Das ist genau das was in der Hydraulik von Nibe vorgeschlagen wird. Das wäre der Mischer QN11, der entsprechend Pufferwasser dem HKR zumischt, wenn genügend Temp. im Puffer vorhanden. Vom Prinzip finde ich die Hydraulik von Nibe nicht schlecht: Die WP WP [Wärmepumpe] fährt direkt in den HKR. Pufferwasser wird nur beigemischt wenn durch Kamin oder ST genügend Temp. anliegt. Das Problem ist nur, dass die S2125-16 in der Übergangszeit ggf. zuviel Leistung hat und takten könnte. Deshalb wäre die Überlegung den Überschuss in den oberen WT des Puffers zu fahren um Durchmischung in Grenzen zu halten. Hier mal das Schema: Wäre dies sinnvoll? ![]() Mein Installateur würde gerne einen extra Puffer für den Überschuss einbauen. Das würde dann so aussehen: ![]() |
||
|
||
|
Wieviel Öl hat denn dein alter verschluckt im Jahr 1997??? Wie kommst auf die 11,6 KW |
||
|
||
|
Im Beitrag #2 hatte ich folgendes geschrieben: ..."Die Heizlast wurde über den bisherigen Ölverbrauch bestimmt. 2700 Liter im Jahre 1997. In dem Jahr hatte ich noch keinen Kamin ( WT = 5kW ) und keine Solarthermie 10kW. Wie gesagt, die Einblasdämmung vom letzten Jahr hat einiges gebracht. Ich vermute ca. 10% Einsparung..." Die 11,6kW Heizlast habe ich über das BWP Portal per Ölverbrauch ermittelt. |
||
|
||
|
Meine Milchmädchenrechnung: 2700l ohne Dämmmaßnahmen sind sehr konservativ 2500l mit Dämmmaßnahmen. Das sind 25000 kWh/a. Mit 80% Wirkungsgrad sind das 20000 kWh Wärme, abzügl. WW eher 17000 kWh. Bei 1800 Volllaststunden ergibt das eher 9,4 kW Heizlast. Und du willst dafür ein 16 kW Monster verwenden... Zum Vergleich: Ich habe wirklich 9,6 kW Heizlast (lt. EAWEAW [Energieausweis]) bei meinem Haus, benötige 15000 kWh/a fürs Heizen, +4000 kWh WW WW [Warmwasser] (also gesamt 19000 kWh). Und ich hab eine Nibe S1155-6, die max. 7,2 kW kann. Und die ist noch nie Vollgas gelaufen! (Gut, ist halt auch Erdwärme...) Und dann hast du auch noch die ganzen Hosenträger wie Kamin zusätzlich usw. usf. - die erschweren dir halt die Pufferspeichereinbindung, denn eine WP WP [Wärmepumpe] sollte NIE über einen Puffer laufen, sondern direkt in die Heizkreise. Wie schon gesagt gibt es dafür den Entlademischer als einzige brauchbare Option. Eine 16 kW Maschine wird bei dir aufgrund der wohl doppelt so großen Dimensionierung als nötig nur takten und einen frühen Tod sterben, das trau ich mir dir zu prophezeihen. Merke: Ein Parallelpuffer verhindert keine Taktung bei WP WP [Wärmepumpe], sondern fördert diese. Einzig eine korrekt ausgelegte WP WP [Wärmepumpe] minimiert das Takten. Aber eine LWP LWP [Luftwärmepumpe] gehört sowieso nach Bivalenzpunkt und Leistungsdiagramm ausgelegt, und nicht nach Gefühl. |
||
|
||
|
@ DS, bin ganz auf deiner Seite. Rechnung passt, unter der 10Kw Hürde, bei Sole eher zur kleineren als zur Größeren Maschine Tendieren |
||
|
||
|
Guten Morgen zusammen, vielen Dank bisher für eure Anmerkungen. Ich habe mal vor 1 Jahr von einem Klima- und Kältefachbetrieb eine Lambda 08 angeboten bekommen und war verwundert, dass man eine LWP LWP [Luftwärmepumpe] mit so wenig Leistung ausgesucht hat. Vielleicht wäre die Leistungsklasse die richtige Wahl gewesen. Sei es drum.... Ich habe mich jetzt entschieden zunächst einen professionellen Energieberater mit einer fachmännischen Heizlastberechnung nach DIN EN 12831 zu beauftragen. Solange ich nicht die genaue Heizlast kenne, tappe ich im Dunkeln und es könnte keine vernünftige Auswahl der LWP LWP [Luftwärmepumpe] erfolgen. Könnt ihr mir Ratschläge geben, welche Art von Betrieben neben einem Gebäudeenergieberater so eine Berechnung fachmännisch ausführen kann? |
||
|
||
|
Die EN12831 ist aber erst aber einem mittleren U-Wert >= 0,5 W/m²K anzuwenden, was sich bei einem Haus aus 1994 v.a. mit gedämmter Decke nicht ausgehen wird, schätz ich mal. Meiner Meinung nach ist der tatsächliche Verbrauch viel aussagekräftiger als jede Berechnung, denn das ist der TATSÄCHLICHE Wärmeverbrauch und nicht ein (nach vielleicht falschen Methoden) errechneter Wärmebedarf, welcher außerdem das Nutzerverhalten nicht widerspiegeln kann.
|
||
|
||
|
volle zustimmung. die EN12831 ist nur bedingt nutzbar um wärmebereitsteller/wärmepumpen zu dimensionieren. noch dazu wird sie meist falsch interpretiert, nämlich als sockel bzw unterer deckel zu dem diverse zuschläge kommen. noch dazu wird meist nicht zwischen raumweiser heizlast und gebäudeheizlast unterschieden. erstere braucht man zur heizflächenauslegung stichwort bad vs schlafzimmer, zweitere zur dimensionierung der wärmepumpe. die EN12831 interpretiert das haus so daß... 👉 niemand drinnen wohnt 👉 kein stromanschluß besteht 👉 alle 4 hausseiten nach norden schauen die tatsächliche heizlast liegt 10-40% darunter, bei passivhäusern 50-60% im bestand ist es viel besser den realen heizwärmebedarf mit nutzungsgrad und standortspezifischen vollaststunden zurückzurechnen. wird sind gerade in einem forschungsprojekt aktiv in dem genau diese zusammenhänge validiert werden... https://www.zukunft-bau.at/hl-nzeb-heizlastberechnung-fuer-niedrigstenergiegebaeude |
||
|
||
|
Ich habe gestern einen Energieberater im Haus gehabt. Er macht mir jetzt eine Heizlastberechung für mein Gebäude mit der neuen Dachdämmung von 2024. Wahrscheinlich bekomme ich nächste Woche die Berechnung. Grundsätzlich würde ich auch sagen, dass der wirkliche Verbrauch, am besten gemessen mit einem WMZ, die aussagekräftigste Methode ist. Da kommt es dann aber drauf an in welchem Jahr gemessen wurde oder?(Kalter oder warmer Winter) Mein Problem ist ja auch, dass ich letzten Sommer das Dach gedämmt bekommen habe und im Winter zus. mit Kamin geheizt habe. Da habe ich keine messbaren Verbräuche. So habe ich eigentlich nur einen aussagekräftigen Verbrauch von 1997 (2700 Liter). Mal sehen was die Heizlastberechung jetzt ergibt. Vielen Dank schon mal für eure super Unterstützung |
||
|
||
|
Ausführliche Heizlastberechnung (>20 Seiten) unbedingt später zum Check/Diskussion hier einstellen. Da dort viele Zahlen eingehen, können Fehler/Unachtsamkeiten entsprechende Auswirkungen haben. |
||
|
||
|
Deswegen werden die Verbräuche auch am Besten über z.B. 3 Winter gemittelt. Falls mit Kamin zugeheizt wird dann einfach den Holzverbrauch mitangeben - auch dafür gibt es Berechnungswerte, welche dann einfach dem Ölverbrauch im jeweiligen Jahr hinzugerechnet werden. Auf die umfangreiche Heizlastberechnung des Energieberaters bin ich auch schon gespannt. 😉 |
||
|
||
|
Guten Morgen zusammen, ich habe nun die Heizlastberechung vorliegen. Demnach hat mein Gebäude eine Heizlast von 8,7kW Dazu kommt noch der WW WW [Warmwasser]-Bedarf für 4 Personen. Ich tendiere bei den Werten hier eindeutig zu der NIBE S2125-12 und nicht wie vom Installateur vorgeschlagen S2125-16. Einige würden jetzt sicher noch auf die S2125-8 gehen, aber die -12 kommt im unteren Leistungsbereich genaus weit runter wie die -12er. Wie seht ihr das? Hier mal ein Link die Heizlastberechnung: ( Ich weiß nicht wie ich sie hier anders zur Verfügung stellen kann https://drive.google.com/file/d/14YEnP5DrRh1_qWNRuIKAFO8ja5kyT1DU/view?usp=sharing Hier mal das Leistungsdiagramm der -12 er mit der von mir eingezeichneten Heizlast 8,7kW + 1kW WW WW [Warmwasser] für 4 Pers. = 9,7kW (VL = 45° bei -5° letzten Winter) |
||
|
||
|
Den WW WW [Warmwasser] Zuschlag kannst gleich wieder wegrechnen. EDIT: Interessant: Wenn nämlich der mittlere U-Wert des Hauses U ≤ 0,5 ist, wovon ich bei einem 1994er Haus fast ausgehe, dann ist die angegebene Heizlastberechnung nach DIN 12831 für die Heizlastberechnung gar nicht zulässig - zumindest in Österreich. Eine raumweise Heizlastberechnung ist ok zum Auslegen der FBH FBH [Fußbodenheizung], aber bei neueren Bauten ungeeignet für die Heizlastberechnung des Gebäudes. |
Beitrag schreiben / Werbung ausblenden?
Einloggen
Kostenlos registrieren [Mehr Infos]




