Fundamt auf Rohfussboden für Puffer
|
|
||
|
an der Stelle würde ich (m)einen Statiker anrufen. Nahezu punktuelle Belastungen von 2,5to sind sicher nicht in der Statik mit einberechnet. |
||
|
||
|
statiker wusste bescheid, dass in den technikraum so ein puffer kommt. werd mich mal zwecks des fundaments bei ihm erkundigen
vg |
||
|
||
|
Nehmen wir folgendes an:
2200 Liter hat der Pufferspeicher = 2.200 kg (angenommener) Durchmesser ein Meter = 100cm Ergibt einen Flächeninhalt von 7.853cm² Macht 0,29kg pro cm² SOFERN DER PUFFER UNTEN VOLL AUFLIEGT! Steht der auf kleinen Füßchen, muss neu gerechnet werden. Vergleich dazu ein Mensch Gewicht: 100kg Auflagefläche von einem Fuß (wenn er geht ist nur ein Fuß am Boden) und somit der Höchste Druckwert. Fläche des Fußes: ca. 24*8cm = 192cm² Gewicht pro cm² somit: 0,52 kg pro m² also eine Höhere Belastung als der Pufferspeicher
|
||
|
|
||
|
||
|
@goaspeda - ja aber leider steht kein speicher voll auf sondern eben auf diesen füßchen. dann schaut die welt schon wieder anders aus.
lg fruzzy |
||
|
||
|
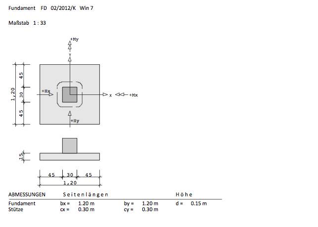
folgende Infos vom Pufferhersteller:
Pufferspeicher steht auf einem Ring mit einem Außendurchmesser von 1000mm (Blechstärke 3mm). Statiker hat einen Sockel berechnet: 120x120x15cm, Bewehrung konstruktiv Q257A (Siehe Bilder) Kann das einer Interpritieren? |
||
|
||
|
aktualisierung rechnung goaspeda - d.h. wir haben eine ringefläche von ~94cm2.
macht bei 2500kg puffermasse ~27kg/cm2 (oder ~2,7N/mm2) lg fruzzy |
||
|
||
|
Wenn man bedenkt, dass der Ring wegen Unebenheiten - nur auf ein paar Punkten aufliegen wird, kann man wohl von der 10-fachen Belastung pro cm² ausgehen. Ich glaub nur, dass des ned relevant ist, da die Decke dank Ihrer Steifigkeit ja "nur" die auf den Kreis mit 1m Durchmesser - also ned ganz 0,8m² - abgetragende Last "sieht".
Glaub aber auch, dass des starker Tobak für die Decke ist, selbst wenn der Gezeitenspeicher in einer Ecke steht. |
||
|
||
|
versteht denn jemand die rechnung von der statik?? |
||
|
||
Du meinst den 30cm-Würfel mit 4 Tonnen, - der auf der Fundamentplatte liegt? Ne, den versteh ich ned ... liegt wohl dran, dass Statiker ein Beruf und kein Hobby ist
Jedenfalls stellt der Puffer eine geringere Belastung für das Fundament dar, welches wohl für die Last des Würfels dimensioniert wurde. Die Bewehrung könnte aus 4x5 runden 8er-Eisen bestehen ... aber mehr gibt mein Kaffeesud ned her. So gesehen würde ich auch gerne mehr von so ner statischen Berechnung bestehen. |
||
|
||
|
ich werd ihn mal anrufen, aber ich denk dass das wieder so eine typische überdiemensienierung mittels Ersatzlast ist.
So wie er schreibt soll ich Q257A Matte verwenden. Leider kann ich nicht so ganz rausleden in welcher "Z-Position" |
||
|
||
Nicht sehr hoch, - nachdem da "Bewehrung unten" steht |
||
|
||
|
?? Bewerung |
||
|
||
|
Joa, in der Berechnung, die Du reingestellt hast im Abschnitt "Biegebewehrung".
Und Biegekräfte kann das Fundament nur aufnehmen, wenn es unten das Eisen drin hat. |
||
|
||
|
Es wundert mich, daß die Frage noch nicht gekommen ist und nennt mich phantasielos, aber ich kann mir in einem Neubau nur schwer ein Szenario vorstellen, wo ein 2200 (!) Liter Puffer benötigt wird. Leider kenn ich keine Details zu Deiner Haustechnik, aber das würd ich nochmal hinterfragen. |
||
|
||
|
Holzvergaser Heizung eben, da ist ein 220 Liter Pufer eher klein.... |
||
|
||
|
Doch, es ist schon aufgefallen ...
... aber bei der Beratungsresistenz der Holzvergaserfraktion ist jeder Hinweis vergebens. Klingt doch gut, wenn man ein Haus zu 50% über Verluste beheizen kann. |
||
|
||
|
Mein Fehler, ich hab nicht angenommen, daß sich jemand einen Holzvergaser in einen Neubau stellt. Dann hast Du wahrscheinlich einen eigenen Wald oder kommst sonst wie günstig an Holz. Aber ich würds mir trotzdem gut überlegen, denn eine Wärmepumpe kostet auch nur 400-700 im Jahr und Du sparst Dir die tägliche Arbeit, den Lagerraum, den Rauchfangkehrer, den Puffer und Mischer und Du machst Dir keinen Feinstaub um Deinen Lebensbereich. |
||
|
||
|
Du das muss jeder selbst wissen mit was er heizt. Das sollte hier nicht diskutiet werden. Für mich ist die WP WP [Wärmepumpe] nix da könnt ich genau so fragen warum nicht gleich Gas Heizung? |
||
|
||
|
Den Vergleich hab ich erst jetzt gesehen: - Schon mal 25 Personen, jeweils 100kg schwer, zusammen auf einer Fläche der Größe einer Duschtasse gesehen? Ich auch Ned. Daher werden Decken Ned auf solche Belastungen gerechnet. Solche Belastungen sollten bereits in die Statik der Decke einfließen.
Der Holzvergaser ist nicht das Problem, wenngleich er fur ein EFH ungefähr 3x zu groß ist ... Holz heizen ist, wenn die Rahmenbedingungen passe, eine löbliche Sache. Aber der riesige Puffer bringt mehr Aufwand mit sich als er Nutzen liefern kann. |
||
|
||
|
War hilfreich gemeint. Ich dachte, Dir ist nicht bewußt, wie billig Du mit WP WP [Wärmepumpe] heizen würdest und wenn Du die Unannehmlichkeiten und Investitionen trotzdem auf Dich nimmst, fein. Weiß nicht, wie das Konzept ausschaut, aber wenn so ein Puffer mit 80 Grad gefahren wird, speichert er ca. 150 kWh, was je nach Haus und AT AT [Außentemperatur] für 1-3 Tage reicht. |
||
|
||
|
Bleibt zu hoffen, dass der Holzvergaser ned im selben Raum steht - dann ist der Raum nämlich entsprechend zu belüften und ein Großteil der Pufferabwärme geht flöten. |
Dieser Thread wurde geschlossen, es sind keine weiteren Antworten möglich.