zentrale KWL in den Bestand
|
|
||
|
Nachrüstung kann möglich sein oder nicht. Zeig mal einen Plan. Bei uns ging es https://www.energiesparhaus.at/forum-nachruestung-kwl-erfahrungsbericht/81220_1 |
||
|
||
|
Möglich ist vieles, aber einfacher ist es wahrscheinlich, wenn die Rohre im Haus bleiben. 👍 |
||
|
||
|
Pläne ist eher Mangelware, sowas hab ich: EG ![]() OG ![]() KG ![]() Im Moment fehlt mir die Fantasie, wie ich vom Keller (Technik oder Lager) bis ins OG komme. Auch weiß ich nicht, wie ich überhaupt die Frisch- und Abluft nach außen bekomme.... |
||
|
|
||
|
||
|
Den Grundriss erkennt man schonmal, aber kannst du vielleicht noch die Räume beschriften? Was ist diese Nische ganz links im Vorraum? Schaut fast wie ein Technikschacht aus 🙂 Außen- und Fortluft bekommst du am besten durch die Kellerwand raus. Ich nehme an, das Lüftungsgerät soll im Keller hängen? |
||
|
||
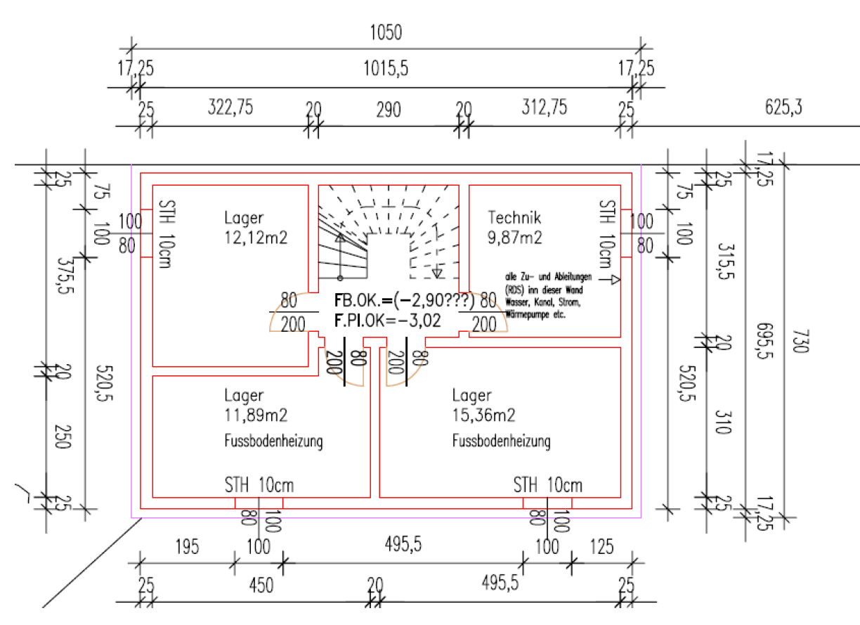
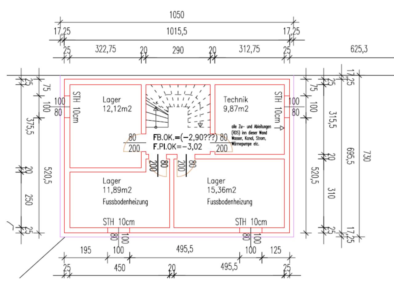
Sorry, hier a bissl mehr infos EG OG KG Ja, im Schacht komme ich vl. vom EG ins OG (zumindest im Schacht an der Stiege vorbei), so wie es Landei bei seiner Stiege gemacht hat (muss schauen, ob ich Bilder finde, bevor ich ihn verschlossen habe). Dann wäre es wohl möglich im OG bis an die Decke zu gehen und dann rundherum in all Räume. Im EG müsste ich dann vermutlich auch die Decke im Vorraum etwas abhängen, um in die Küche, Essbereich und Wohnbereich zu kommen (wobei ich vom Vorraum náus nicht direkt in den Wohnbereich komme....) Aus dem Schacht kommte ich dann wohl auch unter der Stiege in den Keller (im Schacht direkt nach unten geht nicht, da darunter der Verteiler steht) und kann dort wieder rundherum alle Räume anschliessen. Das Lüftungsgerät kann dann ins Lager oder in den, bereits sehr gut gefüllten, Technikraum, wobei ich hier aber nirgends nach draußen komme, da aussen alles komplett verbaut ist (vorne Carport, hinten Terrasse, rechts und links Nachbar bzw. gepflasterte Wege....). Wenn es möglich wäre, würde ich ein Kellerfenster opfern und in diesem Zu- und Abluft machen. Edit: Bilder vom Schacht Und nochwas, meine Innendecke im OG ist nicht wirklich tragfähig, da hier nur Dämmung und Beblankung drauf ist.... |
||
|
||
|
Klingt doch eh schon nach einem Plan. Jeweils Vorraum abhängen und du erreichst alle Räume. Wenn du im Essbereich über der Tür einbläst, hast du sicher eine ausreichende Durchmischung. Das ist ja eh alles ein großer Raum, oder? Beim Kellerfenster kannst du evtl das Glas durch ein Sandwichpanel ersetzen und dann mit den Rohren durch. Sind die oberirdisch? Die Fortluft sollte möglichst frei ausgeblasen werden können (also nicht in Lichtschacht) und die Außenluft idealerweise nicht in Bodennähe angesaugt werden (Radon und Dreck). |
||
|
||
|
Ja, der Raum im EG ist ein grosser Raum und ich hätte auch gehofft, dass eine ausreichende Durchmischung zu Stande zu bringen ist, wenn ich über der Türe reinfahre. Die Kellerfenster sind leider unterirdisch, und ich müsste in einem der Lichtschächte nach oben fahren. Wobei hier auch eher alles ungüstig, denn der Lichtschacht im Lager geht auf die Terrasse, und der Lichtschacht im Technikraum geht ins Carport (wenigstens nur BEVs dort). Ja, Radon ist mit ein Grund, warum ich eine KWL KWL [Kontrollierte Wohnraumlüftung] will, denn ohne Lüften sieht es so in meinem Keller aus: |
||
|
||
|
Sorry kein großer Beitrag von mir, aber wie misst du deine Radonkonzentration im Keller? |
||
|
||
|
Mit einem Radoneye RD200, welcher über einen ESP32 per Bluetooth ausgelesen wird und der die Werte über MQTT weiterleitet. Ich hab auch einen FeatureRequest beim Hersteller laufen, dass der RD200 selbst direkt per MQTT seine Werte verteilt, da hier sowieso ein ESP32 bereits verbaut ist. |
||
|
||
|
Na dann, Carport it is 👍 Da kannst wohl auch halbwegs unauffällig bis an die Decke rauffahren und dort ansaugen. Die Fortluft musst du halt irgendwo rausblasen, wo sie nicht am Carport Kondensat abgeben kann. |
||
|
||
Dort siehts so aus, da könnte ich hinter der WP WP [Wärmepumpe] rauffahren, einsaugen und unten neben der WP WP [Wärmepumpe] rausblasen |
||
|
||
|
Wie gesagt, bei der Fortluft auf Kondensat aufpassen. Ist das Carport auf 3 Seiten offen, oder wie schaut das aus? |
||
|
||
|
Eigentlich ist das Carport nur vorne offen und auch neben der WP WP [Wärmepumpe] ist eine halbhohe Mauer aus Sandwichpaneelen. Ich habe dort aber neben der Mauer einen kleinen Streifen mit losen Basaltbruch, dahinein kanns ja reinkondensieren (bin grad unterwegs und ein Bild füge ich dann später dazu) Edit: Fotos am Handy gefunden |
||
|
||
|
Du musst halt irgendwie verhindern, dass die Fortluft auf irgendwelche Oberflächen trifft. Sonst hast du dort die Feuchtigkeit aus dem Haus. Also möglichst weit weg von Fassaden und Holzkonstruktionen. |
||
|
||
|
Idealerweise sollte dort auch kein Windruck 'anstauen'. Eine Auswurfdüse kann ev. auch helfen. Ich werde meine Fortluft über Dach leiten, weil es auch keine guten anderen Alternative gab. Das nervt zwar bezüglich Abdichtung, aber dafür bist du dort absolut sicher. |
Beitrag schreiben / Werbung ausblenden?
Einloggen
Kostenlos registrieren [Mehr Infos]














