Victron Multiplus II - AC Installation - Seite 8
|
|
||
|
Ich werfe noch eine Schrack (V)-BCFO 40/4/01-S/A in den Ring 😀 In der V Variante sind sie vorsicherungsfest |
||
|
||
|
Ja danke. :) Daran dachte ich auch schon. Aber wie ist das mit dem Vorsichern vom FI? Weil wenn ich zb einen LS 40A am AC-OUT habe und einen 20A vom fronius und es so wie im Bild verdrahtet wird? Oder wie? Extra sichern? Ah danke Fani! 😊 Das ist gut. Aber dann muss ja der FI danach auch Vorsicherungsfest sein? |
||
|
||
|
Vielleicht hilft dir diese Tabelle weiter. Einen nicht vorsicherungsfesten 40A FI darfst zb mit max 25A vorsichern (für gG/gL) gerechnet. Ich würde mich jetzt auch bei B oder C LS an diese Vorgabe halten, kenne die Normen dazu aber nicht (Achtung Halbwissen!) |
||
|
||
|
ja, passt eh so wie am Bild. Hab ich auch genauso 40A Sicherung am ACout, einen entsprechenden Automat am Fronius Ausgang (ich hab 4polig C, ist aber unterschiedlich vorgeschrieben/empfohlen), dann zusammen auf den XSA 40A 100ma Fi, dann jeweils 25A Vorsicherungen für die "normalen" 40A 30ma Haus-FI's. |
||
|
||
|
Genau den hab ich auch danach eingebaut. Damit sind alle Normen erfüllt |
||
|
||
|
Angenommen du hast zwei 25A Abgänge (oder mehr), die je voll belastet werden und der Fronius liefert voll, hättest mehr als 40A über den FI, oder? |
||
|
||
|
aber dann würd ja hoffentlich die 40A Absicherung vorher fliegen, bevor der FI was hat?! Hoff ich doch, wenn man den so absichern darf?! Wissen tu ichs nicht. Klärt mich auf 🙏 Edit: aso, du meinst ja, wenn gleichzeitig der Symo 15 voll liefert. 15kW ~ 22A. Damit kommt vom AC-Out dann natürlich zu wenig, als dass die Sicherung fliegt. weiß nicht... legt man auf so einen Extremfall aus? Wenn ja, dann müsst natürlich ein 63A rein |
||
|
||
|
Ich bin jetzt von Fani`s ~Schema (A) ausgegangen, da könnte der erste RCD RCD [Fehlerstrom-Schutzschalter] theoretisch überlastet werden. Spielt bei (B) keine Rolle... |
||
|
||
|
Ich hab eine Zeitlang einen sofort lieferbaren selektiven RCD RCD [Fehlerstrom-Schutzschalter] zum vernünftigen Preis für diesen Einsatzzweck gesucht und diesen gefunden, was haltet ihr von dem ? https://www.elektrikstore.at/de/fi-schalter/siemens-5sv3444-8-fi-schutzschalter-kls-a-4pol-40a-100ma::47275.html |
||
|
||
|
gibts ja von eaton auch, den hab zb ich. der siemens sollt auch ok sein. mit wieviel A der vorsicherbar ist, ist mir nicht ersichtlich. les was von 100A, aber das wär komisch viel |
||
|
||
|
Bin erst kürzlich auf diesen Thread gestoßen, äußerst interessant! Hatte bislang am ACout keinen selektiven 100 mA FI verbaut, werde den jetzt nachrüsten! Siemens 5SV3444-8 LP 5SV3444-8 FI-Schutzschalter KL.S/A 4Pol. 40A 100mA Vorgesichert mit Siemens 5SL6640-7 Leitungsschutzschalter 400V 6kA, 3+N-polig, C, 40A Von dort mit 10 mm² zum Hausverteilerkasten mit den üblichen 30mA FIs @gloitom 's Ausführungen betreffend @Fani 's Schema machen Sinn für mich, daher werde ich das entsprechend @gloitom 's Schema (B) ausführen. Tolles Forum, tolle Hilfe! |
||
|
||
|
Auch wenn ich noch keine Parallelschaltung probiert habe, gehe ich davon aus, dass die genauso einwandfrei funktioniert wie der Rest. Aber wenn du mehr Leistung brauchst, warum nimmst du dann keinen größeren MP? |
||
|
||
|
ich hatte mal 6x MP2 3000 laufen, komplett problemlos aber wie @christoph1703 schon sagte - du kannst bis 15000 nach oben skalieren oder brauchst du noch mehr ? |
||
|
||
|
LK, was wäre der Mehrwert bzw was wollt ihr mit dem selektiven RCD RCD [Fehlerstrom-Schutzschalter] schützen, wenn alle Stromkreise danach mit einem RCD RCD [Fehlerstrom-Schutzschalter] abgesichert sind? LGP |
||
|
||
|
Diesen Faden hast von Anfang an gelesen?
|
||
|
||
|
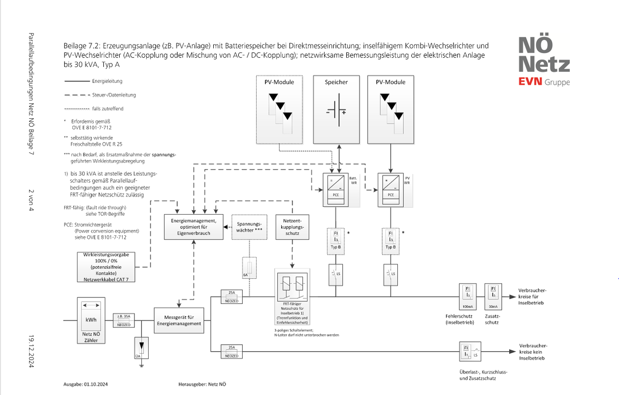
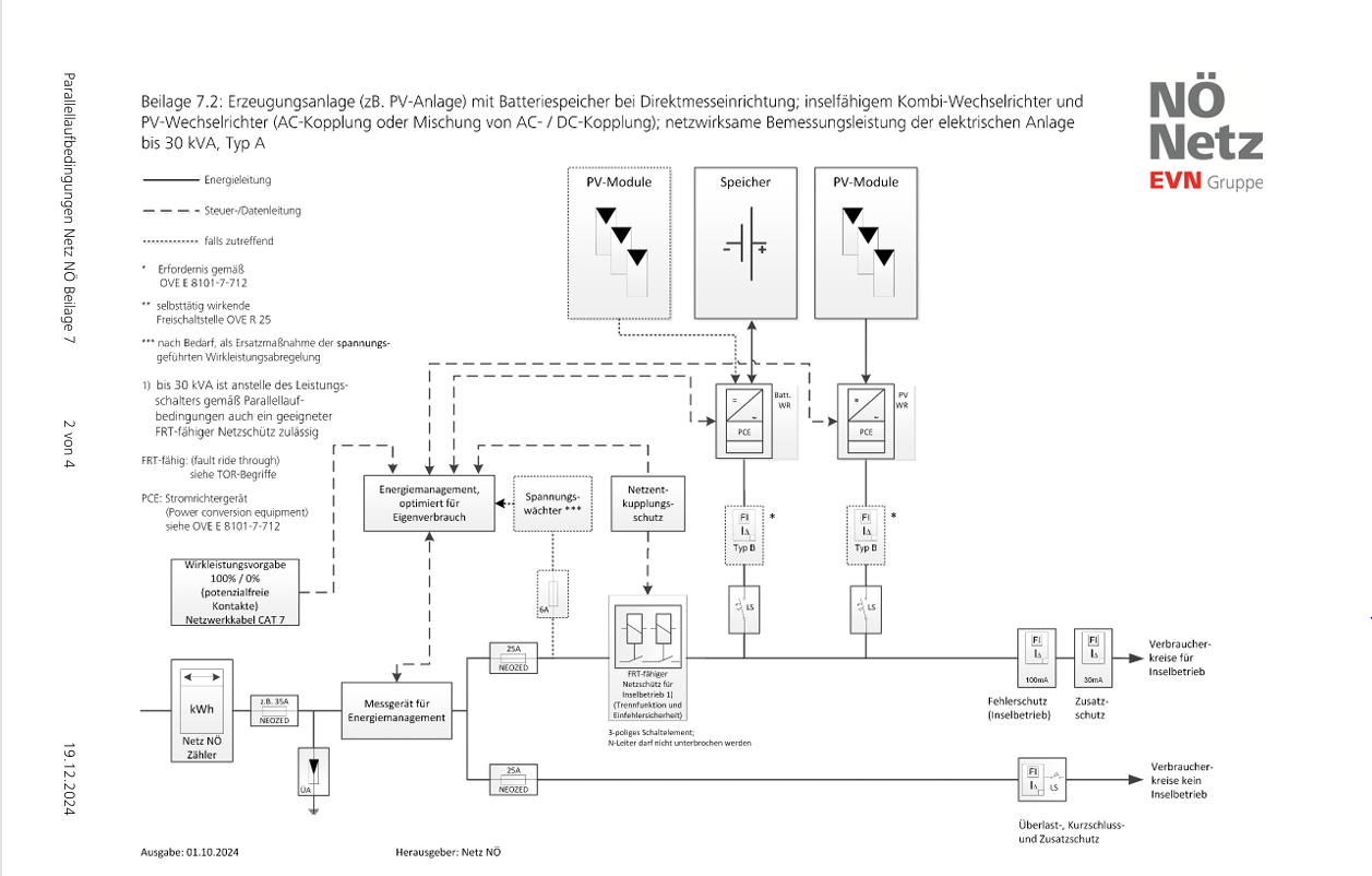
Danke aber ich meinte nach dem PCE > in der Victron Nomenklatur AC out 1/2 Von der EVN wird gemäß Parallellaufbedingungen vom 19.12.2024 in der Beilage 7 Seite 2 für den Inselbetrieb vorm Zusatzschutz (also den 30mA RCDs der einzelnen Verbraucherstromkreise) ein 100mA RCD RCD [Fehlerstrom-Schutzschalter] gefordert. Ok Zusätzliche ist nach jedem WR egal ob PV WR WR [Wechselrichter] oder Batterie WR WR [Wechselrichter], ein zusätzlicher Typ-B RCD RCD [Fehlerstrom-Schutzschalter] und LS gefordert. Referenz ist die OVE 8101-7-712. Ich habe danach gesucht, aber keinen sinnvollen Hinweis darauf gefunden, in welchem Fall dieser RCD RCD [Fehlerstrom-Schutzschalter] notwendig ist. https://www.netz-noe.at/CMSPages/GetFile.aspx?guid=2c83acfa-61fd-4bd3-8bdb-4a6ea25f312d |
||
|
||
also ich denke, mit FI 100mA selektiv direkt am ACout und anschl. die 30 mA FIs Zusatzschutz sind OK, siehe auch https://image.schrack.com/produktkataloge/p-infopv-7.pdf Keine Ahnung, wo das her hast, dass dann noch ein rein muss? Oder hab ich dich da falsch verstanden? Oder beziehst du dich darauf?: https://www.vorarlbergnetz.at/media/Info_Day_%202019_Becker.pdf |
||
|
||
|
||
|
||
OK Victron MP-II sind Trafo-Geräte, d.h. galvanische Trennung zw. AC- und DC-Seite, daher ist bei diesen kein RCD RCD [Fehlerstrom-Schutzschalter] Typ B erforderlich. Andere PCE ohne galvanische Trennung zw. AC u. DC haben meist einen integrierten Typ B Schutz, daher ist der auch dort meist nicht erforderlich. Findet man dann in den Angaben der Hersteller (z.B. Fronius Symo). Siehe auch nochmal "ÖNORM E 8101 Teil7-712, die Die PV-Norm": https://www.energiesparhaus.at/redirect.cshtml?q=https://www.vorarlbergnetz.at/media/Info_Day_%202019_Becker.pdf |
||
|
||
|
Danke für den Hinweis! |
Beitrag schreiben oder Werbung ausblenden?
Einloggen
Kostenlos registrieren [Mehr Infos]






