DIY-Idee Kühlraum mit BWWP Projektvorstellung und Diskussionsfaden
|
|
||
|
Planung & Ausführung: Zuerst ging es darum, wo eigentlich der Kühlraum hin sollte: möglichst an die Außenwand bzw. in eine Ecke, neben den Technikraum, und die Tür sollte zentral liegen. Dann wurde es ein Kompromiss zwischen Kühlraum und Technikraum, und so ist der Kühlraum mit 1,8 m Breite noch komfortabel, aber der Technikraum mit allem, was dort hineinkommt, doch sicher voll. Zuerst habe ich mir das Gerät Wine C25 vom WineMaster angesehen, aber irgendwie gefiel mir die Lösung einer Luft-Luft-WP nicht. Auch über Splitgeräte habe ich nachgedacht und überlegt, ob ich das Außenteil nicht einfach in die Waschküche stellen soll, aber irgendwie schreckte mich der mögliche Lärm ab, und mangels Erfahrung überlegte ich während der Bauzeit weiter. Für die Tür überlegte ich auch lange, bis ich dann auf die Idee kam, mir einfach eine Eingangstüre einzubauen. Preislich wollte ich dafür aber nicht viel verpulvern, und so wurde ich auf die Splendoor Stahl-Nebeneingangstür NS1 98 × 198 mit einer Durchgangsbreite von ca. 90 cm aufmerksam. Da der U-Wert bei 0,8 W/m²K liegen sollte, hatte ich damit meine Kühlraumtür gefunden. So wurde Mitte 2024 die Tür inklusive Dichtbänder auf der warmen Seite eingebaut. Die auf der kalten Seite wurden weggelassen, mit dem Hinweis, dass es hier keinen Schlagregen geben wird. Nachdem mir die Luft-Luft-WP-Lösungen (Monoblock oder Splitklima) eigentlich nicht wirklich zusagten, dachte ich mir: Gibt es nicht irgendetwas mit Luft-Wasser, preiswert und mit niedriger Leistung? Fündig wurde ich dann bei der OCHSNER EUROPA MINI – eigentlich mit zu viel Leistung und außerdem nicht gerade günstig. Danach bin ich noch auf folgende Geräte gestoßen: Stiebl Eltron WWS 20 (= Ochsner) und die NIBE F130. Speziell die NIBE sticht einmal mehr mit ihren Möglichkeiten zur Regelung, z. B. des Lüfters, heraus. Auch sollte sich damit die Temperatur im Kühlraum einfach steuern lassen. Aber auch hier war mir der Preis letztlich zu hoch. Bis ich dann auf die Marke Ariston aufmerksam wurde. Schon fast hätte ich mir die NUOS EVO A+ 80 bestellt, bin dann aber in Spanien noch auf das neuere Modell Ariston NUOS PLUS S2 WIFI gestoßen (bei uns nicht zu kaufen). Diese hat nicht nur R290, sondern auch mehr SG-Einstellmöglichkeiten. Ob das dann alles funktioniert und wie sich die Steuerung lösen lässt, ist aus dem nicht sehr gut geschriebenen Manual allerdings nicht herauslesbar. Vorteil: Der Preis ist sehr attraktiv und die Kühlleistung sollte bei rund 450 W liegen. Nachteil: integrierter 80-l-Speicher. Also in Spanien bestellt! Weiters bin ich dann doch noch auf die Idee gekommen, alles gut zu dämmen (auch den 25er Heluz): 10 cm EPS auf Ziegel sowie 20 cm bzw. 16 cm EPS auf die Stahlbeton-Außenmauer und 20 cm Deckendämmung. Der Bodenaufbau besteht aus 3 × 3 cm EPS W20, 3 cm Rolljet und 6 cm Zementestrich. Meine Frau hat dann im Baumarkt Fliesen gesehen und gesagt: „Die will ich für den Kühlraum!“ Also wurden alle Wände und der Boden verfliest. Die Ariston-BWWP wurde im Technikraum montiert, da dort doch noch Platz war. Frisch- und Fortluft wurden mit 160er Spiro verlegt, mit 24 mm Armaflex isoliert, zwei Mauerkästen auf der Kühlraumseite montiert und bei der Frischluft eine Filtermatte eingelegt. |
||
|
||
|
Hallo tempo85, hier gibt es dazu Erfahrungen und Preise: DIY-Idee Kühlraum mit BWWP Projektvorstellung und Diskussionsfaden |
||
|
||
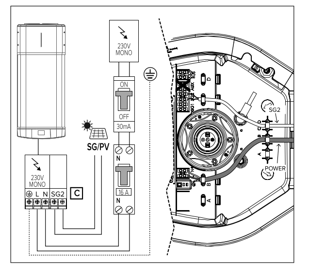
Pläne (Übersicht und Anschluss) Wie bereits beschrieben, habe ich die Ariston im Technikraum montiert. Der Temperatursensor vom Typ Lingg & Janke ALTF55-BCU (KNX) ist zwar nicht ideal platziert, aber das war eigentlich der zuvor geplante Ort für die BWWP, und so gab es dort noch eine leere Dose. Letzte Woche habe ich mich dann mit der Steuerung beschäftigt und wollte wissen, was PARAMETRO P13 – FUNZIONE SG macht (nachfolgend die Übersetzung von Deepl.com): PARAMETER P13 – SG-FUNKTION Wenn ein SG-Signal verfügbar ist, kann das Signalkabel wie im Kapitel Sobald P13 aktiviert ist, erscheint am Display ein PV-Symbol. Dies bedeutet aber nur, dass ein Parameter (P12 oder P13) aktiviert ist. Viel Zeit, was auch mit der nötigen Vorsicht zu tun hatte, brauchte ich, um herauszufinden, dass dieses SG2-Signal 230 V AC benötigt. In der Anleitung steht zwar: „ATTENZIONE: segnale 230 V.“, aber 100 % sicher war ich mir nicht. Es gibt zwar eine Abbildung mit SG1 und 230 V, aber gilt das auch zu 100 % für SG2? Nachdem ich aber in einem Forum einen Beitrag gelesen hatte, dass es sich tatsächlich um 230 V AC handelt, versuchte ich mein Glück. Also Stecker (am bereits angeschlossenen KNX-Kabel!!!) montiert, in die Steckdose gesteckt – und am Display erschien zusätzlich SG. Beim ersten Mal hatte ich da wirklich Angst. Als das einmal geklärt war, habe ich das Ganze, also SG2 und die UWP, auf einen MDT AKS Aktor, mit hilfe einer Kabeltrommel angeschlossen. Weiters habe ich noch den Heizstab abgeklemmt! Konfiguration: Am Hauptbildschirm habe ich die Wunschtemperatur auf das niedrigste gestellt, 40 Grad, und natürlich Green (nur WP WP [Wärmepumpe]) gewählt. Weiters habe ich im „Menu Installer“ Folgendes eingestellt: P4 T_max: 62 Grad – maximale Speichertemperatur P5 T_min: 40 P7 T_max_HP: 62 Grad – maximale Speichertemperatur mit Verdichter P8 TminAir: 5 Grad P9 HYST_HP: 3 Grad P12 PV TSET: 62 Grad – maximale Speichertemperatur mit SG-Signal P13 SG MODE: ON Somit läuft die BWWP ohne SG-Signal nur bis 40 Grad Speichertemperatur. Eventuell hat P9 HYST_HP darauf noch einen Einfluss, und ich sollte diesen höher stellen – möglicherweise schaltet sie dann auch deutlich vor 40 Grad ohne SG-Signal ab. Sobald ein SG-Signal anliegt, springt die UWP an (hängt am selben Aktorkontakt), und der Verdichter startet und versucht, 62 Grad zu erreichen (was er realistischerweise nie schafft). Den Parameter P8 TminAir nutze ich als Schutzfunktion: Sobald diese Lufttemperatur erreicht wird, schaltet die BWWP den Verdichter ab und den Heizstab ein. Der Heizstab ist jedoch abgeklämmt, eine Störung verursacht dies keine, was dazu führt, dass sie auf höhere Lufttemperaturen wartet. Den Wert werde ich natürlich noch anpassen. Den AKS habe ich so eingestellt, dass er über 11 Grad einschaltet und unter 9 Grad ausschaltet. Sollte die Speichertemperatur unter 40 Grad sein, läuft die BWWP nach. Durch ihren 80-l-Speicher ist dies jedoch nicht sehr lange der Fall, da die UWP zugleich mit dem SG2-Signal deaktiviert wird. (Foto Dokumentation und Temperatur/Feuchtigkeitskurven, werden die nächsten Tage folgen)
|
||
|
||
|
Die Ariston wird ja hoffentlich nicht die Abluft wieder zurück in den Kühlraum blasen 😇 Frage: was hat gegen ein dediziertes Kühlraumaggregat gesprochen, wenn die Nutzung für Warmwasser nicht im Vordergrund gestanden ist ? Geräte aus dem Bereich Gastro gibts in allen möglichen Größen und auch viel am Gebrauchtmarkt. |
||
|
|
||
|
||
|
Nach dem ich noch Zeit hatte! Zwischenergebnisse: Ich habe die Hysterese (AKS-Aktor) immer weiter gesenkt und hatte dann beim ersten Mal unter 10 Grad einen Abtauvorgang. Nachdem ich mir sicher war, dass dies nicht problematisch für die BWWP ist, habe ich noch einen weiteren Anlauf versucht – seitdem läuft sie ohne Abtauvorgang. P24 T_Air: 7 Grad P25 T_EVAP: 0 Grad, manchmal auch −1 P26 T_SUCT (Temperatur am Sauggas): ebenfalls 0 (−1) P29 T_SH (Superheat / Überhitzung): 0 Grad Über 10 Grad (KNX-Sensor) liegt die Überhitzung (T_SH) noch bei 3–4 Grad. Die richtige Interpretation dieser Parameter ist mir noch nicht klar, vor allem nicht, ob es gut ist, dass T_SH über längere Zeit 0 ist, wobei die BWWP eigentlich bis −10 Grad freigegeben ist. Weiters ist natürlich auch interessant, wie viel Wärme der Kühlraum verliert und wie viel Kälteleistung die BWWP hat. Es ist natürlich noch nicht alles zu 100 % eingeschwungen, aber die Laufzeiten lassen schon erste Abschätzungen zu. 9–11-Grad-Zyklus: Kühlphase: 3,8 h Erwärmungsphase: 2,8 h Zyklus gesamt: 6,6 h 10–12-Grad-Zyklus: Kühlphase: 3,2 h Erwärmungsphase: 3,2 h Zyklus gesamt: 6,4 h Abschätzung: Raumverlust bei ~10 °C: ≈ 90 W Kälteleistung BWWP bei ~10 °C: ≈ 160 W Abnahme der Kälteleistung: ~7–8 % pro −1 K Weiters habe ich mangels Home Assistant (folgt) ein Dashboard am Victron GX (RedNode) erstellt. So sieht man auch die Änderungen der Luftfeuchtigkeit, wenn die Anlage startet oder stoppt, jemand hineingeht oder sie sich abtaut. ![]() ![]() |
||
|
||
|
Es gibt keine Abluft, sondern nur Umluft. Die Raumluft wird angesaugt, abgekühlt (und entfeuchtet) und wieder in den Raum zurückgeschickt. Wie wird denn die Luftfeuchte eingestellt? Wenn z. B. Kartoffel, Obst, etc. gelagert wird ist das sehr wichtig. |
||
|
||
|
Wo hin den sonst! Kühlraum ist Luftdicht gemacht (Elektro Dosen, Tür, etc.), wenn da die Abluft nicht wieder Hineinführt, hats die Ariston wirklich schwer. Ich muss sagen, ich habe mir das garnicht so genau angesehen, nach dem die aber alle Luft-Luft sind kommt da wieder das selbe zum tragen wohin damit. Und auch kenne ich den Kühlraum bei einem Verein und das Aggregat ist schon laut, vielleicht gibts leisere, aber wie gesagt nicht genau verfolgt. Die BWWP wiederum ist im Technikraum extrem leise da ist sogar die Nibe S1156-8 lauter, im Kühlraum ist sie zwar deutlich hörbar aber bei zugemachter Tür hört man da nicht. Weiters gibt es noch den Vorteil Heizstab bzw. notfall Heizung, also selbst mit komplett defekter Nibe funktioniert zur not auch das Warmwasser. Und außerdem finde ich es nicht schlecht mit Abwärme gleich Warmwasser zu erzeugen. |
||
|
||
|
Stimmt, natürlich... Sorry Denkfehler 🤣 |
||
|
||
|
Ja dies wird sich zeigen. Zum befeuchten habe ich die Idee (aber nicht fertig gedacht) das man das Kondensat im Kühlraum irgendwo hin tropft und dann erst zurück in den Technikraum zum Abfluss läuft. 1) Eine Möglichkeit Trichtersiphon 2) zuerst auf ein saugfähiges Material tropfen lassen z.B. Ziegel Jetzt liege ich so bei 55% mit Spitzen nach oben bei Verdichter ein und Verdichter aus. Aber eigentlich weiß man noch nicht wo sich das hin entwickeln wird. Auch ist natürlich alles ein Kompromiss was gut für Äpfel ist muss nicht gut für Wein und Mehl sein. Dann gibt es die Möglichkeit ein bestimmtes Mikroklima zu schaffen mit Jutesäcke oder für Mehl z.b. eine verschlossene box. Aber eigentlich ist das jetzt schon viel besser als unsere Wohnung mit 24 Grad und 25-30% Luftfeuchtigkeit. |
||
|
||
|
Für Obst und Gemüse im Gemischtlager ist wohl so 5-10Grad C bei 90-95% ideal. Die Luftfeuchte passt dann aber wohl für Getreide, Mehl etc nicht mehr. Wenn die Kartoffel etc lagerst würde ich auch schauen Trockenprodukte irgendwie getrennt zu haben, wegen dem Ungeziefer. Bei Äpfel an das Ethylen denken. Wenn der Raum schon kühl ist überlege ich gerade on es eine Option wäre einzelne (ausgediente) Kühltruhen für die unterschiedlichen Gemüse reinzustellen |
Beitrag schreiben / Werbung ausblenden?
Einloggen
Kostenlos registrieren [Mehr Infos]










