Hilfe bei der Analyse der Hydraulik meiner Heizungsanlage
|
|
||
|
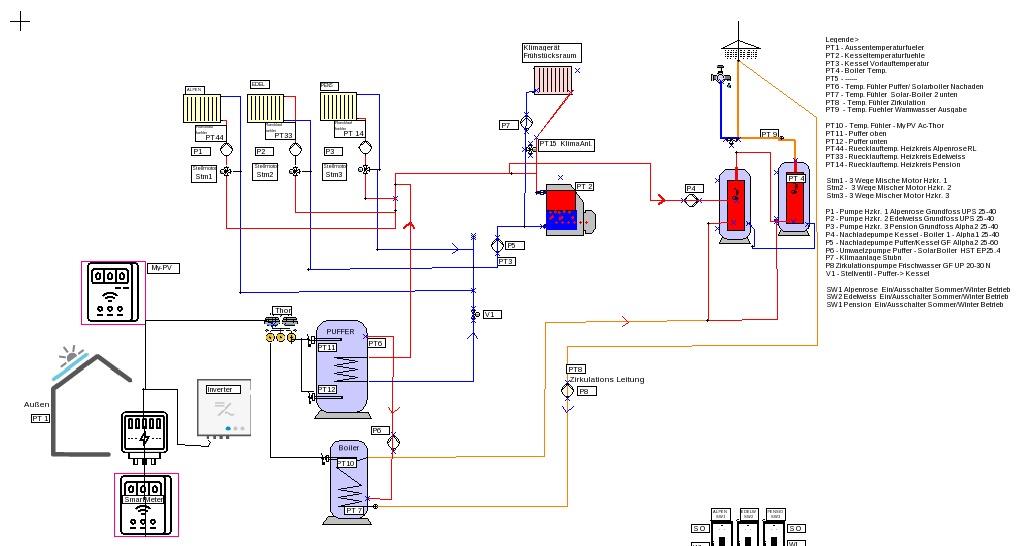
Wenn ich das richtig sehe 1 Wärmeerzeuger Öl?! 2 Pufferspeicher die Elektrisch über PV gespeist werden 2 Warmwasserspeicher 3 Heizkreise gemischt für verschiedene Häuser oder Abteile in einem riesen Objekt 2 Warmwaserspeicher über Wärmerzeuger oder Pv beteuerte Puffer. Ist die Anlage neu oder ist hier immer wieder dazu gescheitert worden? Viele Wegeaber ansonsten einfache Anlage mit vielen alternativen. Hätte ma Sinnvoller lösen können mit einem vernünftigen Konzept. Gemischte Heizkreise um Temperaturen für unterschiedliche Systeme und deren Temperaturen. Erzähl doch mal was zu den verschiedenen Systemen der Häuser Alpenrose , Edelweiß? Klimagerät Frühstücksraum? Ist das ein Hotel? |
||
|
||
|
Also es handelt sich um eine Pension, Anfänglich gab es puffer und boiler unten links nicht aber durch den zubau wurde das system um diese 2 speicher erweitert. Wärmeerzeuger is eine ölheizung (180l) dessen steuerung den geist aufgab und der hersteller nur eine neue anlage verkaufen würde... Grundlegend habe ich bereits eine idee wie alles funktioniert: P1-P3 sind die heizkreisläufe im gebaude Die mischer STM1 - STM3 regeln auf eine rücklauftemperatur von 35-50 grad je nach außentemperatur P4 ist die Nachladepumpe für den Doppelwandboiler welcher mit dem kessel gemeinsam 500l heizungswasser fasst P5 und V1 ist zur nachladung des Puffers (1000l) zuständig P5 ist auch notwendig um den heizkreislauf pension P3 zu unterstützen Auch das nachladen in boiler bei p4 geht schneller wenn p5 läuft (was ich allerdings nicht ganz sehe) Frühstücksraum p7 ist zur Zeit noch unwichtig für mich Hauptsächlich geht es mir darum den kessel effizient weiter zu betreiben Die steuerung übernimmt nun ein esp32 Über die API von Smartenergy lese ich den Strompreis aus (habe einen börsentarik) und aktiviere die heizstäbe wenn der preis pro kWh unter 3 cent geht...ansonsten bei PV überschuss Die heizkreisläufe werden nur anhand der rücklauftemperatur gesteuert bsp: unter 35 grad ein und über 50 grad aus (die mischer sollten es jedoch relativ stabil halten) Aktuell habe ich den kessel auf einschalten wenn die kesseltemp unter 50 grad fällt bis er 70 grad erreicht Dann schalte ich p4 und p5 ein P4 schalte ich auch ein wenn pt4 unter 50 grad fällt P5 schalte ich wenn ich den puffer nachladen will oder P1-P3 Rücklauf unterhalb der zielrücklauftemperatur sind Ich seh grad der beitrag würde echt lange werden wenn ich alles erkläre 😅 Also erstmal die große frage: Habe ich bis hier hin die heizung richtig interpretiert? Stimmt es das sowohl doppelwandboiler bei pt4 als auch mein Puffer immer gemeinsam mit dem kessel von einem heizkreislauf angezapft werden? Bsp: wenn p3 läuft und wärme braucht dann kommt es immer vom kessel aber über p5 und v1 kann ich den puffer dazu hängen und somit das volumen des verfügbaren warmwasser erhöhen Bsp2: wenn der boiler über p4 nachgeladen wird und p5 und v1 auch an sind dann habe ich 1680l speichervolumen ? |
||
|
||
|
Hallo Rudibar, hier gibt es dazu Erfahrungen und Preise: Hilfe bei der Analyse der Hydraulik meiner Heizungsanlage |
Beitrag schreiben oder Werbung ausblenden?
Einloggen
Kostenlos registrieren [Mehr Infos]

