WW WP ochsner europa mini iwp optimieren - Seite 2
|
|
||
|
Danke. ;). Ja ich werde es so machen. Sage dir dan Bescheid. Also beim vl nur waagrecht. Ja beim rl mache ich größere löcher. Habe bereits einen schmutzfilter verbaut in rl also Ansaugleitung. Werde im vl vielleicht kein gerades Rohr sondern ein Rohr in der Art 45 grad winkelig machen. Damit habe ich mehr fläche und mehr Löcher.umso langsamer strömt das Wasser rein. Oder Mfg |
||
|
||
Perfekt wär ne Ringleitung ... da musst aber den Speicher - aufschneiden, um den Ring reinzubekommen ... oder erst drin biegen
|
||
|
||
|
Drinnen zusammen löten ;)) das geht schon irgendwie;)) Nur darf ich nicht zuweist an den Rand. Also ich muss sicher 10cm weg bleiben. Oder ? Und soll ich die Löcher waagrecht oder leicht senkrecht machen ? Mfg |
||
|
||
|
Ja, Abstand ist wichtig ... Speicherdurchmesser/5 aus dem - Bauch heraus. Ne, Löcher trotzdem waagrecht.
Aber ehrlich gesagt ... das Ding ist halt nur solange perfekt, bis Du es aus dem Speicher wieder rausholen willst Ich würde bei einer Variante bleiben, die ohne Löt- und Schneidarbeiten austauschbar ist. Löten in geschlossenen Behältern ist eh ned das Beste ... unverbranntes Gas und fehlende Belüftung sind eine fiese Mischung. |
||
|
||
|
Ok. Vielleicht mache ich eine gerade Dan einen Bogen und Dan Wieder zurück so dass ich die doppelte Fläche habe. So In der Art wie ein U Bei rl. Mache ich nur ein gerades Rohr. MfG |
||
|
||
|
Weist du wie ich meine ?
Also die 60 cm rein und Dan wieder 60 cm zurück. So wie ein U. Dan habe ich mehr Fläche. Soll ich mit kleineren Löchern anfangen oder in ganzen Rohr die gleiche lochgrösse ? Mfg |
||
|
||
|
Das mim U kann ich mir schon vorstellen ... aber die beiden - Seiten des U werden, vorgegeben bedingt durch die Breite des Flanschlochs, rel. eng zusammen sein ... damit wird es zwischen den beiden Rohren zu "Turbulenzen" kommen. Besser wird es so nicht.
Gefühlsmäßig mit kleinen beginnen ... die bieten einen höheren Widerstand und veranlassen das Wasser, bis zum Ende des Rohrs auszuströmen. Der Unterschied dürfte aber akademisch sein. Dann gut Bastel! |
||
|
||
|
Oder könnte auch so wie ein V machen. Das bekomme ich schon rein in den Boiler ;)
Danke Werde dir berichten. Mfg |
||
|
||
|
2moos Eine frage noch. Soll ich das vl Rohr gerade rein oder nach unten geneigt machen ? Zb 30grad Und wenn ich bei dem U nur außen und innen keine Löcher mache ? Mfg |
||
|
||
|
Rohr gerade rein, ob das Wasser aufsteigt oder - absinkt soll es selber entscheiden.
Ein U mit Löchern nur außen ... hmm ... wird auch funktionieren ... wenn warmes Wasser reinkommt würde das außen an der Speicherwand entlang aufsteigen und das kühlere in der Mitte durch das U nach unten absinken. Nur wird zwischen dem U nicht viel Platz sein ... wird sich ganz ähnlich einem geraden Rohr verhalten. |
||
|
||
Ich glaub die Rohrvarianten machen allesamt - keinen großen Unterschied mehr, geht in Richtung Haare spalten |
||
|
||
|
Ok dachte ich mit. Habe jetzt eine allerletzte frage an dich ;) Wäre vielleicht ein Rohr was gerade rein läuft. In der Mitte aber ein t Stück hat welche links und rechts geht. (gleich lang wie das gerade rohr ) Also so wie ein X. MfG |
||
|
||
Du willst mir wohl ein T für ein X vormachen!? - Wie baut man tatsächlich mit einem T-Stück ein X zusammen?
Du könntest auch eine Spirale biegen ... die kannst Du dann beim Flanschloch reindrehen. Oder Du zerlegst eine Galiloe-Thermometer und baust mit der 24°C-Blase und einem Gratenschlauch einen schwimmenden Einlauf Im Ernst: Das Rohr könnte schon drin sein! :)
|
||
|
||
|
Ich meine beim gerade Rohr rein da Mache ich in der Mitte ein t Stück dass ich genau in Boiler Mitte bin. Und Dan links und rechts. Das auf alles Seiten von Boiler Mitte her gleich viel Abstand ist. ;))) |
||
|
||
|
Ein "T" mit gleich langen Seiten wird immer ein "T" bleiben. - Damit bist wieder bei einer Form, die nicht als Ganzes durchs Loch passt. |
||
|
||
|
Ok. Ich kann ja auch drinn löten im Boiler. Habe ein e lötgerät. Also ohne Gas. Wäre so eine Konstruktion besser oder ein U mit sagen wir mal 30 cm Breite ? |
||
|
||
|
Ich glaub nach wie vor, dass ein gerades Rohr der - beste Kompromiss ist ... aber von dem willst ja nix wissen. |
||
|
||
|
Ok Dan mache ich gerades Rohr ;). Maches es am Sonntag rein. Mfg |
||
|
||
|
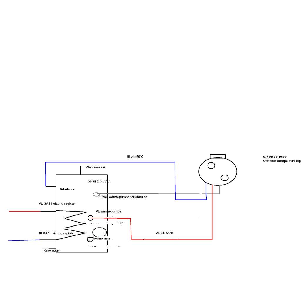
Habe jetzt viel zu viel im internet gesucht. Wegen der ochsner Europa Mini iwp. Also ist es eigentlich nicht optimaler oder zumIndest effektiver die Wp. An das Register und eventuell an einen Rippen Rohr Wärmetauscher anzuschließen ? Meine wegen dem Verbrauch. Habe nähmlich jetzt pro Tag 4kwh. Das bei nur 200l und 1 kWh kostet etwa 25 cent bei der kelag. Danke |
||
|
||
|
Das ist der Preis, den Du für die 55°C zu zahlen hast, - hab ein paar mal geschrieben, dass die runter sollten.
Wenn Du noch einen Wärmetauscher dazwischen schaltest, wird der Betrieb noch uneffizienter und teurer. |
||
|
||
|
Auf wie viel 52?
Habe gerade das Rohr beim gartenschlauch ausprobiert. Hmm vielleicht wäre es besser mit den großen löchern zu beginnen und immer ein wehnig kleiner werdend nach richtung Eingang ? |
Dieser Thread wurde geschlossen, es sind keine weiteren Antworten möglich.