Wärmepumpe zu klein oder gerade richtig? - Seite 2
|
|
||
|
Aber was ist nun der Nutzen dieses Speichers? Ich nehme stark an, Hoval hat sich etwas gedacht dabei. Wenn der ineffizient wäre, wären ja die Werte schlechter. |
||
|
||
|
Ein Puffer bringt unter gewissen voreausetzungen immer inneffizienz mit. Ein Puffer im Parallrlbetrieb ist die einfachste Ausführung bei der sich kei Heizungsbauer Gedanken machen muss. Die Hersteller garantieren störungsfreien Betrieb. Weil die Wp läuft ein wenig und kann geregelt abschalten. Zauberwort- Störungsfrei Alles andere ist Planung vorausgesetzt, kein Hersteller plant dir jede Anlage individuell zu jedem Haus. Hier zählt Verkauf und nix damit sonst zu tun haben. Hier hat mal "dyarne" geschrieben ich zitiere " ein Hersteller verkauft, ein Planer plant und ein Heizi setzt es um" Zitat ende |
||
|
||
|
Ja gut, aber wenn der parallele Speicher dazu verwendet wird die Anlage abzutauen und das intelligent geregelt wird, dann sehe ich nur Vorteile. Weil in Serie ist halt blöd, wenn du 15 Minuten oder länger kalte Heizkörper hast. |
||
|
||
|
Meinst du Y7? Das ist das Dreiwegeventil für WW WW [Warmwasser]/ Heizen. Um dein Problem mit den kalten Heizkörpern zu umgehen sollte es doch ausreichen einfach die Heizkreispumpen beim Abtauen zu deaktivieren. Als Bonus könnten die Pumpen nach dem Abtauvorgang noch so lange aus bleiben, bis der Puffer ca. VL Soll Temp. erreicht hat. Vmtl. gibt das die Steuerung aber nicht her... |
||
|
||
|
Ich meine das Ventil (YK1) rechts oben. fir Anlage stellt die Heizungspumpe auf 100%, weil die den Durchfluss benötigt. Ausschalten geht da leider nicht. Ich bin nicht sicher, ob das bei der Belaria anders ist. |
||
|
||
|
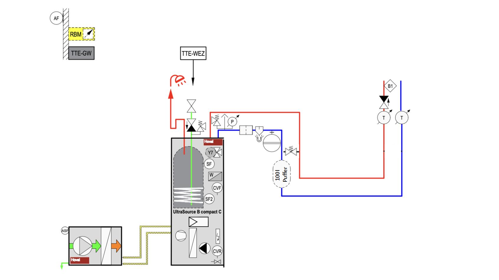
1) YK1 ist der Mischer für den Heizkreis. 2) Der 100L Puffer ist mit hoher Wahrscheinlichkeit in Serie hydraulisch eingebunden. 3) Kenne die technischen Daten von dieser WP WP [Wärmepumpe] nicht, aber für den Abtauvorgang mittels Prozessumkehr benötigt es eine gewisse Menge an Heizungswasser. Nicht umsonst haben WP WP [Wärmepumpe] Systeme mit elektrischer Abtauung einen 6kW Heizstab drinnen. Bei manchen LWWP LWWP [Luft-Wasser-Würmepumpe] in dieser Leistungsklasse werden mindesten 150-200 Liter Heizungswasser vorgegeben. Da kann man nicht einfach irgendwas "abdrehen", bzw "ausschalten". 4) Bei einem Gebäude mit einer halbwegs guten thermischen Hülle, darf eine Unterbrechung der thermischen Energiezufuhr von 30min, sich überhaupt nicht in einer Änderung der Raumtemperatur auswirken. Wenn deine WP WP [Wärmepumpe] bei -2° Grad AT AT [Außentemperatur] schon mit einer Leistung von 8kW den ganzen Tag (24h) läuft, dann bringt die in 24h 170kWh (Abtauenergie abgezogen) in das Gebäude! ![]() |
||
|
||
|
Kannst du das Hydraulikshema sicher so deuten?! Sorry dann hab ich die letzten 24 Jahre was falsch gemacht. Parallel, ich habs sogar erklärt warum |
||
|
||
|
Wass passiert denn wenn nicht alle Ventile offen sind? Der Überströmer spricht dann an und der Wasserdurchsatz bleibt. Der ist übrigens direkt über Vor- und Rücklauf Die thermische Hülle ist nun mal so. Das Problem bei 0 Grad ist das Abtauen, dadurch muss sie nachher wieder auf 100 hoch. In der Summe dürften dies pro Tag etwa 40 kWh (elektrisch) sein. |
||
|
||
|
Nur damit keine Missverständnisse entstehen, ist das Schema aus Post #17 (=>Parallelpuffer mit Stichanbindung des Heizkreises mit eigener Heizkreispumpe) jetzt das Schema welches du bei dir eingebaut hast?? Ich glaub nicht oder? Das würde nicht zu den Angaben passen, die du in den ersten Postings gemacht hast (Reihenpuffer im Rücklauf und Überströmventil). Das ist ja das Thema, weil das Gebäude nicht so gut gedämmt ist und auch die Heizkörper völlig unterdimensioniert sind. Ist mir ohnehin ein Rätsel, wie ein Installateur eine WP WP [Wärmepumpe] an ein T10/T11 Heizkörpersystem anschließen kann. Nachdem die Maschine fast immer Vollgas läuft, vereist sie umso schneller und wenn dann die von Kleinermuk erwähnten 30 Min Abtauen dann vielleicht alle 2 Stunden vorkommen, ist es schon merkbar. Auch wenn sich an der Raumtemperatur vielleicht nicht sofort viel ändert, spürt man es wenn die IR-Strahlung von der Heizkörperfläche fehlt und die Konvektion der Raumluft stehen bleibt. Mir ging es zumindest so und daher habe ich bei mir die separate Heizkreispumpe während dem Abtauen deaktiviert. Ich denke die 100l Puffer werden vermutlich schon die Mindestwassermenge sein, die das Hoval Gerät benötigt. Eventuell mal in den Datenblättern/Handbüchern nachlesen, was hier die Vorgabe ist. Wenn jetzt alle Heizkörperventile geschlossen werden, dürfte die Maschine ja trotzdem nicht gleich in Störung gehen, sie wird halt zum Takten anfangen. Ich denke worauf Sunner wahrscheinlich hinaus will ist, ob man statt dem Überströmventil in seinem Reihenpuffersytem ein Umschaltventil einbauen kann, welches dann den Heizkreis beim Abtauen wegschaltet. Was sagt eigentlich Dein Installateur zu deinem Problem? |
||
|
||
|
Ja, die Zeichnung ist von einer anderen Anlage. Wollte nur den Unterschied verstehen. Ich befürchte dazu fehlt Kompetenz beim Installateur... Wenn der Heizkreis zuginge wäre das Problem schon mal reduziert. Die Temperatur im Wärmeerzeuger steigt ja schnell wieder nach dem Abtauvorgang. Wenn das System die gleichen Temperaturen liefert wie die Ölheizung, dann passt das schon mit T11. Aber ja, glaube kaum, dass er dass berücksichtigt hat. Ja genau so habe ich das gemeint mit dem Umschaltventil. Alternativ könnte ich zumindest mit einem druckunabhängigen Regler den Vorlauf auf den Nennstrom begrenzen. Dann habe ich zumindest keine Fliessgeräusche, richtig? |
||
|
||
|
Langsam wirds unübersichtlich was die Angaben angeht... Kannst du mal ein komplettes Bild vom Innengerät und Aussengerät hier reinstellen? Auch die genaue Bezeichnung der Anlage? Bild vom Überströmventil? Dein Hydraulikschema? Evtl. auch ein größeres Übersichtsbild der Installation wo man etwas die Hydraulikerkennt? |
||
|
||
Hoval UltraSource 8 Compact 200 Liter Boiler integriert, mit 100 Liter Speicher https://www.hoval.ch/de_CH/Heiztechnik/W%C3%A4rmepumpen/Luft-Wasser-W%C3%A4rmepumpen/Splitaufstellung/UltraSource-B/UltraSource-B-compact-C/p/B_ultrasource-b-compact-c#downloads Überströmer https://www.caleffi.com/sites/default/files/media/external-file/01007_de.pdf Skala 1-6, sieht aus wie das oberste im PDF. Eingestellt auf 1 - im Normalbetrieb also nicht offen. Erwartung ist, dass es maximal öffnet, sobald Pumpe von 45 auf 100 springt. Allle Heizkreise sind immer voll offen. Ventile entweder auf N oder reduziert, wenn zu warm. Durchfluss bei ca 12l/min, im Abtaumodus auf 29 l/min - rauscht in Installation. Wie gesagt, ist der nicht wie in der Zeichnung eingebaut, sondern direkt über Vor- und Rücklauf - nicht über seriellen Speicher. |
||
|
||
|
Überströmer ist ja drin und wo soll der im RL RL [Rücklauf] befindliche Reihenpuffer sein? Da hast mit deinem Heizi bissl ins Klo gegriffen, außer bei der Auslegung der WP WP [Wärmepumpe]. |
||
|
||
|
Ja, wem sagst du das. Ist eine grosse Firma, lange bestehend, lokal... ist ja nicht zu ändern. Bei aktuell minus 3-5 Grad und wenigen Abtauzyklen, kommt die Anlage gut klar, läuft aber auf 100%. Ich kann einfach kein Heisswasser bereiten. Wie kommst du darauf, dass die Auslegung so passt? Ist es normal, sinnvoll, effizient, materialschonend wenn die Anlage tagelang auf 100 % läuft? Zudem ist sie in dem Zustand auch besonders laut. Das ellipsenförmige Ding in der Zeichnung ist wohl der Speicher. Wie gesagt, bei mir kommt der Überströmer vorher. Der Überströmer garantiert halt nicht, dass nur ein bestimmter Volumenstrom durch die Anlage geht. In meinem Fall geht definitiv mehr als 12 l/min durch die Anlage. Dafür bräuchte ich dann einen druckunabhängigen Reduzierer im Vorlauf oder Rücklauf, richtig? |
||
|
||
|
Wie der Überströmer kommt vorher? Vor dem Puffer, dann hast deine erste Fehlerquelle, da der Puffer nicht zum Abtauvorgang durchströmt. Sicher 100%? Ich kenne Hoval nicht wie der Verdichter usw angesteuert werden oder das Regelverhalten. Überströmer muss auch richtig eingestellt werden, da versagen viele. Aber klär ma des erst mal in welcher Reihenfolge Überströmer und Puffer eingebaut sind |
||
|
||
|
Indirekt wird der Überströmer schon durchflossen. Ist dann ja parallel zum Überströmer zusammen mit allen Heizkörpern in Serie. Zumindest wenn er häufig abtaut geht er immer auf 100 bis er wieder abtaut. |
||
|
||
|
Das beantwortet nicht meine Frage |
||
|
||
|
Sorry ich meinte der Speicher ist parallel zum Überströmer. Der Speicher ist in Serie zum Heizkreis, aber eben nach dem Überströmer in Richtung Haus. Ja das ist sicher ein Fehler, der behoben werden muss. Aber das stoppt ja nicht den Durchfluss durchs Haus. Eher noch das Gegenteil, da dann der Widerstand über den Überströmer grösser wird. Ich bin mir einfach unsicher, ob die Leistung passt. Bei fast 5 Grad moduliert sie auf 50%. Bei 0 und Abtauen auf 100. bei -5 80-100. |
||
|
||
|
Ernsthaft, das kann ja nicht funktionieren. Mach mal Bilder das kann ich mir nicht vorstellen das Grundlagen so falsch gebaut werden. Da müsstest du auch abtauprobleme bekommen wenn Ventile zu sind. ? |
||
|
||
|
So wird es sein. Ein Überstromventil (Bypass) ist dazu da, um bei einem abgesperrten Heizkreis (alle Heizkörper abgedreht) einen Mindestdurchfluß durch den Wärmerzeuger sicher zu stellen. Manche WP WP [Wärmepumpe] Hersteller geben diesen Mindestdurchfluss auch in Liter/min an. Auch wenn du es auf 1 stellst, wird es wirkungslos sein, da bei dir alle Heizkörper offen sind und damit kein ausreichender Differenzdruck durch die UWP (auch bei 100% Leistung) erreicht wird, um den Bypass zu öffnen. Und sei froh darüber, sonst hätte deine WP WP [Wärmepumpe] schon längst Probleme beim Abbtauen. ![]() ![]() |
||
|
||
|
Also der Überströmer ist direkt an VL VL [Vorlauf] und RL RL [Rücklauf] an der WP WP [Wärmepumpe] angeschlossen. Richtung WP WP [Wärmepumpe] kommt da nichts anderes mehr Der Speicher ist im RL RL [Rücklauf] drin und wir die Normalfall durchflossen. Beim Abtauen mit 100% öffnet der Ü und schliesst einen Teil kurz. Durch die HK und den Speicher fliesst dann immer noch ein grosser Anteil >50%. Sonst würden die HK und der Speicher ja nicht auskühlen. Der Speicher und HK sind zu sich in Serie und zusammen parallel zum Überströmer. |
Beitrag schreiben / Werbung ausblenden?
Einloggen
Kostenlos registrieren [Mehr Infos]




