Sole-WP Bypass für Pufferspeicher einbauen?
|
|
||
|
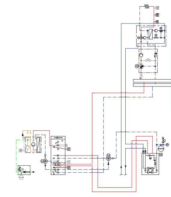
Seh ich das richtig, du hast einen Puffer, eine hydraulische Weiche und hintendran den Mischer? Dh du verlierst einmal Temperatur im Puffer, hast einen Kurzschluss in der Weiche, und dann mischst du nochmal runter? Am besten wärs, die WP WP [Wärmepumpe] nach dem Mischer anzuschließen und den Mischer+Weiche gleich auf willhaben zu stellen. Du brauchst dann noch ein Dreiwegeventil, mit dem du umschaltest zwischen Heizung und Puffer für die FriWa laden. |
||
|
||
|
nein ich habe keine Hydraulischeweiche. Wo siehst du die? Das graue ventil im Mischer ist nicht vorhanden. VL Heizen von WP WP [Wärmepumpe] und VL VL [Vorlauf] WW von WP WP [Wärmepumpe] werden in der WP WP [Wärmepumpe] umgeschsltet und an verschiedenen Punkten im Puffer eingeleitet, dies sieht man an den zwei roten Linien die von der WP WP [Wärmepumpe] zum Puffer laufen. der Kasten über dem Mischer ist das Natural Cooling Modul was nur im Sommer zur Kühlung genutzt wird. |
||
|
||
|
Hab nicht genau genug geschaut. Rechts im Bild unter dem Mischer ist nur ein Verteiler? Oder ist da doch eine Verbindung zwischen VL VL [Vorlauf] und RL RL [Rücklauf]? Ein reiner Verteiler würde ja nur Sinn machen, wenn es auch was zu verteilen gibt. Sorry, da hab ich wirklich zu schnell geschaut. Dann kannst du das mit dem Bypass so machen wie du geschrieben hast. Davon solltest du auch einen im RL RL [Rücklauf] einbauen, damit du nicht unnötig kaltes Wasser durch den Speicher schickst. Mischer voll auf wird funktionieren, optimal wärs natürlich, den gleich ganz auszubauen. |
||
|
|
||
|
||
|
Die Frage die sich mir stellt beeinflussen sich die Sekundärpumpe der WP WP [Wärmepumpe] und die im Mischer verbaute HK Pumpe nicht (sind ja 2 Pumpen hintereinander in einer Leitung)? In den Rücklauf würde ich kein Bypass einbauen da zur Zeit der Rücklauf der FBH FBH [Fußbodenheizung] ja auch in den Puffer geht und ich bisher keine negativen Anzeichen dafür gesehen habe. na evtl bau ich den doch ein um zu testen. |
||
|
||
|
Nicht so dass es problematisch sein könnte, vom unnötigen Stromverbrauch mal abgesehen. Idealerweise gleichst du sie so ab, dass sie beide ungefähr bei gleicher Leistung laufen. Aber solange der Durchfluss durchs Heizsystem passt, ist es fast egal. Du könntest dadurch einen erhöhten Verbrauch fürs WW WW [Warmwasser] haben. Würde ich als Schritt 2 in der Optimierung sehen, nach dem definitiv notwendigen Bypass im VL VL [Vorlauf]. Schritt 3 wäre dann Mischer ausbauen. |
||
|
||
|
Wenn du schon was umbauen willst, welches System hängt da hinten dran? Den Temps nach zu urteilen FBH FBH [Fußbodenheizung]. D.h. Mit der WP WP [Wärmepumpe] direkt in die FBH FBH [Fußbodenheizung], Puffer nur noch für Brauchwasser. Dann hast du außerhalb der WP WP [Wärmepumpe] nix außer Rohre. Darf ma fragen wer sowas plant? Echt zerstreut die Leute. |
||
|
||
|
Fachbetrieb hat das geplant, nach offiziellem Hydraulikschema von Viessmann Ja hab nur FBH FBH [Fußbodenheizung] dran 300m2. |
||
|
||
|
Fachbetrieb hat das geplant, nach offiziellem Hydraulikschema von Viessmann Ja hab nur FBH dran 300m2. Is mir bewußt, deshalb schreib ichs auch. Wenn du etwas ändern willst und eh umbaust, dann ist der Direktanschluss an dir FBH FBH [Fußbodenheizung] ohne Puffereinbindung um zu setzen. Deine Umsezung ist Typisch Kesselhersteller |
||
|
||
|
zu diesem schema und wärmepumpe fällt mir nur ein wort ein: themenverfehlung... jeder feldtest, jeder experte warnt vor der kombination wärmepumpe & kombipuffer genau wegen der hier beschriebenen symptome der massiven durchmischung von warm-/heizwasser und folgend der vernichtung der effizienz der wärmepumpe... |
||
|
||
|
Sollte ich also einen bypass in VL VL [Vorlauf] UND? RL einbauen lassen? VL Bypass dann vor dem Mischer (Mischer und HK Pumpe aktiv) oder nach dem Mischer (Mischer und HK Pumpe inaktiv) einbinden lassen? |
||
|
||
|
Ja und letzteres. |
||
|
||
|
Nein. Sondern fahr direkt in die FBH FBH [Fußbodenheizung]. Rumdocktern bringt nix. Verteiler und Pumpengruppe raus. Wenn du eh was umbaust, machst richtig |
Beitrag schreiben / Werbung ausblenden?
Einloggen
Kostenlos registrieren [Mehr Infos]

