·gelöst· Sehr gute Schichtung TWL 600, aber wie Zieltemp von S1155-6 senken?
|
|
||
|
Da stimmen vermutlich die Einstellungen Wassermenge zu Leistung nicht zusammen, dann kann die WP WP [Wärmepumpe] halt nur hohe Temperatur liefern, egal was du vorgibst. Einstellung "Heizungspumpe bei WW WW [Warmwasser]-Bereitung" auf Auto? Brauchwasserbereitung auf "Delta" oder "Zieltemperatur"? Leistung "Verdichter bei WW WW [Warmwasser]-Bereitung" Auto oder Festwert? |
||
|
||
|
Müsste alles auf Standard sein, außer Zieltemp! Wo finde ich a) Heizungspumpe bei WW WW [Warmwasser]-Bereitung b) Verdichter bei WW WW [Warmwasser]-Bereitung Wann wäre es typisch, dass die Temp nicht runtergeht? |
||
|
||
|
Heizungspumpe bei WW WW [Warmwasser]-Bereitung: 7.1.2.2 "Brauchwasser automatisch" bzw. "manuell" und dann Drehzahlwert Verdichter bei WW WW [Warmwasser]-Bereitung: 7.1.1.2 ""Bereitungsleistung" automatisch bzw. "manuell" und dann dazu "Bereitungsleistung mittel" oder "hoch"; dort steht auch die "Bereitermethode" "Ziel" oder "Delta" Die Temperatur könnte z.B. zu hoch bleiben, wenn die Leistung auf fix 6kW steht, dein Rücklauf aus dem Puffer aber schon so warm ist, dass das WW WW [Warmwasser] selbst bei hoher Drehzahl der Pumpe überwärmt wird. Meine Einstellungen, geregelt; wird aber extern, darum MEIN Vermerk "Modbus": ![]() |
||
|
|
||
|
||
|
Danke, konnte noch nicht nachsehen, aber Drehzahl sollte nicht eingestellt sein, Leistung sollte auch auf Auto stehen. Rücklauf beginnt in der Regel bei ca. 23 Grad und geht dann in einer Stunde hoch auf 45. Also noch keine erkennbare Erklärung, warum die Temp nicht runterkommt, oder? Oder ist die Einstellung für niedrig Brauchwasser 42 bis 45 der Rücklauf gemeint? |
||
|
||
|
Bei Ziel-Temp. wird mit der eingestellten Stopp-Temp. +2K geladen. Also wenn du 45°C Stopptemp. einstellst, wird die VL VL [Vorlauf]-Temp. für die Ladung auf 47C geregelt. Ladung ist fertig, wenn BT6 die Stopptemp. erreicht hat. Also 45°C in dem Fall. Wenn die VL VL [Vorlauf]-Temp. jedoch viel höher ist, dreht entweder die GP1 Pumpe nicht hoch genug, (vielleicht max. Pumpendrehzahl limitiert? Oder extrem hohen Druckverlust im WW WW [Warmwasser]-Kreis?) oder der Verdichter gibt zu viel Gas. Evtl. ist der durch Sperrbereiche nach unten hin limitiert? Mit wieviel Hz. läuft der denn beim Laden? oder stößt du die WW WW [Warmwasser]-Ladung extern mit AUX-Eingang oder Modbus an?! Dann wird mit "Luxus"-Einstellung geladen. |
||
|
||
|
Noch kein AUX/Modbus. 3.1.7 Verdichter sagt keine Begrenzungen. Laufend muss ich erst mal beobachten. Übrigens habe ich auch ein gewisses "Zittern", also wohl wegen Ultraschallsensor im Vorlauf etwas Druckverlust. GP1? So sieht BT6 aus: ![]() |
||
|
||
Verdichter |
||
|
||
Wärmequelle |
||
|
||
|
Gemäß Wärmequelle heizt er immer ne Weile mischt es erst runter, dann hoch und hört dann auf, aber manchmal legt er nochmal kurz nach und mischt dadurch wieder runter und hört dann auf. Es ist eine Zeitsteuerung für PV ab 11 Uhr definiert. |
||
|
||
|
Ich nehme an nur wegen PV wird auf "Bedarf hoch" geschaltet? Schau was für eine Temperatur bei "Bedarf hoch" eingestellt ist. Eventuell eher zwischen "Bedarf niedrig" und "Bedarf mittel " umstellen und die Temperaturen entsprechend anpassen. Das heißt nicht das keine sperren drin sind sondern nur das die Sole warm genug ist. Die Begrenzung ist aktiv wenn die Sole zu kalt wird (wenn überhaupt dann eher im Winter bis kurz vor Frühjahr zu erwarten). Wo ist der Bt6 bei dir untergebracht? Du kannst grundsätzlich entweder die Leistung fixieren oder die Drehzahl. Beides endet in überschwingen. MfG Peter |
||
|
||
|
Nein, die Zeitsteuerung ist eher eine Sperre bis 11 Uhr, die dann entriegelt wird. Fixiert habe ich erst einmal nix. Muss ich klären, wo BT6 liegt. |
||
|
||
|
Das Problem lag in der Zeitsteuerung. Dort kann man den Brauchwasserbedarf zusätzlich eingeben und die sonstige Einstellung überschreiben, das habe ich übersehen und nun geändert. Jetzt ist es korrekt. Vielen Dank für Eure Hinweise. |
||
|
||
|
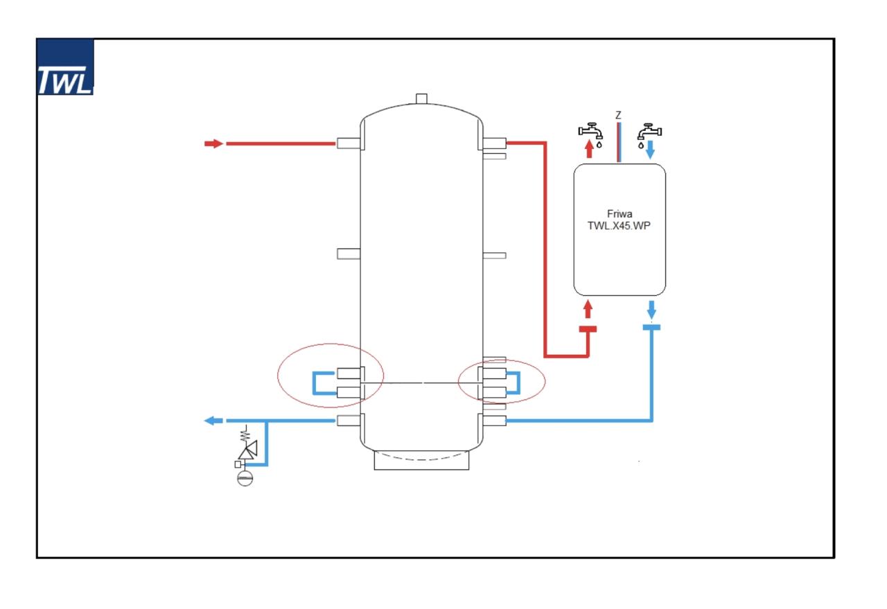
Hallo, bist du nach wie vor zufrieden mit dem TWL? Ich habe einige Beiträge dazu im "Pufferspeicher für Friwa"-Thread gelesen und ein paar Fragen dazu. Interessant finde ich den Speicher vorallem weil es das Set mit der X45WP-Friwa verhältnismäßig günstig online gibt. Wie bist du Stand Heute zufrieden? Wie lädst du, also wo ist der untere Fühler für Ende WW WW [Warmwasser]-Bereitung? Das Trennblech ist ja, wenn ich es richtig verstehe, ohne Durchgänge, oder? Also ein Verbindung kommt erst durch den "Kurzschluss" zustande. Aber warmes Wasser aus dem unteren Teil wird doch über dieses Labyrinth kaum vernünftig aufsteigen, ohne von Friwa-RL oder bei WW WW [Warmwasser]-Bereitung durchgewirbelt zu werden, denke ich. Ich komme daher zu dem Schluss, dass es wahrschlich nur Sinnvoll ist, den oberen Teil durchzuladen, und den kalten Schwall unten einzuleiten, sowie natürlich den RL RL [Rücklauf] zur Wärmepumpe bei WW WW [Warmwasser]-Bereitung. Oder habe ich da wo einen Denkfehler? Außerdem Frage ich mich, ob man wohl die Friwa verkehrt herum montieren kann, denn das würde besser zu meiner Anschlusssituation passen (Trinkwasser-MAG mit Ausfluss unten und WW WW [Warmwasser]-Leitung zur den Zapfstellen ist am Boden). |
||
|
||
|
Ja, ich bin weiterhin sehr zufrieden! Ich plane ein weiteres Projekt, erneut mit demselben Speicher ich habe zwischendurch auch noch zwei Projekte mit demselben Speicher durchgeführt. Bei diesen anderen Projekten bringe ich aber keine Messpunkte weiter an. Ich kann dir leider nicht genau sagen, wo der Fühler exakt sitzt und ich kann im Augenblick auch nicht nachsehen. Der trennblech ist ohne Durchgänge und damit kann kein warmes Wasser aufsteigen. Das ist auch genau das Prinzip was mit diesem Speicher nicht! verfolgt wird. Es ist genau das Prinzip dieses Speichers, dass das Wasser nicht verwirbelt wird, sondern sehr ruhig verwirbelungsfrei einströmt und warmes Wasser von ganz oben! eingeschichtet wird. Das warme Wasser wird nicht unten eingeführt und soll aufsteigen, sondern das warme Wasser wird umgekehrt direkt oben eingeführt und muss dann nicht aufsteigen, sondern wird nur oben aufgefüllt. Unten wird gleichzeitig kaltes Wasser entnommen und in der Wärmepumpe aufgewärmt. dies ist ein anderes Prinzip als bei anderen speichern! Deswegen muss das warme Wasser oben sofort die richtige Temperatur haben. Es macht viel weniger Spass, wenn die Temperatur oben zu niedrig ist, denn dann ist das Wasser oben eben noch zu kalt und muss mindestens noch ein zweites Mal erwärmt werden, bis es warm genug ist. Das bedeutet, das Wasser müsste mehrfach durchgewälzt werden, so dass der Inhalt von dem gesamten Speicher mehrfach durchgeschleust werden muss und man auch so lange warten muss, bis der ganze Speicher voll ist. Genau das soll vermieden werden. Genau das passiert aber zwangsläufig, wenn die Temperaturen nicht beim ersten Mal sofort auf Zieltemperatur ist. Zieltemperatur ist also das Besondere Problem! Viele Wärmepumpen können keine Zieltemperatur! Trotzdem gibt es ein Hilfsmittel dafür. Das Hilfsmittel heisst Rücklaufanhebung. Bei der Rücklaufanhebung wird nicht nur kaltes Wasser von unten in die Wärmepumpe reingezogen und erwärmt, sondern gleichzeitig auch ein teil warmes Wasser von oben. Durch die Mischung von kalt und warm wird Mittelwarmes Wasser von der Wärmepumpe angesaugt, aufgewärmt und dann in einem Zug auf Zieltemperatur gebracht. Die Schwierigkeit liegt dann darin, das Mittelwarme Wasser genau richtig zu mischen aus dem richtigen Verhältnis von warmen und kalten Wasser. Dafür gibt es verschiedene technische Mittel. Manche steuern das elektronisch, das heisst die Temperatur wird gemessen und eine elektronische Regelung sorgt dafür, dass das Mittelwarme Wasser die richtige Temperatur hat. Dann muss die Elektronik allerdings auch mit Strom versorgt werden, was nicht viel ist. Aber es gibt auch Alternativen, mit Mischern, die keine elektronische Regelung benötigen und trotzdem automatisch korrekt funktionieren. Ich in zwei Projekten eine Wärmepumpe, die keine Zieltemperatur schafft und dann eine Rücklaufanhebung, die ohne elektronische Regelung funktioniert. Umgekehrt, wenn das Wasser nicht erwärmt wird im Speicher, sondern abgekühlt, in der Regel wenn man duscht, dann wird das warme Wasser oben abgesaugt und unten wird das kalte Wasser wieder eingefüllt. Dieses entladen von dem Speicher passiert viel stärker und schneller als das Laden von dem Speicher! Das ist bei allen speichern so. Weil es viel schneller ist, ist dann auch die Gefahr des verwirbelns viel grösser. Und genau dann hilft dieser Speicher vierfach! Erstens hat er die vorgesehene Beruhigung durch die Krempe eingebaut. Dann wird das kalte Wasser durch einen Anschluss auf einer Seite mit hoher Geschwindigkeit eingeführt und beruhigt. Aber zweitens, wenn man den Kurzschluss einbaut, kann das ggfs. wildgewordene Wasser im schlimmsten Fall zwar den Inhalt von dem unteren Bereich durcheinanderwirbeln, aber niemals den oberen Bereich durcheinanderwirbeln. Wenn dann das kalte Wasser in den unteren Bereich eindringt und theoretisch sogar verwirbelt, verdrängt es gleichzeitig Wasser aus dem unteren Bereich durch den Kurzschluss in den oberen Bereich. Dabei wird es nochmals dreifach! beruhigt. Zuerst durch die ausleitende Krempe und dann, wenn man den Kurzschluss so ausführt, wie vom Hersteller empfohlen, dann erfolgt die Verdrängung nicht einseitig durch einen Anschluss, sondern zweiseitig durch zwei Anschlüsse, also durch doppelt so viel Durchmesser. Auch das führt zu einer Beruhigung. Anschliessend wird das Wasser drittens durch eine weitere Krempe beruhigt. Deswegen wird der obere Bereich mit dem warmen Wasser äusserst sicher nicht verwirbelt und bleibt sauber geschichtet! Bei der Montage Richtung von der friwa bin ich kein Experte. |
||
|
||
|
Wo hast du den Speicher und die Friwa online günstig gefunden? |
||
|
||
|
Danke. Kannst du vielleicht noch ein Foto posten, wie der Kurzschluss bei dir konkret aussieht? Hast du das gedämmt und wenn ja wie? Ist ja nur ein kleines Stümmelchen Rohr... Und wo der untere Fühler genau sitzt oberhalb/unterhalb vom Trennblech) würde mich interessieren. Vielleicht kannst du das bei Gelegenheit nachreichen. Günstig ist relativ. Wenn man die Preise vor 2022 in den threads ließt, greift man sich auf den kopf... konkret der heizprofishop aus Ö. Je nach speichergröße ca. 3300 mit x45wp mit sealix beschichtung |
||
|
||
|
||
|
||
|
Das Prinzip ist mir eh klar, mich hätte interessiert wie die Ausführung in real aussieht |
||
|
||
|
Kann ich Dir nicht liefern ist verpackt. |
Beitrag schreiben / Werbung ausblenden?
Einloggen
Kostenlos registrieren [Mehr Infos]






