Hydraulik LWP - Speicher verwenden oder um Speicher erweitern - Seite 2
|
|
||
|
Grundsätzlich ja, aber wenn manche Räume zu warm werden, muss man notgedrungen eindrosseln. Der Gesamtdurchfluss muss halt für die WP WP [Wärmepumpe] passen. Bei einer 7 kW WP WP [Wärmepumpe] sollten bei einem dT von 5 K ca. 20 Liter pro Minute durchgehen. |
||
|
||
|
Was ich auch noch nicht ganz verstanden hab, wie funktioniert ein Überströmventil - habe bereits nachgelesen. Überall steht, wenn der Systemdruck im HK steigt, aber wie soll er steigen? Alle Heizkörper sind offen und da keine Thermostate vorhanden sind und auch keine Mischer schließt ja nichts, was den Druck erhöhen würde. Ausnahme die Schlafzimmer. |
||
|
||
|
Die Umwälzpumpe der WP WP [Wärmepumpe] dreht im Abtauvorgang auf höchste Stufe. Jetzt steigt der Druck nach der Pumpe an und falls sich der Druck nicht über den Heizkreis abbauen kann, macht das Überstromventil auf. |
||
|
||
|
Klar, wenn die Pumpe aufdreht, dann steigt der Druck. Aber ob die Pumpe dann durch den ganzen offenen Heizkreis pumpt oder vorher über das Ventil abzweigt ändert ja nichts. Oder ist der Durchfluss im Heizkreis generell geringer als im Vorlauf und Rücklauf zum HK? Metapher Bis zum Heizkreis dreispurige Autobahn und im HK zweispurig (auch wenn alles offen ist) und danach wieder dreispurig. Dann macht es Sinn, eine weitere Spur über das Ventil zum Rücklauf zu öffnen. |
||
|
||
|
So in etwa kann man es verstehen. Der Volumenstrom wird stark erhöht beim abtauen. Das sollte nicht durch die Heizkörper alleine passieren , Fließgeräusche entstehen, meist schafft die Pumpe dann den Volumenstrom oft nicht, je nach Netz. Dann kann die Energie im Puffer mit verwendet werden, da das Ventil dann öffnet |
||
|
||
Also für mich nochmal zusammengefasst.
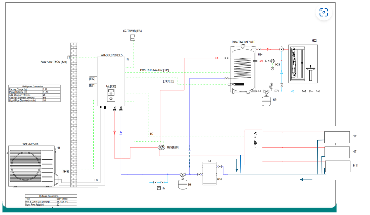
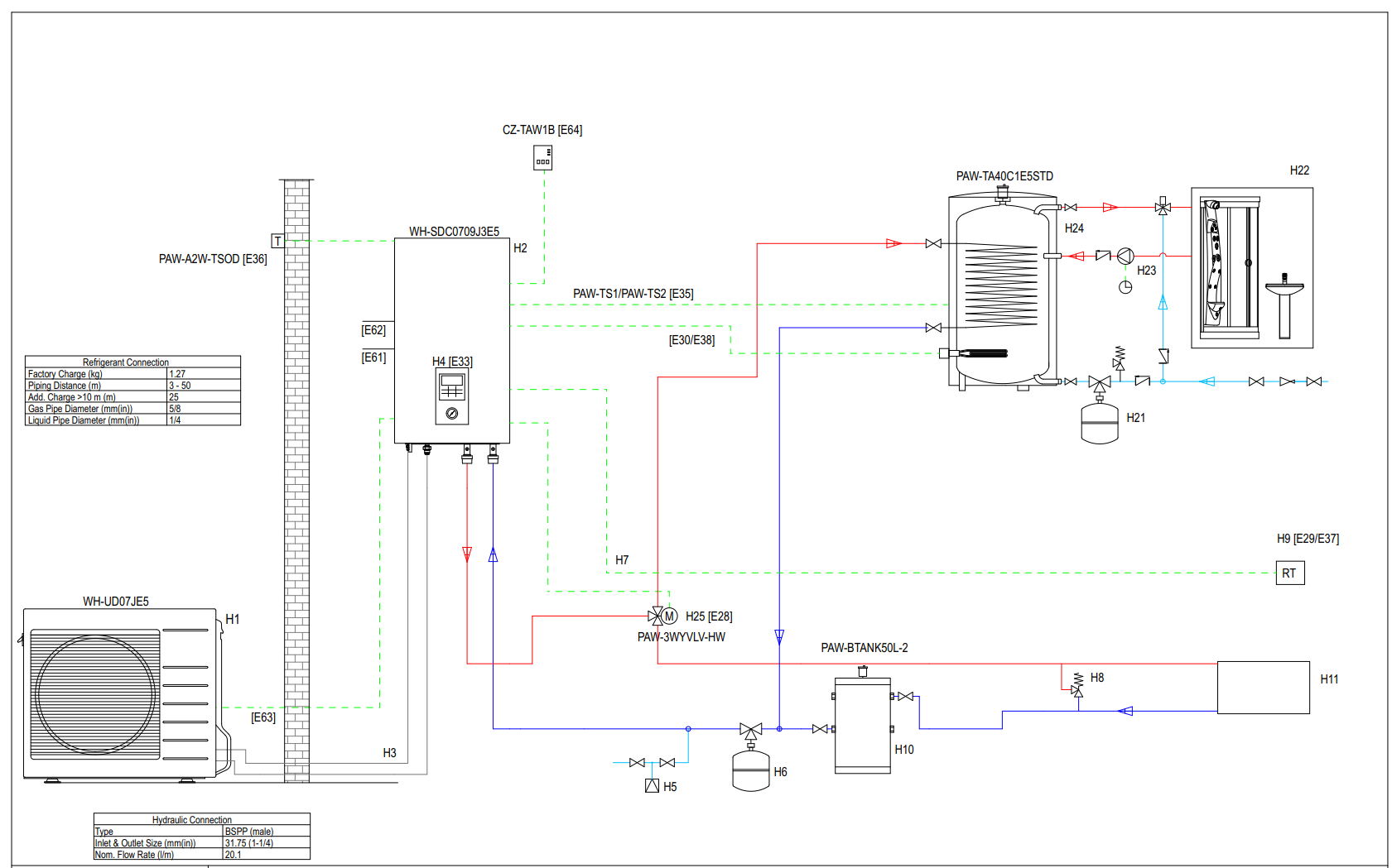
Ich würde dann auf das Schema hier kommen Das entspricht auch zu 95 % diesem offiziellen Schema von Panasonic. Hier hat nur ein Kreis einen Mischer, weil er mutlich eine andere VL VL [Vorlauf]-Temp braucht. Würdet ihr beim hydraulischen Abgleich dann auch die Speisung der einzelnen Kreise manuell anpassen, oder soll ich einfach alle gleich bedienen lassen und dann nur die Heizkörper anpassen. |
||
|
||
|
Das ist die Sichtweise des Anwenders (und auch nur die Kategorie, die sich halbwegs auskennt), aber sicher nicht die Sichtweise des WP WP [Wärmepumpe] Herstellers😀 Der WP WP [Wärmepumpe] Hersteller muss sichergehen, falls der Anwender ein Fehlverhalten an den Tag legt, dass die WP WP [Wärmepumpe] keinen Schaden nimmt. Dazu muss man auch ein wenig ins Innere der WP WP [Wärmepumpe] schauen. Ganz schlecht für eine WP WP [Wärmepumpe] ist z.B, wenn die diese auf max. Leistung läuft und plötzlich sinkt der Wasser-Volumenstrom im Kondensator (dieser ist in Serie) auf 0l/min. In kürzester Zeit steigt die Temperatur vom Heißgas gleich mal über 100° Celsius an. Und mit der Temperatur auch der Druck. Dann müssen die beiden Sicherheitseinrichtungen Durchflußmesser und die Hochdrucküberwachung einspringen und den Verdichter abschalten, wobei der Durchflußmesser eher träge reagiert. Ich nehme auch an, dass schon ein paar Absperrhähne eingebaut werden. Ich habe 4 Heizkreise. Bei jedem Heizkreis kann ich VL VL [Vorlauf] und RL RL [Rücklauf] absperren. Und wenn ich diese irrtümlich gleichzeitig absperren würde, dann wäre der vorher geschilderte Fall eingetreten. Das Überströmventil gehört eingebaut. Damit hast eine einigermaßen hydraulische Entkopplung der WP WP [Wärmepumpe] vom Heizkreis. Diese Variante ist die günstige, da nur ein UWP benötigt wird. Nachteil ist noch immer, dass es zu Volumenstromänderungen im Kondensator kommen kann. (Den besten Wirkungsgrad hat die WP WP [Wärmepumpe], wenn der Volumenstrom im Kondensator konstant bleibt). Gute WP WP [Wärmepumpe]-Hersteller, wie z.B. Ochsner mit der Air Falcon gehen noch einen Schritt weiter und betreiben den Pufferspeicher als Trennspeicher😉😊. Damit ist die WP WP [Wärmepumpe] zu 100% vom Heizkreis entkoppelt (Kannst bei der Panasonic mit dem PAW-BTANK100L auch machen). Nachteil dieser Anbindung ist halt, dass man im Heizkreis eine böse UWP bentötigt😊. Es gibt halt im Leben keine Lösung, die nur Vorteile hat. |
||
|
||
|
"Ganz schlecht für eine WP WP [Wärmepumpe] ist z.B, wenn die diese auf max. Leistung läuft und plötzlich sinkt der Wasser-Volumenstrom im Kondensator (dieser ist in Serie) auf 0l/min. " Warum/Wie kann das passieren außer ich greife manuell ein und sperren z.B die Leitung nach der WP WP [Wärmepumpe]? |
||
|
||
|
1) Generell müssen Systeme gegen Fehlbedienung abgesichert sein. Das wäre so ein Fall. 2) In einem Schadensfall (z.B. Verdichter) wird sehr genau auf die Ausführung der Hydraulik vom Hersteller geschaut. Beispiel: Kompressorschaden innerhalb der Gewährleistungszeit. Techniker schaut sich das an und sieht, dass kein Wasserfilter (dieser ist im Hydraulikshema vom Hersteller eingezeichnet -vorgeschrieben) verbaut wurde. Seine Therorie, Wärmetauscher dadurch ein wenig verschlammt, dadurch schlechterer Wärmeaustausch Heißgas/Heizungswasser. Dadurch höhere Druckbelastung des Verdichters. Gewährleistung abgelehnt. Errichter der Anlage in Konkurs. Austausch kostet über 2500€. Klage auf eigenes Risiko kannst bei solchen Beträgen vergessen, da die Gerichtskosten höher sind, von einem, vom Gericht beauftragtes Gutachten, gar nicht zu reden. ![]() |
||
|
||
|
Bitte net, der Trennpuffer ist kein Feature sondern eine Krücke. Nachteil ist auch, dass bei Nutzung eines Parallepuffers das System ineffizient wird. Gibt ja einen netten Thread zu dem Thema der schon 15 Jahre alt ist und noch immer bespielt wird. https://www.haustechnikdialog.de/Forum/t/126104/Schadensbegrenzung-bei-bei-Betrieb-von-Waermepumpen-ueber-hydraulische-Weiche-oder-Parallelpuffer |
||
|
||
|
1) Ich habe zur Vollständigkeit die beiden Möglichkeiten präsentiert. Bei WP mit kleiner Leistung wird die Serienschaltung des Puffers mit den Differenzdruckventil gemacht. 2) Aber die von dir vorgestellte Hydraulik wird sehr bescheiden, bis überhaupt nicht funktionieren😊. Da ist auch wie bei @Heisenberger ein sauberer hydraulischer Kurzschluss über den Pufferspeicher gegeben - oder habe ich einen Denkfehler? Da braucht es überhaupt kein Differenzdruckventil hinter dem Pufferspeicher. Im Hydraulikschema fehlt auch die böse UWP im Heizkreis - wurde die unsichtbar genacht? |
||
|
||
|
Also das auf meiner Zeichnung sollte die Abzweigung für das Überströmventil darstellen. Ich hatte halt nur Word :) Ich hab jetzt auch vor kurzem erst rausgefunden, dass ich die Bezeichnung Heizkreis bisher immer falsch verstanden habe. Ich dachte bisher, dass VL VL [Vorlauf] - Heizkörper - RL ein Heizkreis ist. Dabei ist ein Heizkreis ein eigener geregelter Kreis z.B durch Pumpe und Mische. Ich habe zwar 3 x VL VL [Vorlauf] - 3 x Heizk. - 3 x RL RL [Rücklauf] aber alles wäre ein Kreis, da alles gleich angesteuert wird, wenn ich Pumpen und Mischer entferne. Also im Endeffekt würde mein Schema genau dem von Kleinermuk entsprechen. |
||
|
||
|
Na, ja ein Überströmventil (Differernzdruckventil) wird schon ein wenig anders gezeichnet.😊 Den Begriff Heizkreis hast schon richtig verstanden. Das mit VL VL [Vorlauf] und RL RL [Rücklauf] passt schon. Es gibt noch eine genauere Bezeichnung von den Heizkreisen. Ungemischter und Gemischter Heizkreis. Mit Mischer ist es ein gemischter Heizkreis. Wichtig ist die Unterscheidung in Bezug der Heizungsreglern. Hier ein Beispiel von einem Regler, der zwei Heizkreise bedienen kann. Einen ungemischten und einen gemischten Heizkreis. Der ungemischte Heizkreis hat keinen Ausgang für einen Mischer, sondern nur für die UWP. |
||
|
||
|
Ah, hab schon gehen, ich habe keinen Denkfehler, sondern einen Sehfehler durch das "schlecht" gezeichnete Hydraulikschema. Der Entlüftungstopf steht bei der roten Linie an😌 |
||
|
||
|
Also ist das jetzt gut :) und kann ich so meinem Installateur vorlegen? Unabhängig davon, wie die Definition eines Heizkreises ist, ich habe nur die LWP LWP [Luftwärmepumpe] und dann den/die Heizkreis(e) und im Rücklauf den Puffer mit 100 L für Abtauvorgang. |
||
|
||
|
Leg dem Inst die Beschreibung noch dazu. Überströmer (H8) würde ich je nach Durchflussmenge noch einbauen. Drei Wege Ventil würde ich von ESBE nehmen und nicht das von Panasonic vorgeschlagene und natürlich die Zirku weglassen. |
||
|
||
|
Es ist ein Hydraulikschema mit einem ungemischten Heizkreis mit einem Zonenventil für die Ladung vom Warmwasserspeicher. Der einzige Unterschied ist die Größe des Pufferspeichers. Im Schema ist der PAW-BTANK50L-2 mit 48l Wasservolumen eingezeichnet. Über die Vor- und Nachteile von einem etwas größeren Bufferspeicher lässt sich auch lang diskutieren. Aufgrund der größeren Manteloberfläche sind die Verluste bei gleichen äußeren thermischen Bedingungen ein wenig höher - kann man durch zusätzliche Aussenisolierung mehr als wettmachen. Braucht auf Grund des höheren Volumens länger zum aufheizen. Vorteil, beim Abtauvorgang sinkt die Wassertemperatur auf Grund der doppelten Wärmemengeinhalts nur halb so stark ab. Ich würde bei den 100l bleiben. Aber frag den Installateur deines Vertrauens, was dieser dazu meint - wird wohl schon mehrere Anlagen installiert haben. |
||
|
||
|
Ob ein 50 Liter oder 100 Liter Puffer im Rücklauf sitzt, kann man im Hydraulikgenerator von Panasonic auswählen. MMn reicht der 50 er, aber ist sicher Geschmacksache. Bei einer 7 kW Pana WP WP [Wärmepumpe] werden beim Abtauprozess ca. 250 Wh an Wärme entzogen (der Rest kommt vom Verdichter). Somit sinkt die Temperatur im Puffer bei 50 Liter um ca. 4,3 K (250/(50*1,16)) wenn die Energie nur vom Puffer bezogen wird. |
||
|
||
|
Danke für all die Rückmeldungen Das klingt so, als wenn es optional wäre? Dachte das sei immer vorgesehen und wie zuvor beschrieben eine Sicherheitsvorkehrung. Nur aus Interesse - warum? Würdet ihr auch gleich noch Wärmemengen- und Stromzähler einbauen lassen - liest man hier oft. Und vielleicht einen Durchflussmesser, habe ich auch mal wo gelesen. |
||
|
||
|
Mein Senf dazu : Die entgültige Entscheidung darüber wird wohl beim ausführenden Installateur liegen. Ein wenig überspitzt: Angenommen ich wär der Insti, dann ist das Überströmventil drinnen. Wenn der Kunde meint, es braucht kein Überströmventil, dann unterbreche ich meine Arbeit kurz, setze ein Bestätigungsschreiben auf, dass der Kunde den Einbau verweigert hat und damit jegliche Haftungsansprüche im Fehlerfall ausgeschlossen sind, und lege dieses Schreiben dem Auftraggeber zur Unterschrift vor. Wenn er die Unterschrift ablehnt, dann wünsche ich ihm einen schönen Tag und fahr nach Hause.😊 Ich würde schon einen Wärmemengenmesser einbauen - kosten ja nicht die Welt. Einen Durchflußmesser muss jeder Wärmemengenmesser eingbaut haben, da dieser Wert zur Bestimmung der Wärmemenge erforderlich ist. Bei den meisten Geräten, wird der momentane Durchfluß auch angezeigt/gespeichert. |
||
|
||
|
Es kommt auf die Anlage an, bei mir fließen z.B. über die Flächenheizung 50 l/min mit einer Pana J-Serie bei maximaler UWP-Stufe, daher brauche ich das Teil nicht. Ich habe aber auch keine ERR ERR [Einzelraumregelung] oder sonstige Sauerein verbaut somit ist bei mir der Durchfluss gewährleistet. Vom verhalten der J-Serie ist es so, dass die UWP bevor die WP WP [Wärmepumpe] abtaut auf maximale Leistung geht. Wenn der Durchfluss allgemein zu gering ist (7 l/min) kommt eine Störung (H62) und die WP WP [Wärmepumpe] schaltet sich aus. Fällt der Rücklauf beim Abtauen unter 20°C kommt der Fehler (H75) und die Pumpe schaltet ab. Gerade wenn ich einen Puffer im Rücklauf drinnen habe, würde ich aber ein Überströmventil verbauen (wenn der bedarf eines Puffers besteht ist die Hydraulik sicher nicht Top). Viele 3-Wege-Ventile haben einen sehr hohen Druckverlust und so wird vielleicht eine schlecht Hydraulik noch schlechter. Ein ESBE VRG331 1" hat z.B. einen KVS von 17/10 m³/h, andere Anbieter liegen bei 5-8 m³/h. Siehe dazu auch https://www.haustechnikdialog.de/Forum/t/263660/3-Wege-Ventil-Durchfluss-Panasonic-Jeisha |
Beitrag schreiben / Werbung ausblenden?
Einloggen
Kostenlos registrieren [Mehr Infos]









