Altbestand verstehen und optimieren (WP, Solar, Puffer, FriWa
|
|
||
|
Eigener Hutschinenzähler für die WP WP [Wärmepumpe] solltest dir rein setzen, dann hast du den wirklichen Stromverbrauch der WP WP [Wärmepumpe]. Den gemischten Heizkreis kannst dir sparen. Du brauchst nen gescheiten heizi der was von WP WP [Wärmepumpe] versteht. Eine Wärmepumpe gehört nicht in den Parallelbetrieb zum Puffer eingebunden. Wp fährt immer direkt in die FBH FBH [Fußbodenheizung]. Für eine solche Hydraulik sollte der Pufffer nicht wirklich zum heizen verwendet werden wenn da eh ne Friwa noch dran hängt. Würde hier einen Umbau anstreben aber nicht auf eine gemischte Heizgruppe |
||
|
||
|
Puffer: ich hab so eine Antwort fast erwartet / befürchtet :D Aber gut, ich bin offen für alles, damit das System gut läuft. Aber woher bekomm ich einen guten Heizi bzw. erkenne, dass der "gut" ist?... Gibts da Empfehlungen / Auflistungen aus dem Forum? Am besten im Raum Oberösterreich / Wels-Land Wie kann ich mir das dann vorstellen: Für Heizung fährt die WP WP [Wärmepumpe] direkt in die FBH FBH [Fußbodenheizung]. Für Warmwasser gehts in den Puffer. Da braucht es eine Umschaltung? Beide Modi (Heizung + Warmwasser) gleichzeitig kommt eh nicht vor / was passiert dann? Wir haben im Vorlauf bereits ein "Umschaltventil" verbaut, aber was das macht...? Hier mal ein paar Bilder der Installation. Für was die ganzen Thermostate (?) da sind, weiß ich ja auch nicht bzw. wie die eingestellt sein sollten. Gleiches gilt für die beiden Schalter an der Wand... Zähler: Kann mich mit der Idee vom extra Zähler schon anfreunden. In dem Zuge lass ich mir das vielleicht auch gleich für die Garage machen, weil da auch Sauna, E-Auto laden (beides selten) und ein kleiner Boiler für Außendusche im Sommer dran hängt. Ist sowieso auch interessant was da zusammenkommt :) Welche Lösung ist hier die gängigste: Monatlich händisch abschreiben? Oder vom PC ablesen wie z.B. die Zähler vom Netzbetreiber? Hab HomeAssistant (mit Zigbee) auf einem MiniPC laufen, wenn das die Sache einfacher macht. Wärmepumpe: Gibts also derzeit nichts, was ich an der WP WP [Wärmepumpe] umzustellen versuchen könnte / sollte, damit es mit der aktuell baulichen Situation "besser" läuft? |
||
|
||
|
Eine eher allgemeine Frage habe ich jetzt noch: Die Wärmepumpe hat laut Datenblatt eine elekt. Aufnahmeleistung von 2,26 kW. Wenn ich mir jetzt die Logs der Temperaturen mit meinem Stromverbrauch gegenüberstelle, dann sieht es so aus, als würde die Wärmepumpe immer um das Leistungslimit betrieben werden? Z.B. 11.01.2024, sehr kalter Tag, Z.B. 24.01.2024, etwas milderer Tag Sind die Verläufe plausibel? Sind das die Takte, die man hier erkennen kann? Das dürfte also kein Problem sein? Kann man aus den Verläufen sonst etwas raus interpretieren? Und es sieht so aus, als würden die Heizungs-Phasen das warme Wasser aus dem Boiler "ziehen", aber nicht immer? VL schießt manchmal in die Höhe und sorgt dafür dass WW WW [Warmwasser] produziert werden muss. das ist heute z.B. extrem: |
||
|
|
||
|
||
|
richtig. das ist eine on/off wp, die kann nur 100% ein oder aus... eine unglückliche kombination: wp & solarthermie haben keine synergien, die kannibalisieren sich eher. dafür erzeugt diese kombination das große problem daß hoch- & niedertemperatur kombiniert wird. das ist high-flow mit low-flow und schwierig. wenn dann die wp wie hier wie ein kessel auf den puffer arbeitet hat man die ungünstigste betriebsmöglichkeit für eine wärmepumpe. denn... daher... ... den pufferspeicher anders anschließen, als entlademischer. unter diesem stichwort findest du hier im forum viele beispiele... installateur der dies direkt umsetzt wird eher schwierig, da brauchst du einen hydraulikplaner. dessen werkplan kann dann (fast) jeder installateur installieren... |
||
|
||
|
So richtig verstehe ich das Konzept des Entlademischers noch nicht, muss ich zugeben. Die einfachste Darstellung ist denke ich, wie in diesem Beitrag, mit ein paar Worten von Arne beschrieben: https://www.energiesparhaus.at/forum-vvm-500-plus-holzkessel-installation-und-steuerung/70408_1#700757 Was mir unklar ist: Wann will ich den "Mischbetrieb"? Weil Puffer wird ja immer warm sein (wegen WW WW [Warmwasser]) und hier möchte man ja dennoch direkt von der WP WP [Wärmepumpe] in die FBH FBH [Fußbodenheizung]? Oder ist der Mischbetrieb nur, wenn der Puffer wirklich heiß ist bzw. die Solar Wärme erzeugt, und so hier "überschüssiges" Warmwasser verwendet wird? Gibts eine Empfehlung für solch einen Hydraulikplaner (in OÖ / Wels-Land)? |
||
|
||
|
Nein, solange der Puffer die Wärme an den Heizkreis abgeben kann, also sogar noch nur die Rl Temperatur des Heizystems anheben kann wird auch entnommen. Ist der Puffer leer, übernimmt die WP WP [Wärmepumpe] komplett. Egal ob jetz Warmwasser oder Heizbetrieb. Und dabei funktioniert das System wie ein Puffer im Rl also in Reihe |
||
|
||
|
Kommende Woche kommen der Installateur + KNV-Techniker zu uns und da möchte ich den Anschluss als Entlademischer ansprechen. Was ist eine einfache, technische Erklärung warum der Puffer so verwendet werden soll? Damit ich bei Bedarf etwas zum argumentieren habe... Wo ich mir jetzt (auch) noch nicht sicher bin, wie funktioniert das mit dem Warmwasser/Brauchwasser dann? * Der bestehende Puffer kann für das dann nicht mehr verwendet werden, oder doch? und es benötigt dann einen eigenen Brauchwasserspeicher? Wär dann das Frischwassermodul auch obsolet? Mir wärs natürlich recht wenn der Umbau auf ein notwendiges Minimum beschränkt werden könnte... |
||
|
||
|
Der funktioniert dann auch weil die Wp nach der Mischentladung folgt und legt dann die restliche temp drauf oder schaltet eben weg. Im Prinzip ist der Entlademischer eine Rücklaufumschaltung, nur eben auch gleichzeitiges Glied für die Lieferung der Richtigen Temperatur bei Überschuss im Puffer. Der Entlademischer verbindet Die Systeme Hyflow und Lowflow perfekt weil der Puffer hier als Reihenpuffer und nicht als Parallelpuffer funktioniert |
||
|
||
|
Edit: Nochmal einen Schritt zurück, ich bin verunsichert/verwirrt... Reicht die WP WP [Wärmepumpe]-Leistung um selbstständig den WW WW [Warmwasser]-Bedarf über das Frischwassermodul abzudecken? Man kann sich ja ausrechen wieviel kWh benötigt werden um x Liter zu erwärmen... Aber wie hoch die benötigte Leistung im Moment ist, wenn das WW WW [Warmwasser] direkt gebraucht wird? Durchlauferhitzer ziehen gerne 15 kW? Das würde sich theoretisch mit meiner WP WP [Wärmepumpe] + E-Patrone ausgehen,...aber ist das wirklich so gedacht? Hier der alte Beitrag: Darf ich das kurz in eigene Worte fassen, ob ich das eh richtig verstehe: Grundsätzlich verhält sich WW WW [Warmwasser] vergleichbar zu Heizen. Es ist einfach ein weiterer Kreis mit eigenem Mischer welcher ins Frischwassermodul reingeht. Ist der Puffer heiß, wird das Wasser gemischt. Ist der Puffer kalt geht die WP WP [Wärmepumpe] direkt ins Frischwassermodul. ? Nur Frischwassermodul (egal welches / auch meins?) reicht für WW WW [Warmwasser] und es wird kein extra Speicher benötigt? Und generell, das Konzept Entlademischer lässt sich mit jeder WP WP [Wärmepumpe] umsetzen? Aber es wird eine externe Regelung benötigen? |
||
|
||
|
Logisch schafft die WP WP [Wärmepumpe] das Warmwasser mit auf zu heizen, allerdings muss nicht Sie sondern die Bevorratung passen. Von dem Wunsch unendlich nach zu laden bei verbrauch sollte ma sch generell verabschieden, an dieser Stelle wird es eben auch Zeit sich von überdimensionierung zu verabschieden |
||
|
||
Heute war der Installateur mit KNV Vertreter da und wir haben einige Punkte durchbesprochen.
|
||
|
||
|
Die thermische Solaranlage würde hier definitiv keinen Sinn machen. Der hier gezeigte Puffer im Schema ist ein Kombipuffer, von diesem ist generell ab zu raten. Den Puffer rein für die Frischwaserladung verwenden. Wenn die Solaranlage bleiben soll, hier Puffe 2 einsetzen, über Vl Puffer im RL RL [Rücklauf] zur WP WP [Wärmepumpe] ist dann der Entlademischer ein zu setzen. Heizkreis ohne Mischer direkt wäre hier an zu raten. Wo wäre denn dann der heizkreis für dein OG falls die Sxstemtemperaturen unterschiedlich wären ![]() derHolzkessel ist deine Solaranlage als beispiel |
||
|
||
|
sorry, es tut mir leid, aber ich kann zu den Worten kein Bild herstellen... 🙁 Soll ein weiterer Puffer her (du schreibst "Puffe 2")? ich weiß gar nicht welche Fragen ich stellen soll, damit es mir klarer wird 🙁 Im OG ist ebenso FBH FBH [Fußbodenheizung], also passt mit "gleichen" Systemtemperaturen? Der Heizkreisverteiler fürs OG hängt parallel zu dem fürs EG. Im Technikraum im Keller ist einfach ein Abzweiger / T-Stück, von dem es dann zu beiden HKV geht. Übrigens: hydraulischer Abgleich mittels IR Thermometer bin ich nach bestem Wissen und Gewissen dabei... Zumindest sind je HKV die RL RL [Rücklauf] annähernd gleich (Schwankung von 0,5°C, aber hier drehe ich noch hin und wieder ein bisschen). Im OG sind die RL RL [Rücklauf] aber generell 2,5-3°C höher, das liegt einfach am OG oder ist das bedenklich? Der "schlechteste" Raum liegt nämlich im OG, welcher jetzt bei vollem Heizkreis halt passt, daran sind alle anderen HK im OG orientiert (und das passt). HK-Längen hab ich natürlich keine. RL-Kick hab ich nicht gemessen, hier weiß ich nicht wie ich das am besten anstelle. Laut WP WP [Wärmepumpe]-Aufzeichnung steigt die RL RL [Rücklauf]-Temp "sofort", aber daran wird wohl der Puffer schuld sein? Reicht ansonsten am gemeinsamen RL RL [Rücklauf] (also am Punkt wo EG und OG im Keller zusammelaufen) mittels IR Thermometer zu messen und Zeit aufzuzeichnen? Ist irgendwie umständlich, aber vielleicht einen Versuch wert. Edit: am gemeinsamen RL RL [Rücklauf] (dort wo sich EG und OG wieder vermischen) kommt der RL RL [Rücklauf]-Kick nach 8,5 min. (Die Schwankungen von 0,2-0,3°C mit dem IR Thermometer ignoriert). Ob der jetzt vom EG oder OG getriggert wird, weiß ich noch nicht. |
||
|
||
|
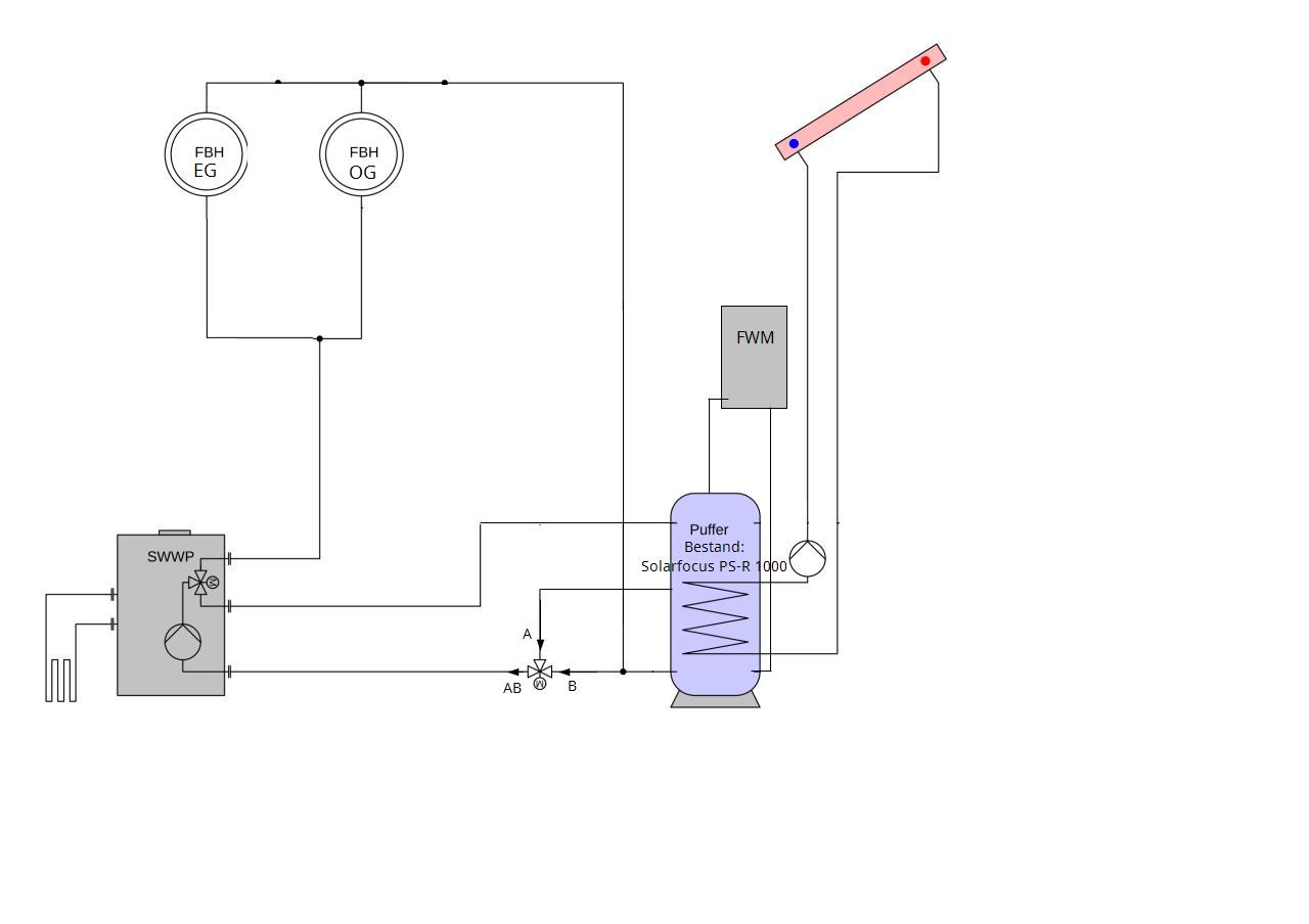
Ich muss mich (leider) nochmal melden, weil ich nicht weiß, wie ich sonst weiterkommen würde... 😞 Erstens zur Klarstellung, verbaut bei uns ist derzeit ein Pufferspeicher mit Solarregister, KEIN Kombispeicher. genau genommen handelt es sich um diesen Solarfocus PS-R 1000. D.h. Solar kann ich ja nur so anschließen? Basic-Frage: Soll das Warm-/Heißwasser, das von der Solar kommt, eigtl am oberen oder unteren Anschluss reinfließen? Finden lassen sich beide Varianten, ein Für und Wider fehlt mir irgendwie Im Zuge meiner Recherchen / Durchforstungen bin ich auch noch auf das Schema von Waget gestoßen: https://www.energiesparhaus.at/forum-hydraulik-mit-entlademischer/76416 Würde sich das nicht auf meine Anlage ummünzen lassen? Beispiel: Die Frage ist: Braucht es den Boiler / welchen? KNV Greenwater 300/200 FMC? Gehen wir mal von 4 Personen aus, keine Badewanne vorhanden. Dann wär ja tatsächlich das FWM obsolet. Falls das überhaupt die bevorzugte Variante sein sollte.... was kostet so ein Greenwater Speicher (grob) und welcher Nutzen (Erhöhung der AZ, Energiebedarf reduziert,...) ist zu erwarten? |
||
|
||
|
Vom Prinzip her wäre das von dir gezeichnete Beispiel richtig. Du musst nur beim Entlademischventil aufpassen dass es richtig beimischt. Das heißt Weg A/B ist der immer der Weg zur WP WP [Wärmepumpe], A ist VL VL [Vorlauf] Puffer und B ist der RL RL [Rücklauf] aller gemeinsamen verbunden in T-Stücken. Somit mischt sich der RL RL [Rücklauf] der Anlage immer auf den VL VL [Vorlauf] den das Netz braucht hoch über den Puffer |
||
|
||
|
Freut mich, einmal etwas richtig aufgefasst zu haben 😀 bin bereit für den nächsten Dämpfer.... Dann bleibt irgendwie noch das Kosten/Nutzen Thema... Der kleine Greenwater dürfte irgendwie rund um 3000€ kosten. Wenn ich davon ausgehe, dass sich meine JAZ JAZ [Jahresarbeitszahl] dadurch um +1 verbessert (?), dann hat sich das Teil irgendwo in 10-20 Jahren amortisiert.... nicht ganz so prickelnd...
|
||
|
||
|
Würde nie einen Trennpufer verbauen. Die Pumpe macht dann ständig Warmwasser weil sie es an den Heizungsteil verliert. |
||
|
||
|
Freut mich, dass mein Schema weiterverwendet wird. Man würd ja dann den Mischer eh erst aufmachen, wenn der Puffer von der Solar im unteren Bereich erwärmt worden wäre. Fürs Warmwasser sollte man dann eher den oberen Bereich mit der Wärmepumpe aufwärmen. Dann wär es auch kein Trennpuffer, oder? |
||
|
||
|
So hätte ich es mir auch vorgestellt, aber ich kenn mich mit Hydraulik nicht aus und weiß nicht ob das dann wirklich so läuft... Und unnötig etwas umbauen lassen, ohne einen besonderen Effekt zu erzielen, will ich auch nicht. In der Zwischenzeit hab ich auch noch das Bestands-Schema erhalten und verstehe dieses nun auch. Im Heizungs-RL ist ein Ventil verbaut welches je nach RL RL [Rücklauf]-Temp und Puffer-Temps aufmacht und den RL RL [Rücklauf] über den Puffer leitet, um den RL RL [Rücklauf] zu erhöhen. (Hab bisher gedacht diese Steuerung ist nur für die Solarpumpe da). ![]() Habe jetzt die Temperaturen der Steuerung so manipuliert, dass dieses nie aufmachen kann und somit immer direkt in die WP WP [Wärmepumpe] geht. Der grau markierte Pfad ist somit tot. Damit sollte auch mein Eingangs beschriebenes Problem beseitigt sein, dass in den Übergangszeiten der VL VL [Vorlauf] viel zu heiß ist (weil die Solar den Puffer auflädt). Somit wird der Puffer nur noch fürs Warmwasser geladen... Wobei ich jetzt auch beim Warmwasser für mich passende Einstellungen gefunden habe, dass dieses nur noch 1x am Tag gemacht wird (zu Mittagszeiten zu günstigen Strompreisen bzw. PV-Überschuss). Ich werde mit diesem Setting einmal die nächste Zeit den Effekt auf Raum- und WW WW [Warmwasser]-Temperaturen, Stromverbrauch und JAZ JAZ [Jahresarbeitszahl] beobachten. |
Beitrag schreiben / Werbung ausblenden?
Einloggen
Kostenlos registrieren [Mehr Infos]













