Fensterbank/Leiste demontieren/abschrauben
|
|
||
|
Meinst Du die Regenschutzschiene aus Alu? Sonst ist da keine Leiste. Wenn da keine Schrauben sind dann ist die gesteckt. Die geht zwar runter aber man muss da ziemlich ziehen und wackeln. Aber wozu willst Du die eigentlich abmontieren? |
||
|
||
|
Ja, die Schiene aus Alu. Ich möchte unter der Schiene einen rechteckigen Keil rausschneiden und eine mobile Split Klimaanlage "montieren" und danach die Schiene wieder raufgeben. Das hat in einem anderen Haus super funktioniert und ist i.Allg. auch ziemlich dicht, Du meinst, das Ding ist nicht irgendwo geschraubt oder sonstwie fixiert? |
||
|
||
|
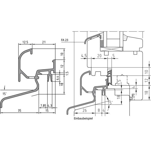
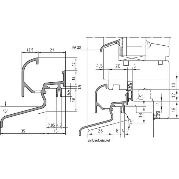
Wenn da keine Schrauben sichtbar sind ist das nur gesteckt. Könnte so aussehen: |
||
|
|
Beitrag schreiben oder Werbung ausblenden?
Einloggen
Kostenlos registrieren [Mehr Infos]


