2x Fassaden PV + Ost/West Flachdach PV - welcher WR?
|
|
||
|
Plan E: Solaredge. Unschlagbar flexibel bei deinen 100.000 Ausrichtungen. Da kannst auch dein Flachdach ohne Probleme vollmachen. |
||
|
||
|
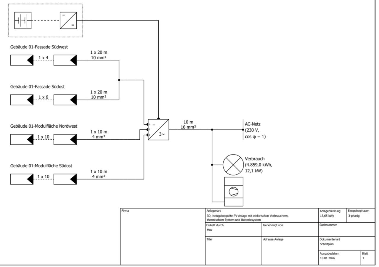
Paar Dinge die mir auffallen. Flachdach: warum nicht noch eine Reihe dazu also insgesamt 5 Reihen statt 4? Damit wärst dann bei 35 Module und könntest einfach eine Palette bestellen (36 Module) Versuch auch noch die Ausrichtung um 90 grad zu drehen eventuell passen dann mehr Module drauf. Warum wird das Satteldach daneben nicht mit belegt? Mir fallen dazu mehrere Lösungen ein. *) SolarEdge, aber ist aufgrund der mini Beschattung eigentlich nicht unbedingt nötig. *) auf einen Tracker vom Fronus würde ich die 4 Module aufgrund der geringen Spannung nicht anschließen. *) mit mini WR WR [Wechselrichter] ist sicher eine saubere und gute Lösung. *) alternative wäre noch 4 tigo Leistungsoptimierer zu verbauen und dann auf einen anderen string dazuschließen. |
||
|
||
|
Ich würde Solaredge ja auch nicht (nur) wegen der Beschattung empfehlen, sondern wegen der 4 verschiedenen Ausrichtungen. Und sinnigerweise kommt dann Satteldach auch noch dazu, dann hast eher 5-6. Viel Spaß dann mit einem WR WR [Wechselrichter] und nur 3 MPPT MPPT [Maximum Power Point Tracker]... Ich spreche aus Erfahrung: Walmdach, 4 Himmelsrichtungen, + Flachdach mit 2 Ausrichtungen, und Fassaden-PV in 3 Himmelsrichtungen kommt einmal auch noch dazu. Dank SE alles mit einem WR WR [Wechselrichter] ganz easy möglich. (Und die Teilverschattung wg. langsam schmelzendem Schnee ist mir auch ziemlich egal.) |
||
|
|
Beitrag schreiben / Werbung ausblenden?
Einloggen
Kostenlos registrieren [Mehr Infos]





